LT3724

量产

高电压、电流模式开关稳压控制器

产品技术资料帮助

ADI公司所提供的资料均视为准确、可靠。但本公司不为用户在应用过程中侵犯任何专利权或第三方权利承担任何责任。技术指标的修改不再另行通知。本公司既没有含蓄的允许,也不允许借用ADI公司的专利或专利权的名义。本文出现的商标和注册商标所有权分别属于相应的公司。

Viewing:

概述

  • 宽输入范围:4V 至 60V
  • 输出电压高达 36V (降压)
  • 突发模式 (Burst Mode®) 操作:电源电流 <100µA
  • 10µA 停机电源电流
  • 基准精度达 ±1.3%
  • 200kHz 固定频率
  • 驱动 N 沟道 MOSFET
  • 可编程软起动
  • 可编程欠压闭锁
  • 用于栅极驱动的内部高电压稳压器
  • 热停机
  • 电流限值不受占空比的影响
  • 16 引脚耐热增强型 TSSOP 封装

 

LT®3724 是一款中等功率、组件数目小、低成本和高效电源的 DC/DC 控制器。它提供了一个 4V 至 60V 的宽输入电压范围 (最小启动电压为 7.5V),并能够实现降压、升压、反相和SEPIC 拓扑结构。

LT3724 具有突发模式操作功能,该操作模式将静态电流降至 100µA 以下,并可在轻负载条件下维持高效率。一个内部高电压偏置稳压器允许简单的偏置,并可被反向驱动以提高效率。

附加功能包括旨在实现快速电压和负载瞬态响应的固定频率电流模式控制;一个能够驱动大 N 沟道 MOSFET 的栅极驱动器;一个精准的欠压闭锁电路;10µA 停机电流;短路保护;和一种可编程软起动功能,该功能可在启动期间直接控制输出电压转换速率,从而限制了浪涌电流、较大限度地减小了过冲并方便了电源排序。


应用

  • 工业功率分配
  • 12V 和 42V 汽车和重型设备
  • 高电压单板系统
  • 分布式电源系统
  • 航空电子设备
  • 电信电源

 

LT3724
高电压、电流模式开关稳压控制器
High Voltage Step-Down Regulator Efficiency and Power Loss  vs Load Current Product Package 1
添加至 myAnalog

将产品添加到myAnalog 的现有项目或新项目中(接收通知)。

创建新项目
提问

参考资料

了解更多
添加至 myAnalog

Add media to the Resources section of myAnalog, to an existing project or to a new project.

创建新项目

软件资源

找不到您所需的软件或驱动?

申请驱动/软件

硬件生态系统

部分模型 产品周期 描述
保护开关和控制器 2
LTC4359 推荐用于新设计 具反向输入保护功能的理想二极管控制器
LT4363 推荐用于新设计 具电流限制功能的高电压浪涌抑制器
电路监控器 1
LTC2960 推荐用于新设计 36V、纳安级电流、两输入电压监视器
电源系统管理(PSM)和时序控制器 1
LTC2974 推荐用于新设计 具有精确输出电流的4通道PMBus电源系统管理器
Modal heading
添加至 myAnalog

将产品添加到myAnalog 的现有项目或新项目中(接收通知)。

创建新项目

工具及仿真模型

LTspice

LTspice®是一款强大高效的免费仿真软件、原理图采集和波形观测器,为改善模拟电路的仿真提供增强功能和模型。


评估套件

eval board
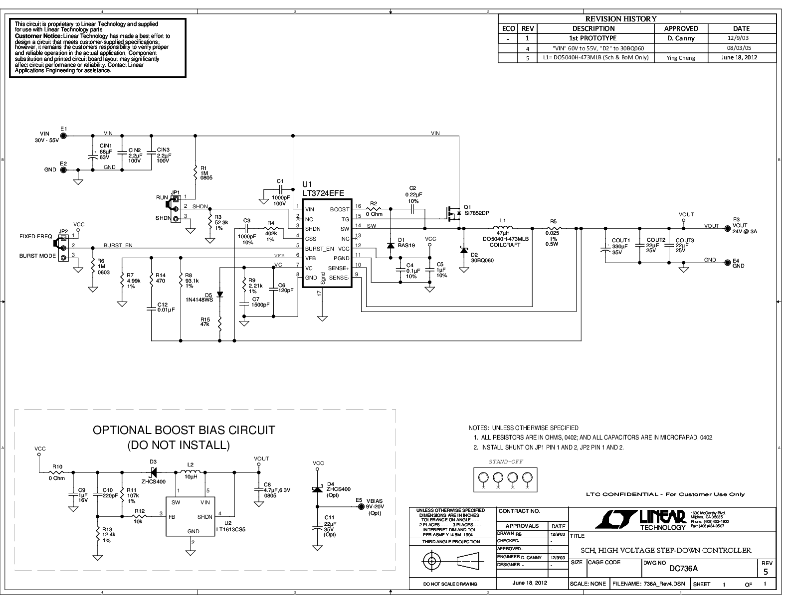
DC736A

LT3724EFE | 高压降压控制器,30V 至 60VIN, 24VOUT (3A)

产品详情

DC736A:LT3724高压、电流模式开关稳压器控制器演示板。


 


DC736A
LT3724EFE | 高压降压控制器,30V 至 60VIN, 24VOUT (3A)
DC736A - Schematic

最新评论

需要发起讨论吗? 没有关于 LT3724的相关讨论?是否需要发起讨论?

在EngineerZone®上发起讨论

近期浏览