文档
-
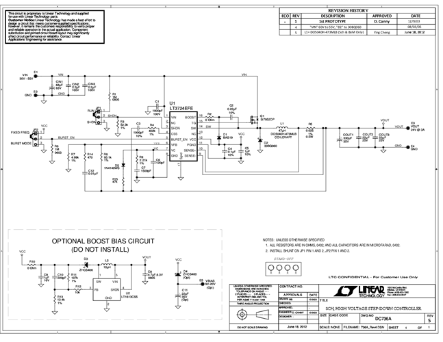
DC736A - Schematic2012/10/3PDF74K
-
DC736A - Demo Manual2012/10/3PDF184K
-
DC736A - Design Files2012/10/3ZIP863K
