LT3470A

量产

具集成升压和箝位二极管的微功率降压型稳压器

产品技术资料帮助

ADI公司所提供的资料均视为准确、可靠。但本公司不为用户在应用过程中侵犯任何专利权或第三方权利承担任何责任。技术指标的修改不再另行通知。本公司既没有含蓄的允许,也不允许借用ADI公司的专利或专利权的名义。本文出现的商标和注册商标所有权分别属于相应的公司。

Viewing:

概述

  • 低静态电流:35µA12VIN3.3VOUT
  • 集成升压和续流二极管
  • 输入范围:4V40V
  • 3.3V250mA4V40V输入)
  • 5V250mA5.7V40V输入)
  • 低输出纹波:<10mV
  • <1µA(关断模式下)
  • 输出电压:1.25V16V
  • 迟滞模式控制
    • 低纹波突发工作模式(Burst Mode®)(轻负载下)
    • 在较高负载下连续工作
  • 解决方案尺寸小至50mm2
  • 薄型(0.75mm) 2mm × 3mm散热增强型8引脚DFN封装
  • 通过AEC-Q100汽车应用认证

LT3470A是一款微功耗降压型DC/DC转换器,在薄型2mm × 3mm DFN封装中集成了440mA电源开关、续流二极管和升压二极管。LT3470A结合了突发工作和连续工作模式以便使用小型电感和电容,同时向高达250mA的负载提供低纹波输出。

LT3470A具有4V40V的宽输入电压范围,可调节各种电源,从2节锂离子电池到未稳压的壁式变压器和铅酸电池。在典型应用中,处于稳压状态的静态电流仅为35µA,同时零电流关断模式可从输入源断开负载,从而简化电池供电系统中的电源管理。快速限流和迟滞控制可保护LT3470A和外部器件免受短路输出的影响,甚至在40V输入电压下。与LT3470相比,LT3470A的输出电流更高,启动和压差性能更好。



Vin 启动最小值
开关电流
LT3470 5.5V 300mA
LT3470A 4V 400mA

应用

  • 汽车电池调节
  • 便携式产品电源
  • 分布式电源调节
  • 工业电源
  • 壁式变压器调整

LT3470A
具集成升压和箝位二极管的微功率降压型稳压器
LT3470A Application Circuit LT3470A Performance Graph LT3470A Pin configuration
添加至 myAnalog

将产品添加到myAnalog 的现有项目或新项目中(接收通知)。

创建新项目
提问

参考资料

了解更多
添加至 myAnalog

Add media to the Resources section of myAnalog, to an existing project or to a new project.

创建新项目

软件资源

找不到您所需的软件或驱动?

申请驱动/软件

硬件生态系统

部分模型 产品周期 描述
保护开关和控制器 2
LTC4359 推荐用于新设计 具反向输入保护功能的理想二极管控制器
LTC4364 推荐用于新设计 具理想二极管的浪涌抑制器
电路监控器 1
LTC2960 推荐用于新设计 36V、纳安级电流、两输入电压监视器
电源系统管理(PSM)和时序控制器 1
LTC2974 推荐用于新设计 具有精确输出电流的4通道PMBus电源系统管理器
Modal heading
添加至 myAnalog

将产品添加到myAnalog 的现有项目或新项目中(接收通知)。

创建新项目

工具及仿真模型

LTspice 1


LTspice中提供以下器件型号:

  • LT3470
  • LT3470A
LTspice

LTspice®是一款强大高效的免费仿真软件、原理图采集和波形观测器,为改善模拟电路的仿真提供增强功能和模型。


评估套件

eval board
SCP-LT3470A-BEVALZ

LT3470A 信号链评估板 | 微功率降压转换器

产品详情

演示电路 SCP-LT3470A-BEVALZ 是 40V 微功率 DFN 降压稳压器,并配有 LT3470A。该板针对高达 250mA 负载电流时的 3.3V 输出电压进行了优化,以提供 4V 至 36V 的稳定状态输入电压范围。

像信号链电源系列中的所有电路板一样,该板可轻松插入其他 SCP 板中,以形成完整的信号链电源系统,从而能够快速评估低功耗信号链。要评估该评估板,需要一些通用的 SCP 硬件,即:

  • SCP-INPUT-EVALZ
  • SCP-OUTPUT-EVALZ
  • SCP-1X5BKOUT-EVALZ
  • SCP-THRUBRD-EVALZ
  • SCP-FILTER-EVALZ
  • SCP-1X2BKOUT-EVALZ
  • SCP-5X1-EVALZ

 

为了正确评估 SCP 系列演示板,您将需要 SCP Configurator 配套软件。SCP Configurator 可以帮助您为您的设计选择正确的电路板和拓扑。

请注意,演示手册并未涵盖关于 LT3470A. 的操作和配置的重要细节。有关该套件的完整说明,请参考 LT3470A 数据手册。

eval board
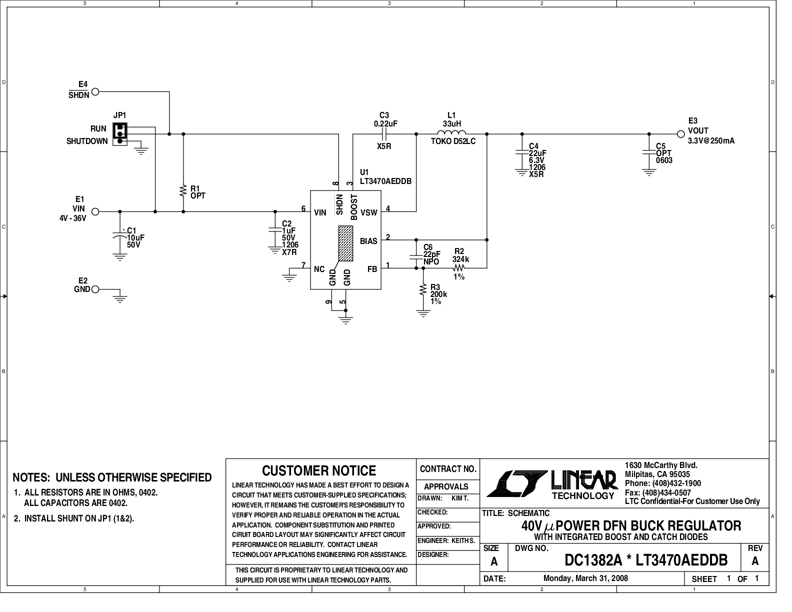
DC1382A

LT3470AEDDB 演示板 | (DFN) 4V ≤ VIN ≤ 36V,250mA 时 VOUT = 3.3V,集成升压和环流二极管

产品详情

演示电路1382是一款40V微功耗DFN降压稳压器,内置LT3470A。与非"A"版本相比,LT3470A具有更高的峰值开关电流,并改善了启动和压降性能。该演示板经过优化,在4V至36V的稳态输入电压范围内,负载电流高达250mA,可提供3.3V输出。LT3470A具有宽输入电压范围、高效的内部电源开关、极低压差工作模式、迟滞电流模式、集成升压和续流二极管,采用微型DFN封装,是一款功能强大的多功能IC,适用于需要极紧凑空间、高效率和高输入电压的DC/DC转换器。

SCP-LT3470A-BEVALZ
LT3470A 信号链评估板 | 微功率降压转换器
LT3470A Signal Chain Evaluation Board LT3470A Signal Chain Evaluation Board - Top View LT3470A Signal Chain Evaluation Board - Bottom View
DC1382A
LT3470AEDDB 演示板 | (DFN) 4V ≤ VIN ≤ 36V,250mA 时 VOUT = 3.3V,集成升压和环流二极管
DC1382A - Schematic

最新评论

需要发起讨论吗? 没有关于 LT3470A的相关讨论?是否需要发起讨论?

在EngineerZone®上发起讨论

近期浏览