LT1939

量产

单片式 2A 降压型稳压器和线性稳压器/控制器

产品技术资料帮助

ADI公司所提供的资料均视为准确、可靠。但本公司不为用户在应用过程中侵犯任何专利权或第三方权利承担任何责任。技术指标的修改不再另行通知。本公司既没有含蓄的允许,也不允许借用ADI公司的专利或专利权的名义。本文出现的商标和注册商标所有权分别属于相应的公司。

Viewing:

概述

  • 宽输入范围:3V 至 25V
  • 在整个输入范围内提供了短路保护
  • 2A 输出电流能力
  • 可调/可同步固定频率操作 (250kHz 至 2.2MHz)
  • 软起动/跟踪能力
  • 输出可调到低至 0.8V
  • 具 13mA 电流输出能力的可调线性稳压器/驱动器
  • 具互补输出的电源良好比较器
  • 低停机电流:12μA
  • 耐热增强型 3mm x 3mm DFN 封装

LT®1939 是一款电流模式 PWM 降压型 DC/DC 转换器,具有一个内部 2.3A 开关。3V 至 25V 的宽输入范围使得 LT1939 适合于对来自众多电源的功率进行调节,包括汽车电池、工业电源和未稳压的墙上适配器。

可采用电阻器来设置的 250kHz 至 2.2MHz 频率范围和同步能力实现了效率与外部元件尺寸之间的优化。逐周期电流限制、频率折返和热停机功能提供了针对短路输出的保护。软起动功能可控制输出电压的斜坡速率,从而消除了启动期间的输入浪涌电流,而且还提供了输出跟踪。

LT1939 包括一个具反馈控制功能的内部 NPN 晶体管,它可以被配置成一个线性稳压器或一个线性稳压控制器。

LT1939 的低电流停机模式 (<12μA) 在电池供电型系统中实现了简易的电源管理。

Applications

  • 汽车电池调节
  • 工业控制
  • 墙上适配器调节
  • 分布式电源调节

LT1939
单片式 2A 降压型稳压器和线性稳压器/控制器
Dual Step-Down Converters Switching Converter Efficiency Product Package 1 Output Voltage Ripple
添加至 myAnalog

将产品添加到myAnalog 的现有项目或新项目中(接收通知)。

创建新项目
提问

参考资料

了解更多
添加至 myAnalog

Add media to the Resources section of myAnalog, to an existing project or to a new project.

创建新项目

软件资源

找不到您所需的软件或驱动?

申请驱动/软件

硬件生态系统

部分模型 产品周期 描述
保护开关和控制器 1
LT4363 推荐用于新设计 具电流限制功能的高电压浪涌抑制器
电路监控器 1
LTC2960 推荐用于新设计 36V、纳安级电流、两输入电压监视器
电源系统管理(PSM)和时序控制器 1
LTC2974 推荐用于新设计 具有精确输出电流的4通道PMBus电源系统管理器
振荡器 1
LTC6908 具扩频调制功能、采用电阻器设定频率的 SOT-23 封装振荡器
Modal heading
添加至 myAnalog

将产品添加到myAnalog 的现有项目或新项目中(接收通知)。

创建新项目

工具及仿真模型

LTspice

LTspice®是一款强大高效的免费仿真软件、原理图采集和波形观测器,为改善模拟电路的仿真提供增强功能和模型。


评估套件

eval board
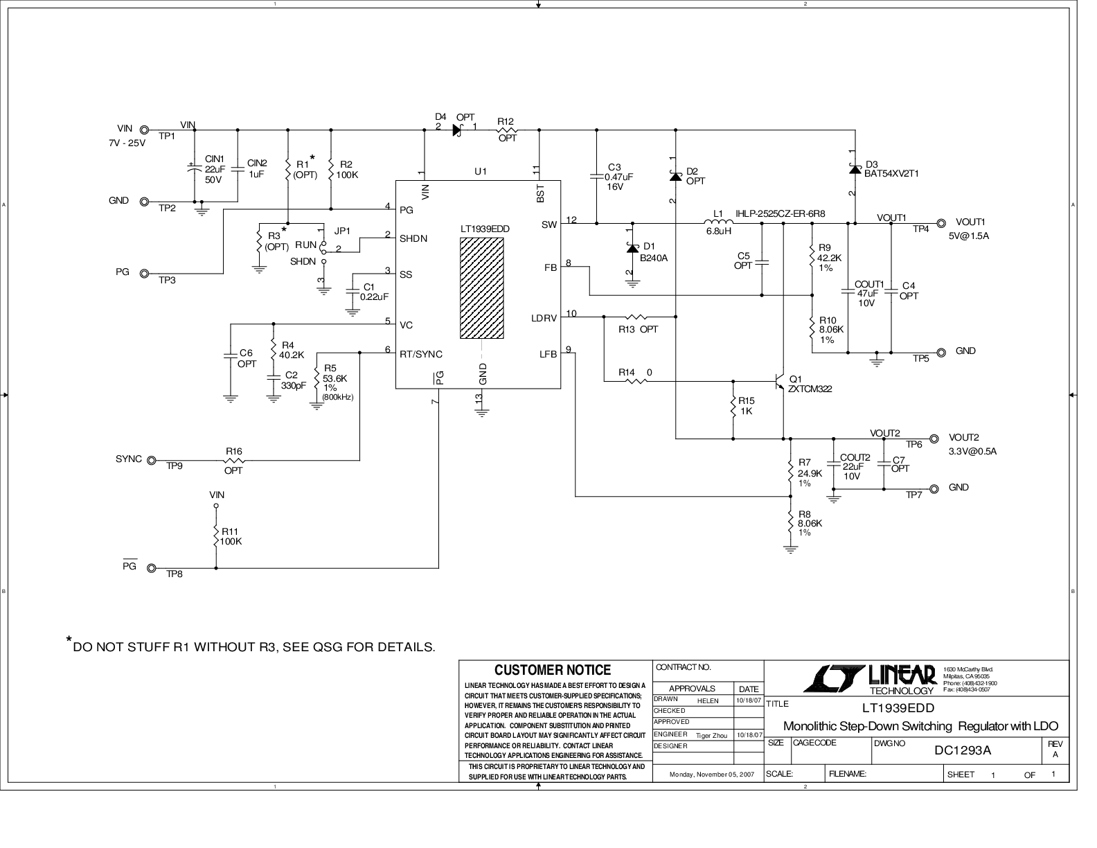
DC1293A

LT1939EDD | Monolithic 2A Step-Down Regulator Plus Linear Regulator/Controller

产品详情

DC1293A: Demo Board for LT1939 Monolithic 2A Step-Down Regulator Plus Linear Regulator/Controller

DC1293A
LT1939EDD | Monolithic 2A Step-Down Regulator Plus Linear Regulator/Controller
DC1293A - Schematic

最新评论

需要发起讨论吗? 没有关于 LT1939的相关讨论?是否需要发起讨论?

在EngineerZone®上发起讨论

近期浏览