LT1777

量产

低噪声、降压型开关稳压器

产品技术资料帮助

ADI公司所提供的资料均视为准确、可靠。但本公司不为用户在应用过程中侵犯任何专利权或第三方权利承担任何责任。技术指标的修改不再另行通知。本公司既没有含蓄的允许,也不允许借用ADI公司的专利或专利权的名义。本文出现的商标和注册商标所有权分别属于相应的公司。

Viewing:

概述

  • 可编程 dI/dt 限制
  • 在内部限制的 dV/dt
  • 高输入电压:48V (最大值)
  • 700mA 峰值开关电流额定值
  • 真正的电流模式控制
  • 100kHz 固定工作频率
  • 可同步至 250kHz
  • 在停机模式中具有低电源电流:30μA
  • 低热阻 16 引脚 SO 封装

LT®1777 是一款专为对噪声敏感的应用而设计的降压型稳压器。该器件包含一个通过位于开关通路中的一个小外部电感器进行设置的 dI/dt 限制电路。另外,内部电路还产生受控的 dV/dt 斜坡速率。

该单片式芯片内置了所有的振荡器、控制和保护电路。这款器件能够接受高达 48V 的工作输入电压,并包含一个额定在 700mA峰值电流的输出开关。电流模式控制可提供卓越的动态输入电源抑制性能和短路保护。内部控制电路一般是通过 VCC 引脚供电,从而较大限度减少了直接从 VIN 电源吸取的功率 (见 “Applications Information”)。LT1777 采用熔融引线 SO16 封装和 100kHz 开关频率,因而可满足占用极小 PC 电路板面积的要求。


应用

  • 汽车蜂窝和 GPS 接收机
  • 电信电源
  • 工业仪器电源

LT1777
低噪声、降压型开关稳压器
Low Noise 5V Step-Down Supply VSW Switching Waveforms Product Package 1
添加至 myAnalog

将产品添加到myAnalog 的现有项目或新项目中(接收通知)。

创建新项目
提问

参考资料

了解更多
添加至 myAnalog

Add media to the Resources section of myAnalog, to an existing project or to a new project.

创建新项目

软件资源

找不到您所需的软件或驱动?

申请驱动/软件

硬件生态系统

部分模型 产品周期 描述
保护开关和控制器 1
LT4363 推荐用于新设计 具电流限制功能的高电压浪涌抑制器
电源系统管理(PSM)和时序控制器 1
LTC2974 推荐用于新设计 具有精确输出电流的4通道PMBus电源系统管理器
振荡器 2
LTC6909 量产 采用扩频调制、可提供 1 至 8 个输出的多相硅振荡器
LTC6930 量产 32.768kHz 至 8.192MHz 精准微功率振荡器
Modal heading
添加至 myAnalog

将产品添加到myAnalog 的现有项目或新项目中(接收通知)。

创建新项目

工具及仿真模型

LTspice


LTspice中提供以下器件型号:

  • LT1777
LTspice

LTspice®是一款强大高效的免费仿真软件、原理图采集和波形观测器,为改善模拟电路的仿真提供增强功能和模型。


评估套件

eval board
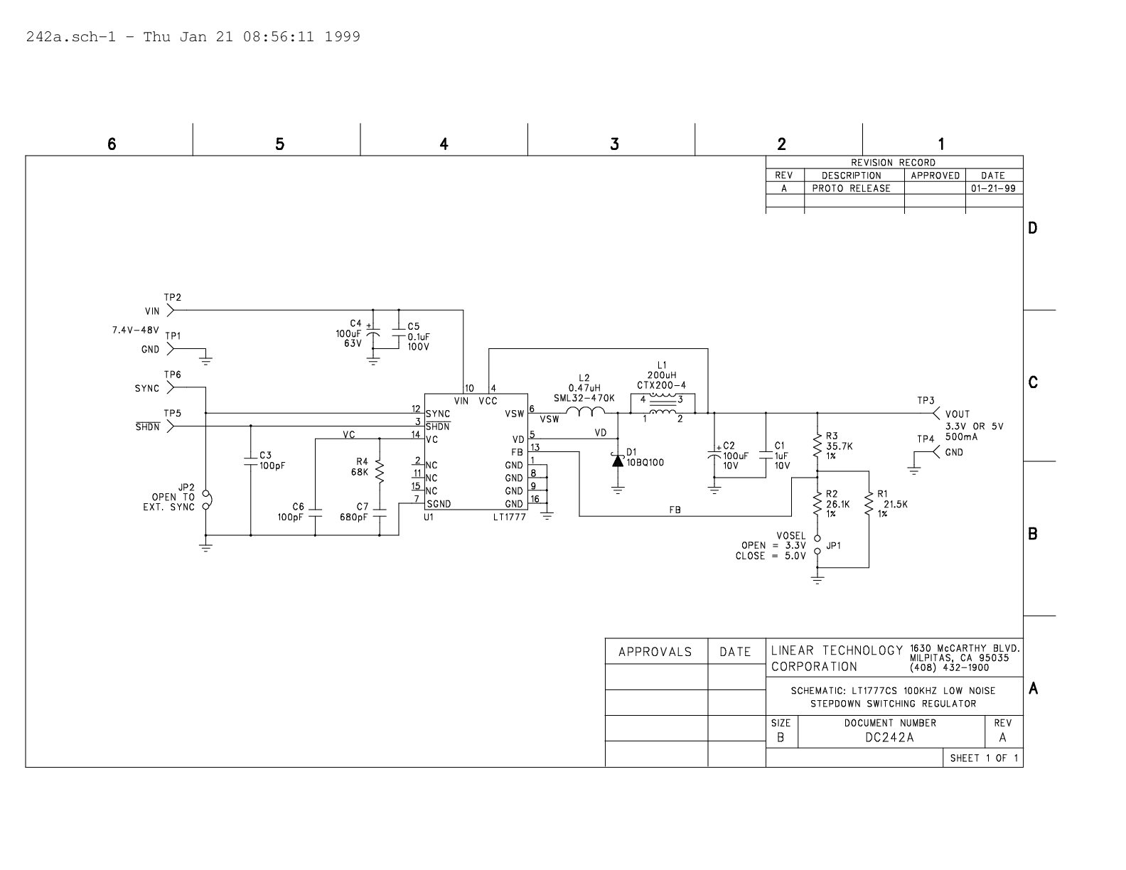
DC242A

LT1777CS | 100kHz低噪声DC-DC转换器,7.4V至48V输入,3.3V或5VOUT (0.5A)

产品详情

DC242A:LT1777低噪声降压开关稳压器演示板。


 


DC242A
LT1777CS | 100kHz低噪声DC-DC转换器,7.4V至48V输入,3.3V或5VOUT (0.5A)
DC242A - Schematic

最新评论

需要发起讨论吗? 没有关于 LT1777的相关讨论?是否需要发起讨论?

在EngineerZone®上发起讨论

近期浏览