LT1310

量产

具锁相环的 1.5A 升压型 DC/DC 转换器

产品技术资料帮助

ADI公司所提供的资料均视为准确、可靠。但本公司不为用户在应用过程中侵犯任何专利权或第三方权利承担任何责任。技术指标的修改不再另行通知。本公司既没有含蓄的允许,也不允许借用ADI公司的专利或专利权的名义。本文出现的商标和注册商标所有权分别属于相应的公司。

Viewing:

概述

  • 可同步或恒定频率低噪声输出
  • 可同步至高达 4.5MHz
  • 宽输入电压范围:2.8V 至 18V
  • 外形扁平的表面贴装型解决方案 (全陶瓷电容器)
  • 低 VCESAT 开关:240mV (在 1A)
  • 可调输出范围:VIN 至 35V
  • 小外形的耐热性能增强型 10 引脚 MSOP 封装

LT®1310 升压型 DC/DC 转换器整合了一个 1.5A 电流模式 PWM 开关电源和一个集成化锁相环,允许用户把开关频率设定在 10kHz 至 4.5MHz 之间。LT1310 拟用于那些必须准确控制开关频率的应用,它能够从一个 5V 输入在高达 400mA 电流条件下产生 12V 输出。

开关频率采用一个外部电容器设定,而且该器件可工作在自由振荡模式或锁相模式。接近 2:1 的宽捕捉范围允许采用标准的 ±10% 容差 NP0 介电电容器来设定自由振荡频率。

LT1310 采用纤巧的耐热性能增强型 10 引脚 MSOP 封装。


应用

  • 仪器
  • 航空电子
  • 数据采集
  • 通信
  • 成像
  • 超声波

LT1310
具锁相环的 1.5A 升压型 DC/DC 转换器
Figure 1. 5V to 12V Converter Synchronized at 1.6MHz LT1310 Efficiency Product Package 1
添加至 myAnalog

将产品添加到myAnalog 的现有项目或新项目中(接收通知)。

创建新项目
提问

参考资料

了解更多
添加至 myAnalog

Add media to the Resources section of myAnalog, to an existing project or to a new project.

创建新项目

软件资源

找不到您所需的软件或驱动?

申请驱动/软件

硬件生态系统

部分模型 产品周期 描述
振荡器 2
LTC6908 具扩频调制功能、采用电阻器设定频率的 SOT-23 封装振荡器
LTC6909 量产 采用扩频调制、可提供 1 至 8 个输出的多相硅振荡器
Modal heading
添加至 myAnalog

将产品添加到myAnalog 的现有项目或新项目中(接收通知)。

创建新项目

工具及仿真模型

LTspice


LTspice中提供以下器件型号:

  • LT1310
LTspice

LTspice®是一款强大高效的免费仿真软件、原理图采集和波形观测器,为改善模拟电路的仿真提供增强功能和模型。


评估套件

eval board
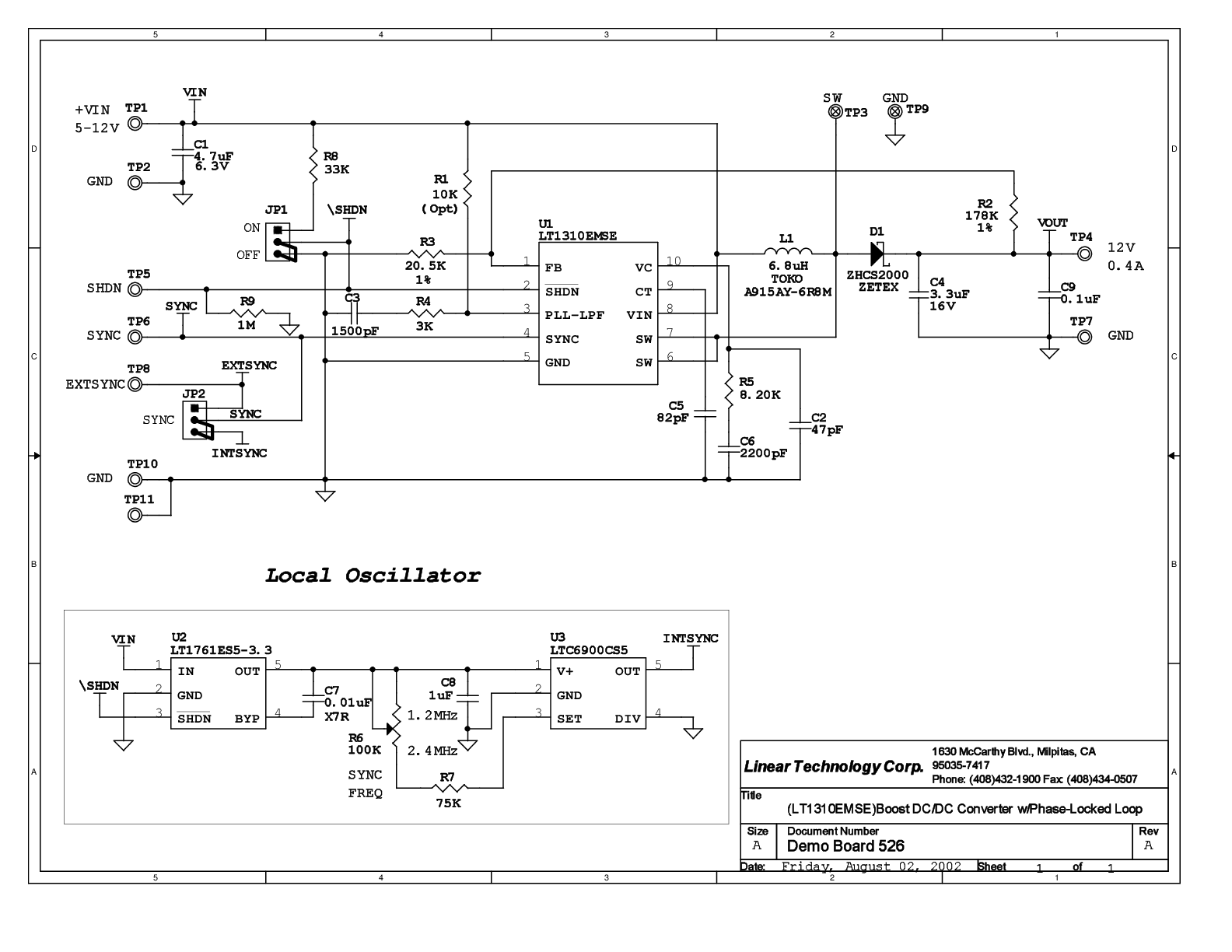
DC526A

LT1310EMSE | 具有锁相环的升压DC/DC转换器,5至 12VIN, 12VOUT @ 0.4A

产品详情

DC526A:具有锁相环的LT1310 1.5A升压DC/DC转换器演示板。

DC526A
LT1310EMSE | 具有锁相环的升压DC/DC转换器,5至 12VIN, 12VOUT @ 0.4A
DC526A - Schematic

最新评论

需要发起讨论吗? 没有关于 LT1310的相关讨论?是否需要发起讨论?

在EngineerZone®上发起讨论

近期浏览