ADP1074

推荐用于新设计

集成有源钳位和iCoupler®的隔离式同步正向控制器

产品技术资料帮助

ADI公司所提供的资料均视为准确、可靠。但本公司不为用户在应用过程中侵犯任何专利权或第三方权利承担任何责任。技术指标的修改不再另行通知。本公司既没有含蓄的允许,也不允许借用ADI公司的专利或专利权的名义。本文出现的商标和注册商标所有权分别属于相应的公司。

Viewing:

概述

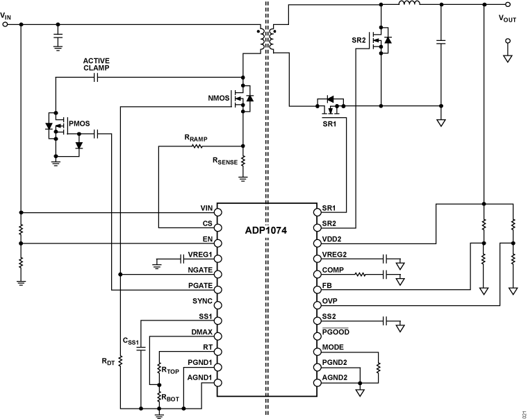
ADP1074是一款专为隔离式DC-DC电源设计的电流模式固定频率有源钳位同步正激式控制器。ADP1074采用ADI公司专有的iCouplers®技术,从而无需使用庞大的信号变压器和光耦合器在隔离边界上传输信号。集成iCoupler降低了系统设计复杂性、成本和元器件数量,并提高了系统的整体可靠性。ADP1074在原边和副边均集成了隔离器和金属氧化物半导体场效应晶体管(MOSFET)驱动器,提供紧凑的系统级设计,在重负载下的效率优于非同步正激转换器。

原边引脚提供开关频率、最大占空比、外部频率同步和斜率补偿编程功能。

副边引脚提供差分输出电压检测、过压、电源良好、跟踪和可编程轻负载模式设置功能。

同步整流器脉宽调制(PWM)的反馈信号和时序通过iCouplers使用专有传输方案,从原边传输到副边或从副边传输到原边。

ADP1074还提供输入电流保护、欠压保护(UVLO)、带可调滞回功能的精密使能、过温保护(OTP)和轻负载省电模式(LLM)等特性。

应用

  • 隔离式DC-DC电源转换
  • 中间总线电压生成
  • 电信、工业
  • 基站和天线RF功率
  • 小型蜂窝
    • PoE供电设备
  • 企业交换机/路由器
  • 核心/边缘/城域/光学路由
  • 电源模块

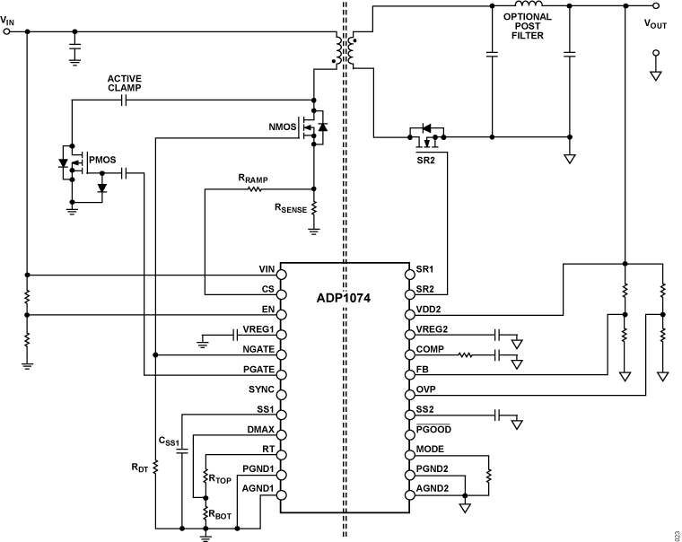
ADP1074是一款专为隔离式DC-DC电源设计的电流模式固定频率有源钳位同步正激式控制器。ADP1074集成了ADI公司的专有iCouplers,无需在隔离边界上传输信号的庞大信号变压器和光耦合器。该器件降低了系统设计复杂性、成本和元器件数量,并提高了系统的整体可靠性。ADP1074在原边和副边均集成了隔离器和MOSFET驱动器,提供紧凑的系统级设计,在重负载下的效率优于非同步正激转换器。

原边引脚提供开关频率和较大占空比、外部频率同步和斜率补偿编程功能。

副边引脚提供差分输出电压检测、过压、电源良好和可编程轻负载模式设置功能。

同步整流器PWM的反馈信号和定时在原边和副边或副边到原边之间通过iCouplers并使用专有传输方案进行传输。

ADP1074还提供输入电流保护、欠压闭锁(UVLO)、带可调迟滞功能的精密使能和过温保护(OTP)等特性。

应用

  • 隔离式DC/DC电源转换
  • 中间总线电压生成
  • 电信、工业
  • 基站和天线RF功率
  • 小型蜂窝
  • POE供电设备
  • 企业交换机/路由器
  • 核心/边缘/城域/光学路由
  • 电源模块

ADP1074
集成有源钳位和iCoupler®的隔离式同步正向控制器
ADP1074 Functional Block Diagram ADP1074 Pin Configuration ADP1074 Pin Configuration ADP1074 Circuit Diagram ADP1074 Circuit Diagram ADP1074 Circuit Diagram
添加至 myAnalog

将产品添加到myAnalog 的现有项目或新项目中(接收通知)。

创建新项目
提问

参考资料

了解更多
添加至 myAnalog

Add media to the Resources section of myAnalog, to an existing project or to a new project.

创建新项目

软件资源

找不到您所需的软件或驱动?

申请驱动/软件

工具及仿真模型

LTspice


LTspice中提供以下器件型号:

  • ADP1074

LTpowerCAD

LTpowerCAD中提供以下器件的设计工具:

  • ADP1074

设计工具 1

LTspice

LTspice®是一款强大高效的免费仿真软件、原理图采集和波形观测器,为改善模拟电路的仿真提供增强功能和模型。


评估套件

eval board
EVAL-ADP1074

ADP1074 评估板

特性和优点

  • 完全支持的评估套件,用于ADP1074有源钳位正激拓扑
  • 输出电压(VDC):12.1 V
  • 6 A 稳定状态,峰值为 8 A
  • 可编程轻载模式
  • 用于原边和副边同步整流器的集成驱动器
  • 外部基准电压信号跟踪
  • 具有迟滞特性的精密使能欠压闭锁(UVLO)
  • 短路、输出过压、循环输入过载和过温保护
  • 频率同步
  • 软启动和软停止功能

产品详情

ADP1074-EVALZ评估板允许用户评估电源应用中的ADP1074。

该评估板在稳态下可提供6 A额定电流和8 A峰值,在36 V DC至60 V的输入电压范围内实现热限制。

多个测试点可轻松访问所有关键节点和引脚。

ADP1074数据手册提供ADP1074的完整数据,使用评估板时应同时参考UG-1115与数据手册。

EVAL-ADP1074
ADP1074 评估板
ADP1074 Evaluation Board (angle) ADP1074 Evaluation Board (bottom) ADP1074 Evaluation Board (top)

最新评论

近期浏览