AD9637

RECOMMENDED FOR NEW DESIGNS

Octal, 12-Bit, 40/80 MSPS Serial LVDS 1.8 V A/D Converter

Viewing:

Overview

  • Low power: 60 mW per channel at 80 MSPS with scalable power options
  • SNR = 71.5 dBFS (to Nyquist)
  • SFDR = 92 dBc (to Nyquist)
  • 650 MHz full-power analog bandwidth
  • 2 Vp-p input voltage range
  • 1.8 V supply operation
  • See datasheet for additional features

The AD9637 is an octal, 12-bit, 40/80 MSPS analog-to-digital converter (ADC) with an on-chip sample-and-hold circuit designed for low cost, low power, small size, and ease of use. The product operates at a conversion rate of up to 80 MSPS and is optimized for outstanding dynamic performance and low power in applications where a small package size is critical.

The ADC requires a single 1.8 V power supply and LVPECL-/ CMOS-/LVDS-compatible sample rate clock for full performance operation. No external reference or driver components are required for many applications.

The ADC automatically multiplies the sample rate clock for the appropriate LVDS serial data rate. A data clock output (DCO) for capturing data on the output and a frame clock output (FCO) for signaling a new output byte are provided. Individual channel power-down is supported and typically consumes less than 2 mW when all channels are disabled.

The ADC contains several features designed to maximize flexibility and minimize system cost, such as programmable clock and data alignment and programmable digital test pattern generation. The available digital test patterns include built-in deterministic and pseudorandom patterns, along with custom user-defined test patterns entered via the serial port interface (SPI).

The AD9637 is available in a RoHS-compliant, 64-lead LFCSP. It is specified over the industrial temperature range of −40°C to +85°C. This product is protected by a U.S. patent.

APPLICATIONS

  • Medical imaging and nondestructive ultrasound
  • Portable ultrasound and digital beam-forming systems
  • Quadrature radio receivers
  • Diversity radio receivers
  • Optical networking
  • Test equipment

PRODUCT HIGHLIGHTS

  1. Small Footprint. Eight ADCs are contained in a small, space-saving package.
  2. Low Power of 60 mW/Channel at 80 MSPS with Scalable Power Options.
  3. Ease of Use. A data clock output (DCO) is provided that operates at frequencies of up to 480 MHz and supports double data rate (DDR) operation.
  4. User Flexibility. The SPI control offers a wide range of flexible features to meet specific system requirements.
  5. Pin Compatible with the AD9257 (14-Bit Octal ADC).

AD9637
Octal, 12-Bit, 40/80 MSPS Serial LVDS 1.8 V A/D Converter
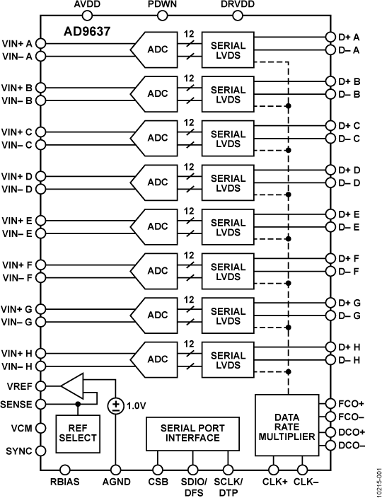
AD9637 Functional Block Diagram AD9637 Pin Configuration
Add to myAnalog

Add product to the Products section of myAnalog (to receive notifications), to an existing project or to a new project.

Create New Project
Ask a Question

Documentation

Learn More
Add to myAnalog

Add media to the Resources section of myAnalog, to an existing project or to a new project.

Create New Project

Software Resources

Can't find the software or driver you need?

Request a Driver/Software

Hardware Ecosystem

Parts Product Life Cycle Description
Clock ICs 9
AD9510 RECOMMENDED FOR NEW DESIGNS 1.2 GHz Clock Distribution IC, PLL Core, Dividers, Delay Adjust, Eight Outputs
AD9511 RECOMMENDED FOR NEW DESIGNS 1.2 GHz Clock Distribution IC, PLL Core, Dividers, Delay Adjust, Five Outputs
AD9512 RECOMMENDED FOR NEW DESIGNS 1.2 GHz Clock Distribution IC, Two 1.6 GHz Inputs, Dividers, Delay Adjust, Five Outputs
AD9513 RECOMMENDED FOR NEW DESIGNS 800 MHz Clock Distribution IC, Dividers, Delay Adjust, Three Outputs
AD9514 RECOMMENDED FOR NEW DESIGNS 1.6 GHz Clock Distribution IC, Dividers, Delay Adjust, Three Outputs
AD9515 RECOMMENDED FOR NEW DESIGNS 1.6 GHz Clock Distribution IC, Dividers, Delay Adjust, Two Outputs
AD9523 NOT RECOMMENDED FOR NEW DESIGNS 14-Output, Low Jitter Clock generator
AD9523-1 RECOMMENDED FOR NEW DESIGNS Low Jitter Clock Generator with 14 LVPECL/LVDS/HSTL/29 LVCMOS Outputs
AD9524 NOT RECOMMENDED FOR NEW DESIGNS 6 Output, Dual Loop Clock Generator
Differential Amplifiers 4
ADL5562 RECOMMENDED FOR NEW DESIGNS 3.3 GHz Ultralow Distortion RF/IF Differential Amplifier
ADA4927-2 RECOMMENDED FOR NEW DESIGNS Ultralow Distortion Current Feedback Differential ADC Driver
ADA4937-2 RECOMMENDED FOR NEW DESIGNS Ultralow Distortion Differential ADC Driver (Dual)
ADA4938-2 RECOMMENDED FOR NEW DESIGNS Ultralow Distortion Differential ADC Driver (Dual)
Variable Gain Amplifiers (VGA) 2
ADL5202 Obsolete Wide Dynamic Range, High Speed, Digitally Controlled VGA
AD8334 PRODUCTION Quad VGA with Ultralow Noise Preamplifier and Programmable RIN
Modal heading
Add to myAnalog

Add product to the Products section of myAnalog (to receive notifications), to an existing project or to a new project.

Create New Project

Tools & Simulations

Virtual Eval - BETA

Virtual Eval is a web application to assist designers in product evaluation of ADCs, DACs, and other ADI products. Using detailed models on Analog’s servers, Virtual Eval simulates crucial part performance characteristics within seconds. Configure operating conditions such as input tones and external jitter, as well as device features like gain or digital down-conversion. Performance characteristics include noise, distortion, and resolution, FFTs, timing diagrams, response plots, and more.

Open Tool

Visual Analog

For designers who are selecting or evaluating high speed ADCs, VisualAnalog™ is a software package that combines a powerful set of simulation and data analysis tools with a user-friendly graphical interface.

Open Tool

AD9637 Simulink ADIsimADC Model

Open Tool

AD9637 IBIS Model 1


Evaluation Kits

eval board
EVAL-AD9637

AD9637 Evaluation Board

Features and Benefits

  • Full featured evaluation board for the AD9637
  • SPI interface for setup and control
  • External, on-board oscillator, or AD9517 clocking option
  • Balun/transformer or amplifier input drive option
  • On-board LDO regulator or switching regulator, needing a single external 6V, 2A dc supply
  • VisualAnalog® and SPI controller software interfaces

Product Details

The AD9637-80EBZ is an evaluation board for the AD9637, octal 12-bit ADC. This reference design provides all of the support circuitry to operate devices in their various modes and configurations. It is designed to interface directly with the HSC-ADC-EVALCZ data capture card, allowing users to download captured data for analysis. The Visual Analog software package, which is used to interface with the device’s hardware, allows users to download captured data for analysis with a user-friendly graphical interface. The SPI controller software package is also compatible with this hardware and allows the user to access the SPI programmable features of the AD9637.

The AD9637 data sheet provides additional information related to device configuration and performance and should be consulted when using these tools. All documents and Visual Analog and SPI Controller are available at the High Speed ADC Evaluation Boards page. For additional information or questions, please email highspeed.converters@analog.com

eval board
HSC-ADC-EVALCZ

FPGA-Based Data Capture Kit

Features and Benefits

  • 64kB FIFO Depth
  • Works with single and multi-channel ADCs
  • Use with VisualAnalog® software
  • Based on Virtex-4 FPGA
  • May require adaptor to interface with some ADC eval boards
  • Allows programming of SPI control Up to 644 MSPS SDR / 800MSPS DDR Encode Rates on each channel
  • DDR Encode Rates on each channel

Product Details

The HSC-ADC-EVALCZ high speed converter evaluation platform uses an FPGA based buffer memory board to capture blocks of digital data from the Analog Devices high speed analog-to-digital converter (ADC) evaluation boards. The board is connected to the PC through a USB port and is used with VisualAnalog® to quickly evaluate the performance of high speed ADCs. The evaluation kit is easy to set up. Additional equipment needed includes an Analog Devices high speed ADC evaluation board, a signal source, and a clock source. Once the kit is connected and powered, the evaluation is enabled instantly on the PC.

EVAL-AD9637
AD9637 Evaluation Board
AD9637-80EBZ Evaluation Board AD9637-80EBZ Evaluation Board - Top View AD9637-80EBZ Evaluation Board - Bottom View
HSC-ADC-EVALCZ
FPGA-Based Data Capture Kit
High_Speed_ADC_evalboard_05

Latest Discussions

Recently Viewed