LTM4602HV

量产

6A、28VIN 高效率 DC/DC μModule

产品技术资料帮助

ADI公司所提供的资料均视为准确、可靠。但本公司不为用户在应用过程中侵犯任何专利权或第三方权利承担任何责任。技术指标的修改不再另行通知。本公司既没有含蓄的允许,也不允许借用ADI公司的专利或专利权的名义。本文出现的商标和注册商标所有权分别属于相应的公司。

Viewing:

概述

  • 完整的开关模式电源
  • 宽输入电压范围:4.5V 至 28V
  • 6A DC、8A (典型值) 峰值输出电流
  • 0.6V 至 5V 输出电压范围
  • 1.5% 输出电压调节
  • 超快速瞬态响应
  • 可并联多个 μModule DC/DC 转换器
  • 电流模式控制
  • 引脚与 LTM4600 和 LTM4602 兼容
  • 效率高达 92%
  • 可编程软起动
  • 具输出过压保护功能
  • 可任选的短路停机定时器
  • 具有金制衬垫涂层并符合 RoHS 标准的无铅型 (e4) 封装
  • 小占板面积、扁平 (15mm x 15mm x 2.8mm) LGA 封装

LTM®4602HV 是一款完整的 6A、DC/DC 降压型电源,其工作输入电压可高达 28V。封装中内置了开关控制器、功率 FET、电感器以及所有的支持元件。LTM4602HV 可在 4.5V 至 28V 的输入电压范围内运作,支持 0.6V 至 5V 的输出电压范围 (由单个电阻器来设定)。这种高效设计可提供 6A 的连续电流 (峰值可达 8A),且无需借助散热器或气流来满足功率规格要求。仅需采用大容量的输入和输出电容器便可完成全部设计。

由于采用了扁平封装 (高度仅 2.8mm),因而可以利用 PC 板底部上的未用空间,以实现高密度负载点调节。高开关频率和一种自适应导通时间电流模式架构的运用实现了针对输入电压和负载变化的快速瞬态响应,且并未牺牲稳定性。故障保护功能包括集成过压和短路保护以及一个可选的停机定时器。内置的软起动定时器可以采用一个小电容器来调节。

LTM4602HV 采用耐热性能增强型的紧凑 (15mm x 15mm)、扁平 (高度仅 2.8mm) 模压树脂焊盘网格阵列 (LGA) 封装,适合采用标准的表面贴装设备来进行自动化装配。如需具有 4.5V 至 20V 输入范围的器件版本,请查阅 LTM4602 的相关资料。

 


Applications

  • 电信和网络设备
  • 服务器
  • 工业设备
  • 负载点调节

 

LTM4602HV
6A、28VIN 高效率 DC/DC μModule
6A µModule Power Supply with 4.5V to 28V Input Efficiency vs Load Current with 24VIN (FCB = 0) Product Package 1
添加至 myAnalog

将产品添加到myAnalog 的现有项目或新项目中(接收通知)。

创建新项目
提问

参考资料

了解更多
添加至 myAnalog

Add media to the Resources section of myAnalog, to an existing project or to a new project.

创建新项目

软件资源

找不到您所需的软件或驱动?

申请驱动/软件

硬件生态系统

部分模型 产品周期 描述
保护开关和控制器 1
LTC4364 推荐用于新设计 具理想二极管的浪涌抑制器
电路监控器 1
LTC2960 推荐用于新设计 36V、纳安级电流、两输入电压监视器
电源系统管理(PSM)和时序控制器 1
LTC2974 推荐用于新设计 具有精确输出电流的4通道PMBus电源系统管理器
开关稳压器和控制器 1
LTC3880 推荐用于新设计 具有数字电源系统管理功能的双输出 PolyPhase 降压型 DC/DC控制器
Modal heading
添加至 myAnalog

将产品添加到myAnalog 的现有项目或新项目中(接收通知)。

创建新项目

工具及仿真模型

LTspice 1


LTspice中提供以下器件型号:

  • LTM4602
  • LTM4602HV
LTspice

LTspice®是一款强大高效的免费仿真软件、原理图采集和波形观测器,为改善模拟电路的仿真提供增强功能和模型。


评估套件

eval board
DC1084A-B

LTM4602HVEV | µModule Demo Board

产品详情

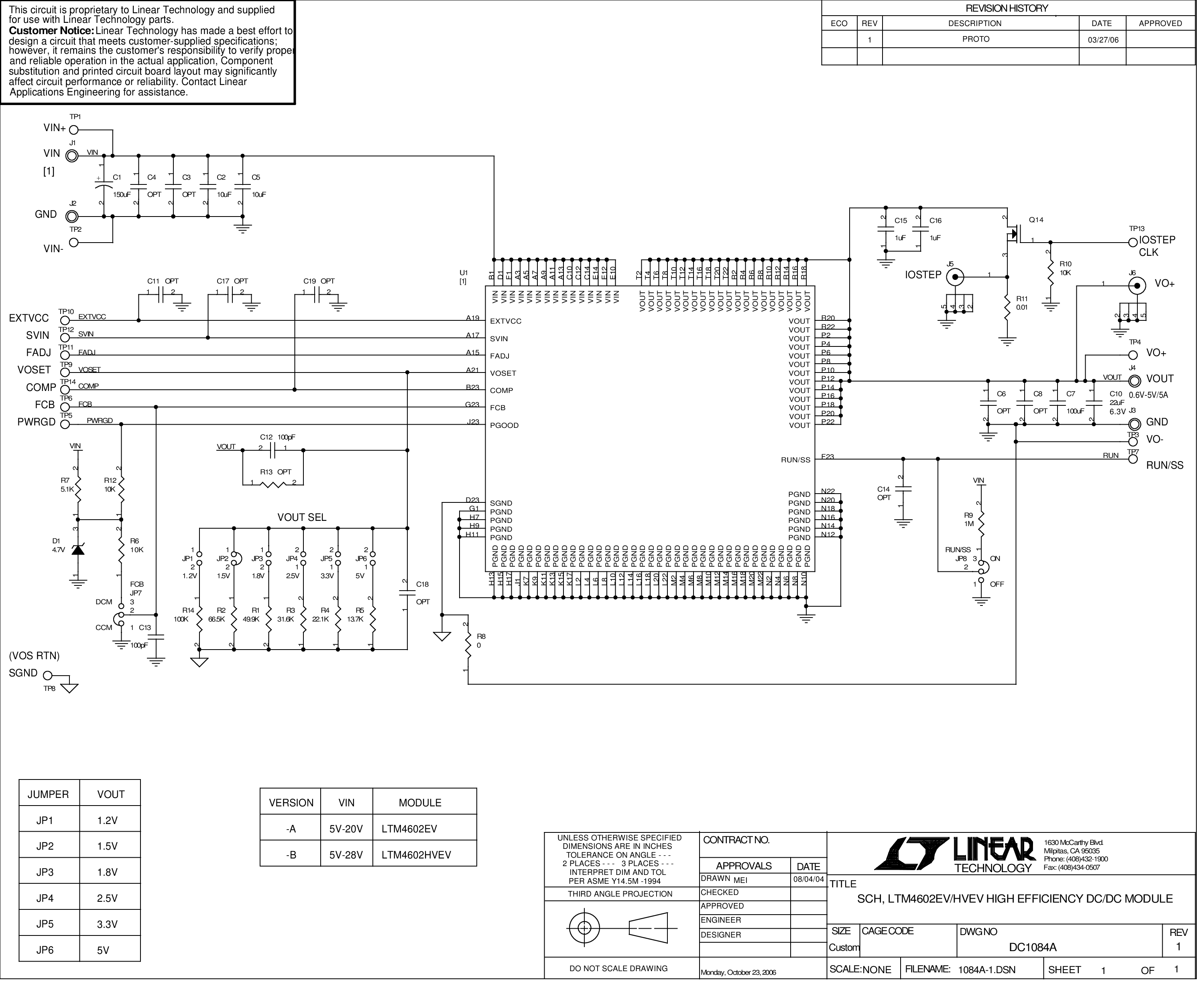
Demonstration circuit DC1084A-B features the LTM4602HV, the high efficiency, high density step-down μModule® regulator. The input voltage range is from 4.5V to 28V. The output voltage is jumper programmable from 0.6V to 5V, refer to the step-down ratio curve in the LTM4602HV data sheet. The rated load current is 6A, while derating is necessary for certain VIN, VOUT and thermal conditions.

DC1084A-B
LTM4602HVEV | µModule Demo Board
DC1084A-B - Schematic

最新评论

需要发起讨论吗? 没有关于 LTM4602HV的相关讨论?是否需要发起讨论?

在EngineerZone®上发起讨论

近期浏览