概览
产品详情
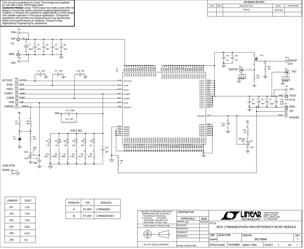
Demonstration circuit DC1084A-B features the LTM4602HV, the high efficiency, high density step-down μModule® regulator. The input voltage range is from 4.5V to 28V. The output voltage is jumper programmable from 0.6V to 5V, refer to the step-down ratio curve in the LTM4602HV data sheet. The rated load current is 6A, while derating is necessary for certain VIN, VOUT and thermal conditions.
相关产品
文档
-
DC1084A-B - Schematic2014/6/26PDF40K
-
DC1084A-B - Demo Manual2011/9/12PDF2M
-
DC1084A-B - Design Files2014/6/26ZIP907K
