LTC3865

量产

具引脚可选输出的双通道、两相、同步 DC/DC 控制器

产品技术资料帮助

ADI公司所提供的资料均视为准确、可靠。但本公司不为用户在应用过程中侵犯任何专利权或第三方权利承担任何责任。技术指标的修改不再另行通知。本公司既没有含蓄的允许,也不允许借用ADI公司的专利或专利权的名义。本文出现的商标和注册商标所有权分别属于相应的公司。

Viewing:

概述

  • 双通道、180° 定相控制器
  • 两引脚 VID 输出电压设置范围从 0.6V 至 5V
  • 高效率:达 95%
  • RSENSE 或 DCR 电流检测
  • 可锁相固定频率:250kHz 至 770kHz
  • 可调电流限值
  • 双路 N 沟道 MOSFET 同步驱动
  • 宽 VIN 范围:工作时为 4.5V 至 38V
  • 可调软起动电流斜坡上升或跟踪
  • 具反向电流限值的输出过压 (OV) 保护
  • 电源良好输出电压监视器
  • 32 引脚 5mm x 5mm QFN 封装和 38 引脚 TSSOP 封装

LTC®3865/LTC3865-1 是高性能、双通道、同步降压型 DC/DC 开关稳压器控制器,用于驱动全 N 沟道同步功率 MOSFET 级。一种恒定频率电流模式架构提供了一个高达 770kHz 的可锁相频率。通过使两个控制器输出级异相运作,较大限度地降低了功率损失和噪声。

OPTI-LOOP® 补偿的运用能够在一个很宽的输出电容和 ESR 数值范围内优化瞬态响应。每个控制器的独立跟踪/软起动引脚在启动操作期间使输出电压斜坡上升。在短路情况下,电流折返功能将限制 MOSFET 的热耗散。MODE/PLLIN 引脚负责在突发模式 (Burst Mode®) 操作、脉冲跳跃模式、或连续电感器电流模式之间进行选择。可以通过引脚搭接或外部电阻器来精确地设置输出电压。

LTC3865/LTC3865-1 采用扁平 (5mm x 5mm) 的 32 引脚 QFN 封装和 38 引脚耐热性能增强型 TSSOP 封装。 



应用

  • DC 功率分配系统

LTC3865
具引脚可选输出的双通道、两相、同步 DC/DC 控制器
High Efficiency 1.5V/15A, 1.2V/15A Step-Down Converter Efficiency and Power Loss  vs Load Current Product Package 1 Product Package 2 Product Package 3
添加至 myAnalog

将产品添加到myAnalog 的现有项目或新项目中(接收通知)。

创建新项目
提问

参考资料

了解更多
添加至 myAnalog

Add media to the Resources section of myAnalog, to an existing project or to a new project.

创建新项目

软件资源

找不到您所需的软件或驱动?

申请驱动/软件

硬件生态系统

部分模型 产品周期 描述
保护开关和控制器 1
LTC4365 推荐用于新设计 欠压、过压和电源反向保护控制器
电路监控器 1
LTC2960 推荐用于新设计 36V、纳安级电流、两输入电压监视器
电源系统管理(PSM)和时序控制器 1
LTC2974 推荐用于新设计 具有精确输出电流的4通道PMBus电源系统管理器
开关稳压器和控制器 1
LTC3880 推荐用于新设计 具有数字电源系统管理功能的双输出 PolyPhase 降压型 DC/DC控制器
Modal heading
添加至 myAnalog

将产品添加到myAnalog 的现有项目或新项目中(接收通知)。

创建新项目

工具及仿真模型

LTspice

LTspice®是一款强大高效的免费仿真软件、原理图采集和波形观测器,为改善模拟电路的仿真提供增强功能和模型。


评估套件

eval board
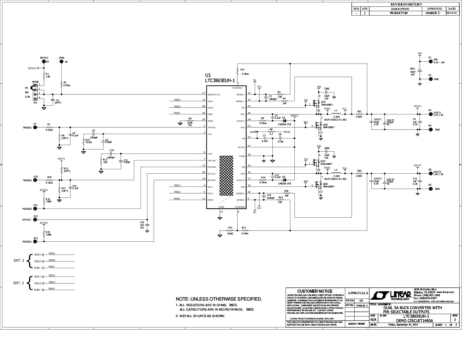
DC1480A

LTC3865EUH-1 Demo Board | 4.5V ≤ VIN ≤ 14V, VOUT1 = 3.3V @ 5A, VOUT2 = 1.8V @ 5A

产品详情

Demonstration circuit 1480A is a dual output synchronous buck DC/DC converter featuring the LTC3865EUH-1. The input voltage range is from 4.5V to 14V. The default outputs are 3.3V/5A and 1.8V/5A, but pin programming allows each output to be set at 5V, 3.3V, 2.5V, 1.8V, 1.5V, 1.2V, 1.1V, 1V or an adjustable voltage.

eval board
DC1479A

LTC3865EUH Demo Board | 4.5V ≤ VIN ≤ 14V, VOUT1 = 1.5V @ 15A, VOUT2 = 1.2V @ 15A

产品详情

Demonstration circuit 1479A is a dual output synchronous buck DC/DC converter featuring the LTC3865EUH. The input voltage range is from 4.5V to 14V. The outputs are 1.5V/15A and 1.2V/15A. Each output voltage can be precisely programmed to a preset value within 1% error using two 3-state programming pins. The output voltage can be set to 1.0V, 1.1V, 1.2V, 1.5V, 1.8V, 2.5V 3.3V or 5V. The LTC3865 differs from the LTC3865-1 in that the "-1" has a fixed current limit threshold. The 32-pin package options for both devices have no SGND pin and only one PGND pin.

DC1480A
LTC3865EUH-1 Demo Board | 4.5V ≤ VIN ≤ 14V, VOUT1 = 3.3V @ 5A, VOUT2 = 1.8V @ 5A
DC1480A - Schematic
DC1479A
LTC3865EUH Demo Board | 4.5V ≤ VIN ≤ 14V, VOUT1 = 1.5V @ 15A, VOUT2 = 1.2V @ 15A
DC1479A - Schematic

最新评论

需要发起讨论吗? 没有关于 LTC3865的相关讨论?是否需要发起讨论?

在EngineerZone®上发起讨论

近期浏览