LTC3734

量产

用于 Intel 移动 CPU 的单相、高效率 DC/DC 控制器

产品技术资料帮助

ADI公司所提供的资料均视为准确、可靠。但本公司不为用户在应用过程中侵犯任何专利权或第三方权利承担任何责任。技术指标的修改不再另行通知。本公司既没有含蓄的允许,也不允许借用ADI公司的专利或专利权的名义。本文出现的商标和注册商标所有权分别属于相应的公司。

Viewing:

概述

  • 宽输入电压范围:4V 至 30V
  • ±1% 输出电压准确度
  • 6 位 IMVP-IV VID 代码:VOUT = 0.7V 至 1.708V
  • Intel 兼容型节能模式 (PSIB)
  • 具自适应屏蔽功能的电源良好输出
  • 无损型电压定位
  • 可采用电阻器来设置的 VOUT (在启动和深度睡眠状态)
  • 可利用电阻器来设置的深度睡眠偏移
  • 可编程固定频率:210kHz 至 550kHz
  • 可调软起动电流斜坡上升
  • 折返输出电流限制
  • 具停用选项的短路停机定时器
  • 过压保护功能
  • 采用 32 引脚 5mm x 5mm x 0.8mm (扁平) QFN 封装

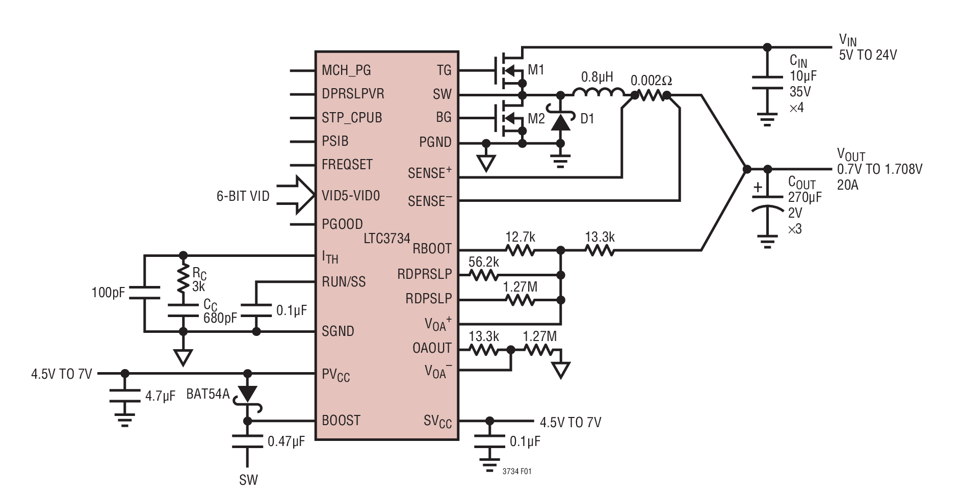
LTC®3734 是一款单相、同步、降压型开关稳压器控制器,用于以一种恒定频率架构来驱动全 N 沟道功率 MOSFET。在正常操作期间,输出电压可由 6 个 VID 位来设置,而在初始启动和深度睡眠状态中,输出电压则可由外部电阻器来设置。LTC3734 在高达 550kHz 的频率条件下驱动其输出级。强大的片内栅极驱动器免除了增设外部栅极驱动器 IC 的需要,从而简化了设计。

该器件提供了一个 Intel 兼容型 PSIB 输出,用于在两种操作模式之间进行选择。全面增强型同步模式实现了非常小的输出纹波和非常快的瞬态响应,而节能模式则实现了非常高的效率。OPTI-LOOP® 补偿的运用使得能够在一个很宽的输出电容和 ESR 数值范围内优化瞬态响应。

LTC3734 采用小外形 5mm x 5mm QFN 封装。对于两相应用,请查阅 LTC3735 的相关资料。

 


Applications

  • 移动计算机和台式计算机
  • 因特网服务器

LTC3734
用于 Intel 移动 CPU 的单相、高效率 DC/DC 控制器
High Current Step-Down Converter Product Package 1
添加至 myAnalog

将产品添加到myAnalog 的现有项目或新项目中(接收通知)。

创建新项目
提问

参考资料

了解更多
添加至 myAnalog

Add media to the Resources section of myAnalog, to an existing project or to a new project.

创建新项目

软件资源

找不到您所需的软件或驱动?

申请驱动/软件

硬件生态系统

部分模型 产品周期 描述
保护开关和控制器 1
LT4363 推荐用于新设计 具电流限制功能的高电压浪涌抑制器
电路监控器 1
LTC2960 推荐用于新设计 36V、纳安级电流、两输入电压监视器
电源系统管理(PSM)和时序控制器 1
LTC2974 推荐用于新设计 具有精确输出电流的4通道PMBus电源系统管理器
开关稳压器和控制器 1
LTC3880 推荐用于新设计 具有数字电源系统管理功能的双输出 PolyPhase 降压型 DC/DC控制器
Modal heading
添加至 myAnalog

将产品添加到myAnalog 的现有项目或新项目中(接收通知)。

创建新项目

评估套件

eval board
DC538A

LTC3734EUH | 单相IMVP4电源, VIN = 7.5V 至24V, VOUT = 0.6V 至1.75V (15A)

产品详情

DC538A:适用于Intel移动CPU的LTC3734单相、高效率DC/DC控制器演示板。

DC538A
LTC3734EUH | 单相IMVP4电源, VIN = 7.5V 至24V, VOUT = 0.6V 至1.75V (15A)
DC538A - Schematic

最新评论

需要发起讨论吗? 没有关于 LTC3734的相关讨论?是否需要发起讨论?

在EngineerZone®上发起讨论

近期浏览