LTC1707
量产高效率、单片式、同步降压型开关稳压器
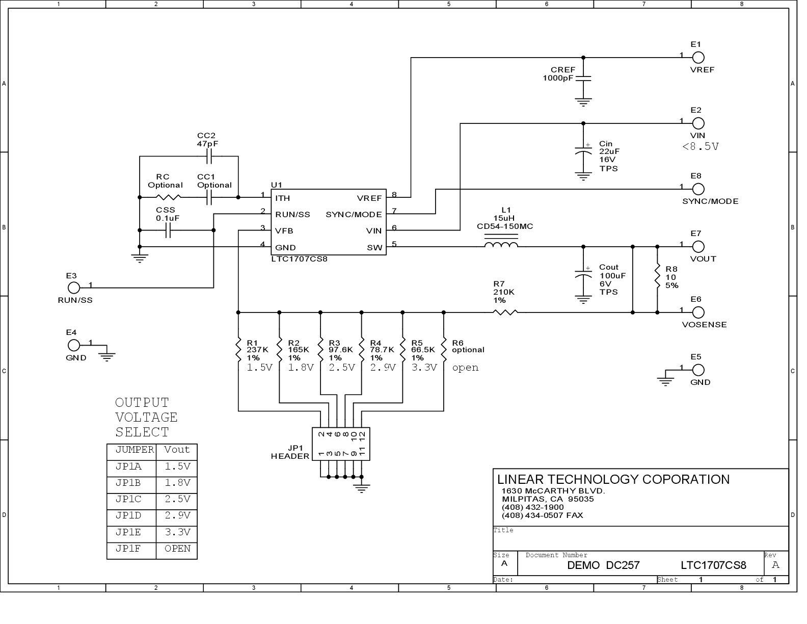
- 产品模型
- 4
概述
- 600mA 输出电流 (VIN ≥ 4V)
- 高效率:达 96%
- 恒定频率:350kHz (可同步至 550kHz)
- 2.85V 至 8.5V VIN 范围
- 0.8V 反馈基准允许低电压输出:0.8V ≤ VOUT ≤ VIN
- 无需肖特基二极管
- 1.19V ±1% 基准输出引脚
- 可选择的突发模式 (Burst Mode®) 操作 / 脉冲跳跃模式
- 低压差操作:100% 占空比
- 精准的 2.7V 欠压闭锁
- 电流模式控制用于实现卓越的电压和负载瞬态响应性能
- 低静态电流:200μA
- 停机模式仅吸收 11μA 电源电流
- 采用 8 引脚 MSOP 封装
LTC®1707 是一款高效率、单片式、同步降压型稳压器,其采用一种固定频率架构。该器件的工作电源范围为 8.5V 到低至 2.85V,因而使之适合于单节和双节锂离子电池供电型应用。突发模式操作可在低负载电流条件下提供高效率。100% 占空比提供了低压差操作,从而延长了电池供电型系统中的工作时间。
此器件的开关频率在内部设定为 350kHz,故而允许使用小的表面贴装型电感器。对于那些对噪声敏感的应用,可从外部使 LTC1707 同步至高达 550kHz。在同步期间或当 SYNC/MODE 引脚被拉至低电平时,突发模式操作被禁用,从而起到了防止低频纹波干扰音频电路的作用。软启动功能由一个外部电容器提供。
内部同步 MOSFET 开关提高了效率水平,并且免除了增设一个外部肖特基二极管的需要,从而节省了组件和电路板空间。由于采用了 0.8V 内部基准,所以可容易地实现低至 0.8V 的低输出电压。LTC1707 采用 8 引脚 SO 封装。
- 蜂窝电话
- 便携式仪器
- 无线调制解调器
- RF 通信
- 分布式电源系统
- 单节和双节锂电池供电型应用
参考资料
数据手册 1
可靠性数据 1
用户手册 1
ADI 始终高度重视提供符合最高质量和可靠性水平的产品。我们通过将质量和可靠性检查纳入产品和工艺设计的各个范围以及制造过程来实现这一目标。出货产品的“零缺陷”始终是我们的目标。查看我们的质量和可靠性计划和认证以了解更多信息。
| 产品型号 | 引脚/封装图-中文版 | 文档 | CAD 符号,脚注和 3D模型 |
|---|---|---|---|
| LTC1707CS8#PBF | 8-Lead SOIC (Narrow 0.15 Inch) | ||
| LTC1707CS8#TRPBF | 8-Lead SOIC (Narrow 0.15 Inch) | ||
| LTC1707IS8#PBF | 8-Lead SOIC (Narrow 0.15 Inch) | ||
| LTC1707IS8#TRPBF | 8-Lead SOIC (Narrow 0.15 Inch) |
| 产品型号 | 产品生命周期 | PCN |
|---|---|---|
|
10月 24, 2024 - 24_0246 Migrating Bottom Trace Code Marking to Top Side Laser Marking for SOIC_N Package |
||
| LTC1707CS8#PBF | 量产 | |
| LTC1707CS8#TRPBF | 量产 | |
| LTC1707IS8#PBF | 量产 | |
| LTC1707IS8#TRPBF | 量产 | |
|
10月 12, 2022 - 22_0255 Epoxy Change from Henkel 8290 to 8290A for 8-Lead SOIC Package (PCN part 2 of 2) |
||
| LTC1707CS8#PBF | 量产 | |
| LTC1707CS8#TRPBF | 量产 | |
| LTC1707IS8#PBF | 量产 | |
| LTC1707IS8#TRPBF | 量产 | |
|
6月 16, 2021 - 21_0026 Laser Top Mark for 8SOICN Assembled in ADPG, UTL and CRM |
||
| LTC1707CS8#PBF | 量产 | |
| LTC1707CS8#TRPBF | 量产 | |
| LTC1707IS8#PBF | 量产 | |
| LTC1707IS8#TRPBF | 量产 | |
这是最新版本的数据手册
软件资源
找不到您所需的软件或驱动?
申请驱动/软件硬件生态系统
工具及仿真模型
LTspice
LTspice中提供以下器件型号:
- LTC1707
LTspice®是一款强大高效的免费仿真软件、原理图采集和波形观测器,为改善模拟电路的仿真提供增强功能和模型。
评估套件
最新评论
需要发起讨论吗? 没有关于 LTC1707的相关讨论?是否需要发起讨论?
在EngineerZone®上发起讨论