ADP1051
推荐用于新设计用于带PMBus接口隔离式电源的数字控制器
- 产品模型
- 2
概述
- 多功能数字电压模式控制器
- 高速输入电压正馈控制
- 6个脉冲宽度调制(PWM)逻辑输出,625ps分辨率
- 开关频率:49 kHz 至 625 kHz
- 主机和从机设备频率同步
- 多种节能模式
- 用于优化效率的自适应停滞时间补偿
- 低器件功耗: 100 mW(典型值)
- 直接并行控制电源,无需对器件执行“或”运算
- 精确下降电流共享
- 预偏置启动
- 反向电流保护
- 条件过压保护
- 广泛的故障检测和保护
- 兼容 PMBus
- 用于简化编程的图形用户界面(GUI)
- 用于编程和数据存储片上 EEPROM
- 采用 24 引脚、4 mm × 4 mm LFCSP 封装
- 工作温度范围:-40°C 至 +125°C
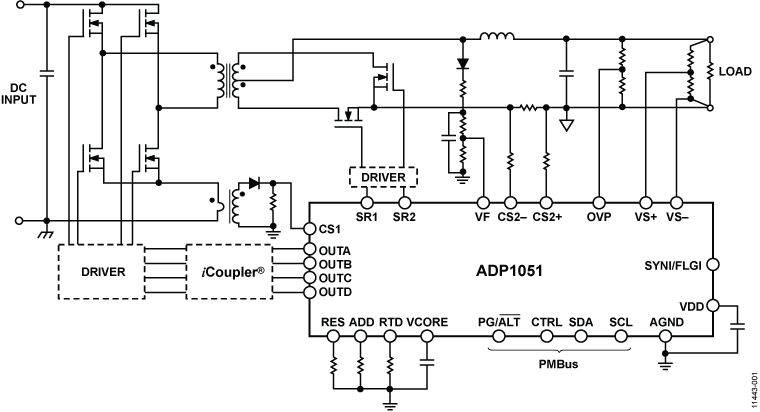
ADP1051 是一款带 PMBusTM 接口的先进的数字控制器,用于高密度、高效 DC-DC 功率转换。该控制器通过高速输入线路正馈实现电压模式控制,从而改善瞬态和噪声性能。ADP1051 具有 6 个可编程脉冲宽度调制(PWM)输出,可控制带有额外同步整流(SR)控制的较高效的电源拓扑。该器件具有自适应停滞时间补偿,可提高负载范围内效率,可编程轻负载工作模式配合器件的低功耗特性,则可降低系统待机功率损耗。
ADP1051 集成多种特性,能够实现稳健的并行和冗余工作系统,从而满足高可应用性或并行连接的客户需求。该器件提供同步、反向电流保护和预偏置启动功能,可在电源之间实现精确均流,并且采用有条件的过压技术,能够在并行工作模式下识别并安全关断故障电源。
ADP1051 集成多种特性,能够实现稳健的并行和冗余工作系统,从而满足高可应用性或并行连接的客户需求。该器件提供同步、反向电流保护和预偏置启动功能,可在电源之间实现精确均流,并且采用有条件的过压技术,能够在并行工作模式下识别并安全关断故障电源。
应用
- 高密度、隔离式DC/DC电源
中间总线转换器
高可用性并行电源系统 - 服务器、存储器、工业、网络和通信基础设施
参考资料
数据手册 1
用户手册 1
应用笔记 1
技术文章 1
视频 3
电源参考设计 1
模拟对话 1
ADI 始终高度重视提供符合最高质量和可靠性水平的产品。我们通过将质量和可靠性检查纳入产品和工艺设计的各个范围以及制造过程来实现这一目标。出货产品的“零缺陷”始终是我们的目标。查看我们的质量和可靠性计划和认证以了解更多信息。
| 产品型号 | 引脚/封装图-中文版 | 文档 | CAD 符号,脚注和 3D模型 |
|---|---|---|---|
| ADP1051ACPZ-R7 | 24-Lead LFCSP (4mm x 4mm w/ EP) | ||
| ADP1051ACPZ-RL | 24-Lead LFCSP (4mm x 4mm w/ EP) |
| 产品型号 | 产品生命周期 | PCN |
|---|---|---|
|
2月 25, 2025 - 25_0054 Gold wire to Copper wire Conversion (Notification) |
||
| ADP1051ACPZ-R7 | 量产 | |
|
7月 5, 2018 - 16_0235 Assembly Transfer to ASE Korea and Test Transfer to STATS ChipPAC Singapore of Select LFCSP Parts. |
||
| ADP1051ACPZ-R7 | 量产 | |
| ADP1051ACPZ-RL | 量产 | |
|
7月 21, 2015 - 14_0226 ADP1051 Die Revision |
||
| ADP1051ACPZ-R7 | 量产 | |
| ADP1051ACPZ-RL | 量产 | |
|
8月 6, 2014 - 13_0230 Assembly and Test Transfer of Select 3.5x3.5, 4x3, 4x4, and 5x5mm LFCSP Products to STATS ChipPAC China |
||
| ADP1051ACPZ-R7 | 量产 | |
| ADP1051ACPZ-RL | 量产 | |
这是最新版本的数据手册
软件资源
Evaluation Software 1
ADP1051评估软件
找不到您所需的软件或驱动?