MAX20810

推荐用于新设计

具有 PMBus 遥测功能的 10A、2MHz、2.7V 至 16V 集成降压型开关稳压器

利用带 PMBus 遥测功能的超快小型 10A 降压开关稳压器,实现小尺寸电源设计

产品技术资料帮助

ADI公司所提供的资料均视为准确、可靠。但本公司不为用户在应用过程中侵犯任何专利权或第三方权利承担任何责任。技术指标的修改不再另行通知。本公司既没有含蓄的允许,也不允许借用ADI公司的专利或专利权的名义。本文出现的商标和注册商标所有权分别属于相应的公司。

Viewing:

概述

  • 功率密度高,元件数量少
    • 紧凑型 4.3mm x 6.55mm、16 引脚 FC2QFN 封装
    • 内部补偿
    • 单电源操作,并集成用于偏置生成的 LDO
  • 宽工作范围
    • 2.7V 至 16V 输入电压范围
    • 输出电压范围:0.4V 至 5.8V
    • 可配置开关频率:500kHz 至 2MHz
    • 结温范围:–40°C 至 +125°C
  • 优化的性能和效率
    • 峰值效率:93.8% (VDDH = 12V 且 VOUT = 1.8V)
    • 通过可选的外部偏置输入电源实现高效率
    • AMS 可改善负载瞬态响应性能
    • 差分远程检测
  • PMBus 接口
    • 在 0.4V 至 0.8V 基准范围内提供自适应电压调节
    • 通过 PMBus 遥测功能,监测输出电流、输出电压、输入电压和结温

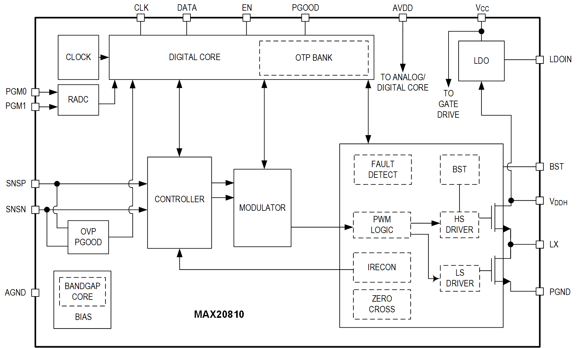
MAX20810 是一款全集成式高效降压型 DC-DC 开关稳压器,具有 PMBus 接口。该套件采用 2.7V 至 16V 输入电源供电,支持 0.4V 至 5.8V 输出调节范围,提供高达 10A 负载电流。

该套件的开关频率可在 500kHz 至 2MHz 之间进行配置,并且能够优化尺寸和性能设计。

MAX20810 采用具有内部补偿的固定频率、电流模式控制。该 IC 采用可选的先进调制方案 (AMS) 来提供更高的快速负载瞬变性能。通过将引脚绑定电阻从 PGM_ 引脚连接到地或使用 PMBus 命令,可以选择操作设置和可配置功能。

该 IC 具有内部 1.8V LDO 输出,为栅极驱动器 (VCC) 和内部电路 (AVDD) 供电。该套件还包含可选的 LDO 输入引脚 (LDOIN),可以连接 2.5V 至 5.5V 偏置输入电源来实现更高效率。

该 IC 具有多种保护功能,包括正负过流保护、输出过压保护和过温保护,可确保设计稳定可靠。

该套件采用 4.3mm x 6.55mm FC2QFN 封装。支持的结温范围为 -40°C 至 +125°C。MAX20810 与 MAX20815 和 MAX20830 尺寸兼容。

应用

  • 数据中心电源
  • 通信设备
  • 网络设备
  • 服务器和存储
  • 负载点稳压器

MAX20810
具有 PMBus 遥测功能的 10A、2MHz、2.7V 至 16V 集成降压型开关稳压器
MAX20810 Block Diagram MAX20810 Simplified Application Circuit MAX20810 Pin Configuration
添加至 myAnalog

将产品添加到myAnalog 的现有项目或新项目中(接收通知)。

创建新项目
提问

参考资料

了解更多
添加至 myAnalog

Add media to the Resources section of myAnalog, to an existing project or to a new project.

创建新项目

软件资源

找不到您所需的软件或驱动?

申请驱动/软件

硬件生态系统

部分模型 产品周期 描述
MAX20710 量产 带PMBus接口的集成降压型开关稳压器
Modal heading
添加至 myAnalog

将产品添加到myAnalog 的现有项目或新项目中(接收通知)。

创建新项目

工具及仿真模型

LTspice


LTspice中提供以下器件型号:

  • MAX20810

EE-Sim Power®工具 1

EE-Sim DC-DC转换器工具可根据您的要求快速创建完整的电源设计,包括原理图、BOM(采用市售部件)、时域和频域仿真。您可以下载自定义原理图,在独立EE-Sim OASIS仿真器中进一步分析,其中采用SIMPLIS和SIMetrix SPICE引擎。

立即开始EE-Sim

LTpowerPlay®

LTpowerPlay®是一款功能强大且基于Windows的开发环境,支持凌力尔特的数字电源系统管理(PSM)产品。

打开工具

SIMPLIS Models 1

LTspice

LTspice®是一款强大高效的免费仿真软件、原理图采集和波形观测器,为改善模拟电路的仿真提供增强功能和模型。


评估套件

eval board
MAX20810EVKIT

MAX20810 评估套件

特性和优点

  • 宽输入电压范围:2.7V 至 16V
  • 输出电压范围:0.4V 至 5.8V
  • 可选:开关频率、OCP 阈值、DEM 功能、DCM 模式、电压环路增益和 PMBus 地址
  • 高效率和电源密度
  • 元件数量少
  • 经过验证的 PCB 布局
  • 全面装配且经过测试的基本功能

产品详情

MAX20810 评估套件(EV 套件)是一款参考设计平台,用于评估 MAX20810。MAX20810 是一款单路输出、全集成、高效降压型 DC-DC 开关稳压器,具有 PMBus™ 接口。MAX20810 有一个内部 1.8V LDO 输出,为栅极驱动器 (VCC) 和内部电路 (AVDD) 供电。该套件还包含可选的 LDO 输入引脚 (LDOIN),可以连接 2.5V 至 5.5V 偏置输入电源来实现更高效率。该评估套件能够为负载提供高达 10A 的电流。该评估套件是一款全面装配且经过测试的多层 PCB,用于实现高效率和高功率密度解决方案。

通过选择关键转换器配置参数作用于两个外部电阻,可实现设计灵活性,以满足多种应用场景的要求。

有关该套件的详细描述、特性、优点和参数信息,请参考 MAX20810 IC 数据手册。

MAX20810EVKIT
MAX20810 评估套件
MAX20810EVKIT Board Photo Angle MAX20810EVKIT Board Photo Top MAX20810EVKIT Board Photo Bottom

最新评论

需要发起讨论吗? 没有关于 MAX20810的相关讨论?是否需要发起讨论?

在EngineerZone®上发起讨论

近期浏览