MAX7318

量产

2线接口、16位输入/输出端口扩展器,带有中断和热插入保护

产品技术资料帮助

ADI公司所提供的资料均视为准确、可靠。但本公司不为用户在应用过程中侵犯任何专利权或第三方权利承担任何责任。技术指标的修改不再另行通知。本公司既没有含蓄的允许,也不允许借用ADI公司的专利或专利权的名义。本文出现的商标和注册商标所有权分别属于相应的公司。

Viewing:

概述

  • 400kbps I²C兼容串行接口
  • 2V至5.5V工作
  • 5.5V过压容限I/O端口
  • 支持热插入
  • 上电后,16个I/O引脚缺省设置为输入
  • 每个I/O端口有100kΩ上拉电阻
  • 开漏极中断输出(/INT)
  • SCL/SDA输入具有噪声滤波器
  • 有64个可选的从机ID地址
  • 低待机电流(典型值5.4µA)
  • 极性反转
  • 4mm x 4mm、0.8mm薄型QFN封装
  • -40°C至+125°C工作温度范围

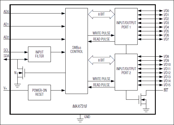
MAX7318是2线接口扩展器,为SMBus™和I²C应用提供16位并行输入/输出(I/O)端口扩展。MAX7318包含输入端口寄存器、输出端口寄存器、极性反转寄存器、配置寄存器、总线超时寄存器以及I²C兼容的串行接口逻辑,它与SMBus兼容。系统主机可以通过写入高电平有效的极性反转寄存器反转MAX7318的输入数据。

16个I/O端口中的任意一个均可配置为输入或输出。上电复位(POR)电路将16个I/O端口初始化为输入端。三个地址选择引脚可将器件配置为64个从机ID地址的任何一个。

MAX7318支持热插入。所有端口引脚、/INT输出、SDA、SCL和从机地址输入AD0–2在断电时(V+ = 0V)保持高阻态,可承受高达6V的电压。

MAX7318采用24引脚SO、SSOP、TSSOP和薄型QFN封装,工作在-40°C至+125°C汽车级温度范围内。

需要SMBus超时功能的应用,请参考MAX7311的数据资料。

应用

  • 工业控制
  • 仪表与试验测量
  • 医疗装置
  • PLC
  • RAID系统
  • 服务器

MAX7318
2线接口、16位输入/输出端口扩展器,带有中断和热插入保护
MAX7318:原理框图
添加至 myAnalog

将产品添加到myAnalog 的现有项目或新项目中(接收通知)。

创建新项目
提问

参考资料

了解更多
添加至 myAnalog

Add media to the Resources section of myAnalog, to an existing project or to a new project.

创建新项目

软件资源


硬件生态系统

部分模型 产品周期 描述
I/O扩展器 9
MAX7312 量产 2线接口、16位、输入/输出端口扩展器,带有中断和热插入保护
MAX7311 量产 2线接口、16位输入/输出端口扩展器,带有中断和热插入保护
MAX7300 量产 2线接口、2.5V至5.5V、20端口或28端口输入/输出扩展器
MAX7301 量产 4线接口、2.5V至5.5V、20端口或28端口输入/输出扩展器
MAX7315 量产 8端口输入/输出扩展器,带有LED亮度控制和中断,提供热插入保护
MAX7316 过期 10端口输入/输出扩展器,带有LED亮度控制和中断,提供热插入保护
MAX7314 量产 18端口GPIO,带有LED亮度控制和中断,提供热插入保护
MAX7313 量产 16端口输入/输出扩展器,带有LED亮度控制和中断,提供热插入保护
MAX7317 量产 10端口、SPI接口输入/输出扩展器,带有过压和热插入保护
LED 驱动器 IC 5
MAX7310 量产 2线接口、8位、输入/输出端口扩展器,带有复位
MAX6956 量产 2线接口、2.5V至5.5V、20端口或28端口LED显示驱动器及输入/输出扩展器
MAX6957 量产 4线接口、2.5V至5.5V、20端口或28端口LED显示驱动器及输入/输出扩展器
MAX6964 量产 17路输出LED驱动器/GPO,带有亮度控制和热插入保护
MAX6965 量产 9路输出LED驱动器,带有亮度控制和热插入保护
Modal heading
添加至 myAnalog

将产品添加到myAnalog 的现有项目或新项目中(接收通知)。

创建新项目

工具及仿真模型


评估套件

MAX7318EVKIT

MAX7318评估板

特性和优点

  • Windows 2000/XP/Vista (32位)兼容的评估软件
  • USB至PC连接器(包含电缆)
  • USB供电
  • 可配置为输入或推挽式输出
  • 经过验证的PCB布局
  • 完全安装并经过测试
  • 无铅并符合RoHS标准
  • 板上按钮开关
  • 板上LED用于演示GPIO的推挽式输出

产品详情

MAX7318评估板(EV kit)提供经过验证的设计,用于评估MAX7318 I²C兼容的16位I/O端口扩展器,每个端口可配置成输入或推挽式输出。评估板还包括Windows® 2000/XP/Vista®兼容软件,提供简便的图形用户界面(GUI),用于演示MAX7318的功能。MAX7318评估板的印刷电路板上(PCB)安装了MAX7318ATG+。

应用

  • 工业控制
  • 仪表与试验测量
  • 医疗装置
  • PLC
  • RAID系统
  • 服务器

MAX7318EVKIT
MAX7318评估板

最新评论

需要发起讨论吗? 没有关于 MAX7318的相关讨论?是否需要发起讨论?

在EngineerZone®上发起讨论

近期浏览