MAX15158Z

量产

高压多相升压控制器

多相升压控制器专为多达四相的大功率升压/反相降压-升压配置而设计

产品技术资料帮助

ADI公司所提供的资料均视为准确、可靠。但本公司不为用户在应用过程中侵犯任何专利权或第三方权利承担任何责任。技术指标的修改不再另行通知。本公司既没有含蓄的允许,也不允许借用ADI公司的专利或专利权的名义。本文出现的商标和注册商标所有权分别属于相应的公司。

Viewing:

概述

  • 宽工作范围
    • 支持升压配置的输入电压范围为8V至76V,支持反相-降压-升压配置的输入电压范围为-8V至-76V
    • 基于输入电压,输出电压范围为3.3V至60V
    • 开关频率范围:120kHz至1MHz
    • 工作温度范围:–40°C至+125°C
    • 支持单相/双相/四相操作
    • 有源相电流平衡控制
  • 高集成度缩小了设计尺寸
    • 内部LDO,用于生成偏置电源
    • 多相多控制器同步和交错
    • 输出电压检测电平转换器
  • 强大的故障保护功能提高了产品质量和可靠性
    • 可调输入欠压闭锁
    • 可调逐周期峰值限流和快速过流保护
    • 可选反馈过压保护
    • 热关断
  • 灵活简单的系统设计
    • 可调斜率补偿
    • 低侧MOSFET栅极监控,实现精确电流检测
    • 使用二极管代替高侧MOSFET时,支持断续导通工作模式
  • 小型5mm x 5mm TQFN封装(0.5mm间距)

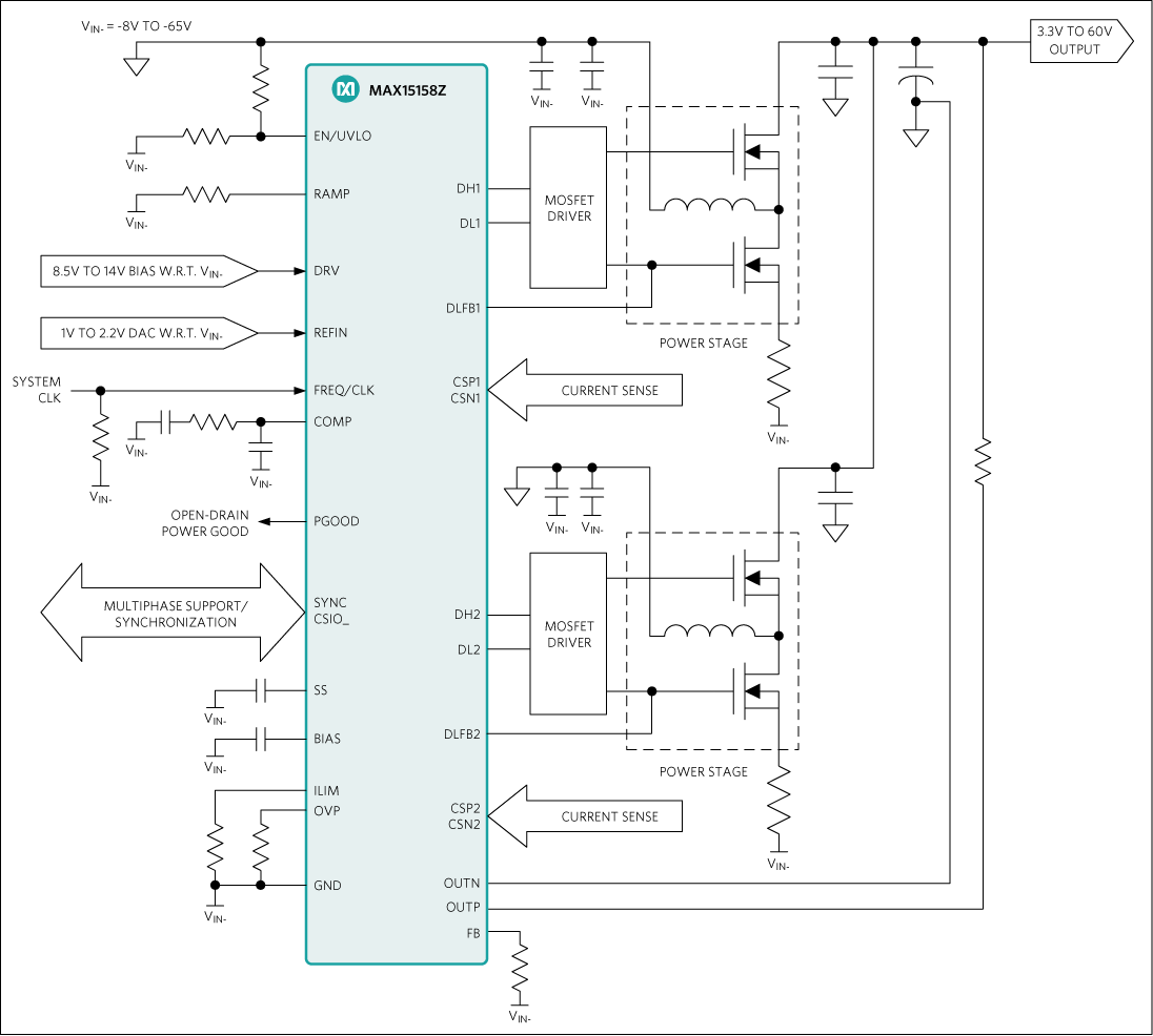
MAX15158Z是一款高压多相升压控制器,采用单相或双相升压/反相-降压-升压配置,支持多达两个MOSFET驱动器和四个外部MOSFET。两个器件可堆叠以实现四相操作。MAX15158Z的输出电压可通过1V至2.2V基准电压输入(REFIN)动态设置,以实现模块化设计。

开关频率的控制方式是通过外部电阻来调节内部振荡器,或将稳压器与外部时钟同步。该器件可支持120kHz至1MHz的开关频率。该控制器具有专门的使能/输入欠压闭锁(EN/UVLO)引脚,用于进行灵活的电源时序配置。

MAX15158Z具有专用的RAMP引脚,用于调节内部斜率补偿。该器件具有可调的过流保护功能。该器件集成了电流检测放大器,可准确测量外部检测电阻上的每相电流,从而实现准确的相位均流。该控制器还提供输出过压、输入欠压和热关断保护功能。

该器件采用5mm x 5mm、32引脚TQFN封装,支持-40°C至125°C结温范围。

 

应用

  • 汽车电子
  • 通信
  • 工业
  • 多相升压

MAX15158Z
高压多相升压控制器
MAX15158Z: Typical Application Circuit
添加至 myAnalog

将产品添加到myAnalog 的现有项目或新项目中(接收通知)。

创建新项目
提问

参考资料

了解更多
添加至 myAnalog

Add media to the Resources section of myAnalog, to an existing project or to a new project.

创建新项目

软件资源

找不到您所需的软件或驱动?

申请驱动/软件

工具及仿真模型

EE-Sim Power®工具 1

EE-Sim DC-DC转换器工具可根据您的要求快速创建完整的电源设计,包括原理图、BOM(采用市售部件)、时域和频域仿真。您可以下载自定义原理图,在独立EE-Sim OASIS仿真器中进一步分析,其中采用SIMPLIS和SIMetrix SPICE引擎。

立即开始EE-Sim

评估套件

MAX15158ZEVKIT

MAX15158Z评估套件

特性和优点

  • 用于反相降压-升压配置的输入电压范围为-8V至-60V
  • 基于输入电压,输出电压范围为3.3V至60V
  • 工作温度范围:–40°C to 125°C
  • 香蕉插口,用于输入和输出电压
  • 可配置输出电压和补偿参数
  • 可调电流限值
  • 装配完成且经过测试

产品详情

MAX15158Z评估套件(EV套件)设计可靠,用于评估MAX15158Z,这是一款高压多相升压控制器,采用单相或双相反相-降压-升压配置,支持多达两个MOSFET驱动器和四个外部MOSFET。该评估套件的工作输入电压范围为-8V至-60V,支持3.3V至60V输出电压范围。该评估套件采用可靠的六层PCB设计,其中配备了MAX15158Z。两个MAX15013用作评估套件的MOSFET驱动器。该评估套件还配有板载降压转换器MAX17552,用于为MAX15158Z和MOSFET驱动器提供10V电源电压。

 

应用

  • 汽车电子
  • 通信
  • 工业
  • 多相升压

MAX15158EVKIT

MAX15158/MAX15158A/MAX15158Z的评估套件

特性和优点

  • 用于反相降压-升压配置的输入电压范围为-8V至-60V
  • 基于输入电压,输出电压范围为3.3V至60V
  • 工作温度范围:-40°C至125°C
  • 香蕉插口,用于输入和输出电压
  • 可配置输出电压和补偿参数
  • 可调电流限值
  • 装配完成且经过测试

产品详情

MAX15158、MAX15158A和MAX15158Z评估套件(EV套件)设计可靠,用于评估MAX15158、MAX15158A和MAX15158Z高压多相升压控制器,这些控制器采用单相或双相反相-降压-升压配置,支持多达两个MOSFET驱动器和四个外部MOSFET。这些评估套件的输入电压范围为-8V至-60V,支持3.3V至60V输出电压范围。这些评估套件采用可靠的六层PCB设计,其中配备了MAX15158、MAX15158A和MAX15158Z。两个MAX15013用作评估套件的MOSFET驱动器。这些评估套件还配有板载降压转换器(MAX17552),用于为MAX15158/MAX15158A/MAX15158Z和MOSFET驱动器提供10V电源电压。

 

应用

  • 汽车电子
  • 通信
  • 工业

MAX15158AEVKIT

MAX15158/MAX15158A/MAX15158Z的评估套件

特性和优点

  • 用于反相降压-升压配置的输入电压范围为-8V至-60V
  • 基于输入电压,输出电压范围为3.3V至60V
  • 工作温度范围:-40°C至125°C
  • 香蕉插口,用于输入和输出电压
  • 可配置输出电压和补偿参数
  • 可调电流限值
  • 装配完成且经过测试

产品详情

MAX15158、MAX15158A和MAX15158Z评估套件(EV套件)设计可靠,用于评估MAX15158、MAX15158A和MAX15158Z高压多相升压控制器,这些控制器采用单相或双相反相-降压-升压配置,支持多达两个MOSFET驱动器和四个外部MOSFET。这些评估套件的输入电压范围为-8V至-60V,支持3.3V至60V输出电压范围。这些评估套件采用可靠的六层PCB设计,其中配备了MAX15158、MAX15158A和MAX15158Z。两个MAX15013用作评估套件的MOSFET驱动器。这些评估套件还配有板载降压转换器(MAX17552),用于为MAX15158/MAX15158A/MAX15158Z和MOSFET驱动器提供10V电源电压。

 

应用

  • 汽车电子
  • 通信
  • 工业

MAX15158ZEVKIT
MAX15158Z评估套件
MAX15158EVKIT
MAX15158/MAX15158A/MAX15158Z的评估套件
MAX15158AEVKIT
MAX15158/MAX15158A/MAX15158Z的评估套件

最新评论

需要发起讨论吗? 没有关于 MAX15158Z的相关讨论?是否需要发起讨论?

在EngineerZone®上发起讨论

近期浏览