LTC3879

量产

快速、宽工作范围、No RSENSE、降压型控制器

产品技术资料帮助

ADI公司所提供的资料均视为准确、可靠。但本公司不为用户在应用过程中侵犯任何专利权或第三方权利承担任何责任。技术指标的修改不再另行通知。本公司既没有含蓄的允许,也不允许借用ADI公司的专利或专利权的名义。本文出现的商标和注册商标所有权分别属于相应的公司。

Viewing:

概述

  • 宽 VIN 范围:4V 至 38V
  • ±1% 0.6V 电压基准
  • 极快的瞬态响应
  • tON(MIN):43ns
  • No RSENSE 谷值电流模式控制
  • 可在采用低 ESR 陶瓷输出电容器 COUT 时稳定
  • 在预偏置输出中支持平滑启动
  • 专为高降压比而优化
  • 可调输出电压软起动或跟踪
  • 电源良好输出电压监视器
  • 双路 N 沟道 MOSFET 同步驱动
  • 可调开关频率
  • 具折返功能的可编程电流限制
  • 输出过压保护
  • 16 引脚 MSOP 和 3mm x 3mm QFN 封装

LTC®3879 是一款同步降压型开关稳压器控制器,专为高开关频率和快速瞬态响应而优化。恒定接通时间谷值电流模式架构允许一个宽输入范围,包括非常低占空比操作。无需采用外部检测电阻器或斜率补偿。系统灵活性通过一个用户可编程软起动引脚和独立的RUN引脚来提供。电压斜坡上升软起动功能可利用一个电容器来设置,或使之跟踪一个外部基准源。

该器件的工作频率由一个外部电阻器来设定,并针对 VIN 中的变化进行了补偿以提供卓越的电压稳定性。不连续模式操作在轻负载条件下提供了高效率。一个强制连续控制引脚使用户能够降低噪声和RF干扰。安全功能包括输出过压保护和具折返的可编程电流限制。电流限值可由用户来设置。

LTC3879 允许的工作范围为 4V 至 38V (在输入端) 和 0.6V 至 90% VIN (在输出端)。LTC3879 采用小外形 16 引脚耐热性能增强型 MSOP 或 3mm x 3mm QFN 封装。

 


Applications

  • 分布式电源系统
  • 嵌入式计算
  • 通信基础设施

 

LTC3879
快速、宽工作范围、No RSENSE、降压型控制器
High Efficiency Step-Down Converter Efficiency vs Load Current Product Package 1 Product Package 2
添加至 myAnalog

将产品添加到myAnalog 的现有项目或新项目中(接收通知)。

创建新项目
提问

参考资料

了解更多
添加至 myAnalog

Add media to the Resources section of myAnalog, to an existing project or to a new project.

创建新项目

软件资源

找不到您所需的软件或驱动?

申请驱动/软件

硬件生态系统

部分模型 产品周期 描述
保护开关和控制器 1
LT4363 推荐用于新设计 具电流限制功能的高电压浪涌抑制器
电路监控器 1
LTC2960 推荐用于新设计 36V、纳安级电流、两输入电压监视器
电源系统管理(PSM)和时序控制器 1
LTC2974 推荐用于新设计 具有精确输出电流的4通道PMBus电源系统管理器
开关稳压器和控制器 1
LTC3880 推荐用于新设计 具有数字电源系统管理功能的双输出 PolyPhase 降压型 DC/DC控制器
Modal heading
添加至 myAnalog

将产品添加到myAnalog 的现有项目或新项目中(接收通知)。

创建新项目

工具及仿真模型

LTspice 1


LTspice中提供以下器件型号:

  • LTC3879
LTspice

LTspice®是一款强大高效的免费仿真软件、原理图采集和波形观测器,为改善模拟电路的仿真提供增强功能和模型。


评估套件

eval board
DC1345A

LTC3879EMSE Demo Board | 4.5V ≤ VIN ≤ 34, VOUT = 1.2V @ 12A

产品详情

Demonstration circuit 1345 is a wide input voltage range, no Rsense step-down dc/dc converter featuring the LTC3879EMSE. Its output voltage is 1.2V with a load rating of 12A and the input voltage range is 4.5V to 34V.



eval board
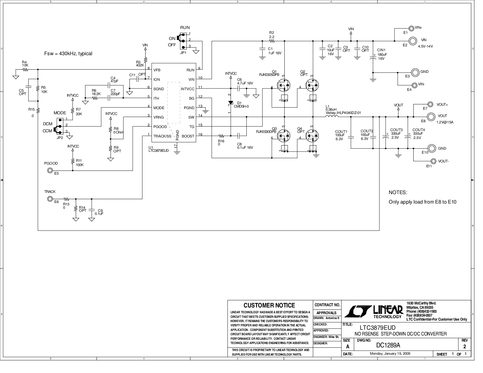
DC1289A

LTC3879EUD Demo Board | No RSENSE, 4.5V ≤ VIN ≤ 14V, VOUT = 1.2V @ 15A

产品详情

Demonstration circuit 1289 is a no RSENSE synchronous step-down DC/DC converter featuring the LTC3879EUD. Its output supplies 1.2V @ 15A and its input voltage range is from 4.5V to 14V.


The LTC3879 allows operation from 4V to 38V at the input and has an output voltage range of 0.6V to 0.9VIN.


 


DC1345A
LTC3879EMSE Demo Board | 4.5V ≤ VIN ≤ 34, VOUT = 1.2V @ 12A
DC1345A - Schematic
DC1289A
LTC3879EUD Demo Board | No RSENSE, 4.5V ≤ VIN ≤ 14V, VOUT = 1.2V @ 15A
DC1289A - Schematic

最新评论

需要发起讨论吗? 没有关于 LTC3879的相关讨论?是否需要发起讨论?

在EngineerZone®上发起讨论

近期浏览