LTC3785

量产

10V、高效率、同步、No RSENSE 降压-升压型控制器

产品技术资料帮助

ADI公司所提供的资料均视为准确、可靠。但本公司不为用户在应用过程中侵犯任何专利权或第三方权利承担任何责任。技术指标的修改不再另行通知。本公司既没有含蓄的允许,也不允许借用ADI公司的专利或专利权的名义。本文出现的商标和注册商标所有权分别属于相应的公司。

Viewing:

概述

  • 单电感器架构允许 VIN 高于、低于或等于VOUT
  • 输入和输出范围为 2.7V 至 10V
  • 效率高达 96%
  • 输出电流高达 10A
  • 全 N 沟道 MOSFET,无检测电阻器 (No RSENSE)
  • 在停机期间实现了真正的输出断接
  • 可编程电流限值和软起动
  • 可选的短路停机定时器
  • 输出过压和欠压保护
  • 可编程频率:100kHz 至 1MHz
  • 可选的突发模式 (Burst Mode®) 控制
  • 采用 24 引脚 (4mm x 4mm) 裸露衬垫 QFN 封装

LTC®3785 是一款高功率同步降压-升压型控制器,可从高于、低于和等于输出电压的输入来驱动全 N 沟道功率 MOSFET。凭借 2.7V 至 10V 的输入范围,LTC3785 非常适合于各种单节或双节锂离子电池或多节碱性/镍氢 (NiMH) 电池应用。

其工作频率可在 100kHz 至 1MHz 范围内进行设置。软起动时间和电流限值也是可编程的。软起动电容器兼用作故障定时器,可将 IC 设置为在一个确定的关断时间之后锁断或再循环。突发模式操作由用户来控制,并可通过把 MODE 引脚驱动至高电平来启用。

保护功能包括折返电流限制、短路保护和过压保护。

 


应用

  • 掌上型电脑
  • 手持式仪器
  • 无线调制解调器
  • 蜂窝电话

 

LTC3785
10V、高效率、同步、No RSENSE 降压-升压型控制器
Efficiency vs Input Voltage Product Package 1
添加至 myAnalog

将产品添加到myAnalog 的现有项目或新项目中(接收通知)。

创建新项目
提问

参考资料

了解更多
添加至 myAnalog

Add media to the Resources section of myAnalog, to an existing project or to a new project.

创建新项目

软件资源

找不到您所需的软件或驱动?

申请驱动/软件

硬件生态系统

部分模型 产品周期 描述
保护开关和控制器 1
LTC4417 推荐用于新设计 确定了优先级的 PowerPath 控制器
Modal heading
添加至 myAnalog

将产品添加到myAnalog 的现有项目或新项目中(接收通知)。

创建新项目

工具及仿真模型

LTspice 1


LTspice中提供以下器件型号:

  • LTC3785
  • LTC3785-1
LTspice

LTspice®是一款强大高效的免费仿真软件、原理图采集和波形观测器,为改善模拟电路的仿真提供增强功能和模型。


评估套件

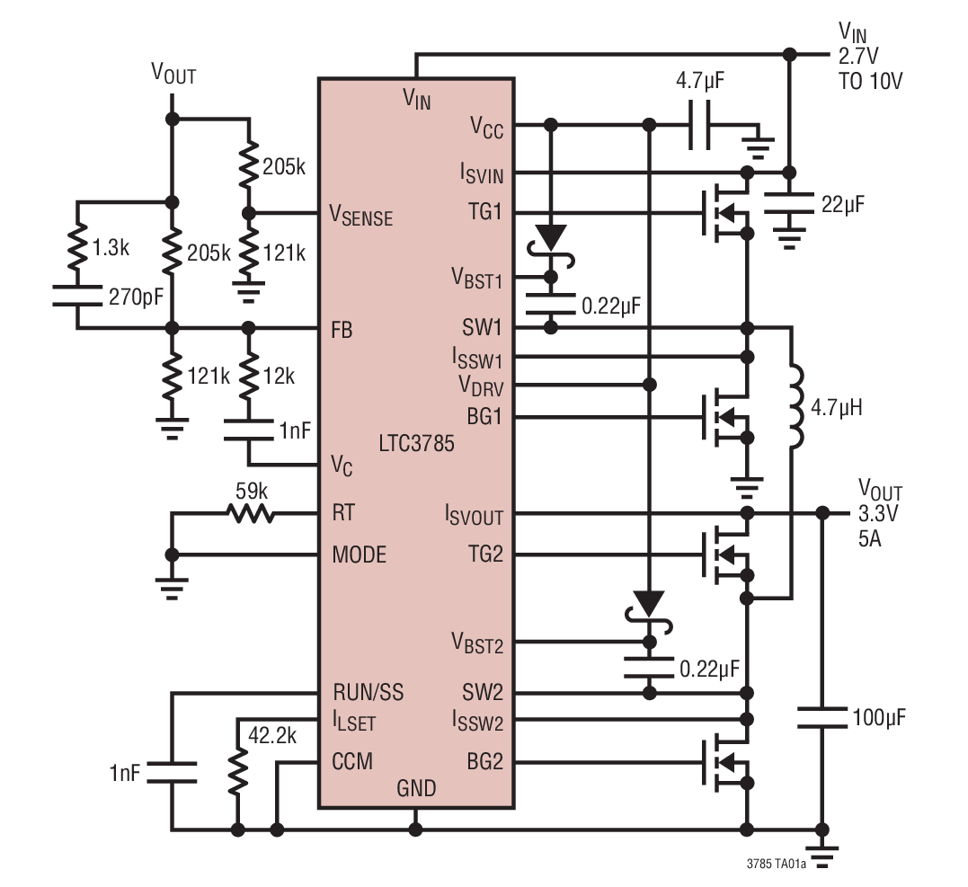
eval board
DC957A

LTC3785EUF演示板 | 无 RSENSE,2.7V ≤ VIN ≤ 10V,VOUT = 3.3V (3A)

产品详情

演示电路957是一款宽输入范围、3.3V / 3.0A输出同步降压-升压控制器,内置LTC3785。该电路旨在演示在降压-升压电源中使用此器件实现的高性能水平、高效率和小尺寸解决方案。其工作频率为500kHz,在2.7至10V输入电压范围内可产生3.3V稳压输出和3.0A电流。它适合便携式应用,占用面积仅0.36平方英寸。同步整流有助于获得高达96%的效率,具体取决于线路和负载。LTC3785提供电流限制和关断断开功能。它提供Burst Mode®工作模式,可在轻负载下实现高效率。

DC957A
LTC3785EUF演示板 | 无 RSENSE,2.7V ≤ VIN ≤ 10V,VOUT = 3.3V (3A)
DC957A - Schematic

最新评论

需要发起讨论吗? 没有关于 LTC3785的相关讨论?是否需要发起讨论?

在EngineerZone®上发起讨论

近期浏览