LTC3443

量产

高电流、微功率、600kHz 同步降压-升压型 DC/DC 转换器

产品技术资料帮助

ADI公司所提供的资料均视为准确、可靠。但本公司不为用户在应用过程中侵犯任何专利权或第三方权利承担任何责任。技术指标的修改不再另行通知。本公司既没有含蓄的允许,也不允许借用ADI公司的专利或专利权的名义。本文出现的商标和注册商标所有权分别属于相应的公司。

Viewing:

概述

  • 可在输入高于、低于或等于输出的情况下提供稳定的输出
  • 单电感器,无肖特基二极管
  • 高效率:达 96%
  • 在突发模式 (Burst Mode®) 操作中具有 28μA 的静态电流
  • 可采用单节锂离子电池提供高达 1.2A 的连续输出电流
  • 在停机模式中提供真正的断接
  • 2.4V 至 5.5V 输入范围
  • 2.4V 至 5.25V 输出范围
  • 600kHz 固定频率操作
  • 可同步振荡器
  • 可选的突发模式或固定频率操作
  • 在停机模式中静态电流 <1μA
  • 小外形的耐热性能增强型 12 引脚 (4mm x 3mm x 0.8mm) DFN 封装

LTC®3443 是一款高效率、固定频率的降压-升压型 DC/DC 转换器,其可采用高于、低于或等于输出电压的输入电压工作。该器件与其前任产品 LTC3441 引脚对引脚兼容,并且具有较低的工作频率 (600kHz) 和一个在突发模式操作期间起作用的 VC 引脚箝位电路。该 IC 所运用的拓扑可提供所有操作模式之间连续转换功能,从而使得该产品非常适合那些输出电压处于电池电压范围内的单节锂离子电池或多节电池应用。

该器件包括两个 0.10Ω N 沟道 MOSFET 开关和两个 0.11Ω P 沟道开关。外部肖特基二极管是任选的,可用于适度效率提升。工作频率在内部设定为 600kHz,并可同步至高达 1.2MHz。在突发模式操作中,静态电流仅为 28µA,从而较大限度延长了便携式应用中的电池使用寿命。突发模式操作由用户控制,并可通过把 MODE/SYNC 引脚驱动至高电平来启用。如果 MODE/SYNC 引脚被驱动至低电平或具有一个时钟,则使能固定频率开关操作。 

该器件的其他特点包括 1μA 的停机电流、软启动控制、热停机和电流限制功能。LTC3443 采用耐热性能增强型 12 引脚 (4mm x 3mm) DFN 封装。


应用

  • 手持式计算机
  • 手持式仪器
  • MP3 播放器
  • 数码相机

LTC3443
高电流、微功率、600kHz 同步降压-升压型 DC/DC 转换器
Li-Ion to 3.3V at 1A Buck-Boost Converter Efficiency vs VIN Product Package 1
添加至 myAnalog

将产品添加到myAnalog 的现有项目或新项目中(接收通知)。

创建新项目
提问

参考资料

了解更多
添加至 myAnalog

Add media to the Resources section of myAnalog, to an existing project or to a new project.

创建新项目

软件资源

找不到您所需的软件或驱动?

申请驱动/软件

工具及仿真模型

LTspice


LTspice中提供以下器件型号:

  • LTC3443
LTspice

LTspice®是一款强大高效的免费仿真软件、原理图采集和波形观测器,为改善模拟电路的仿真提供增强功能和模型。


评估套件

eval board
DC755A

LTC3443EDE | 600kHz、同步降压-升压转换器, 2.4V ≤ VIN ≤ 5.5V, 3.3VOUT (1A)

产品详情

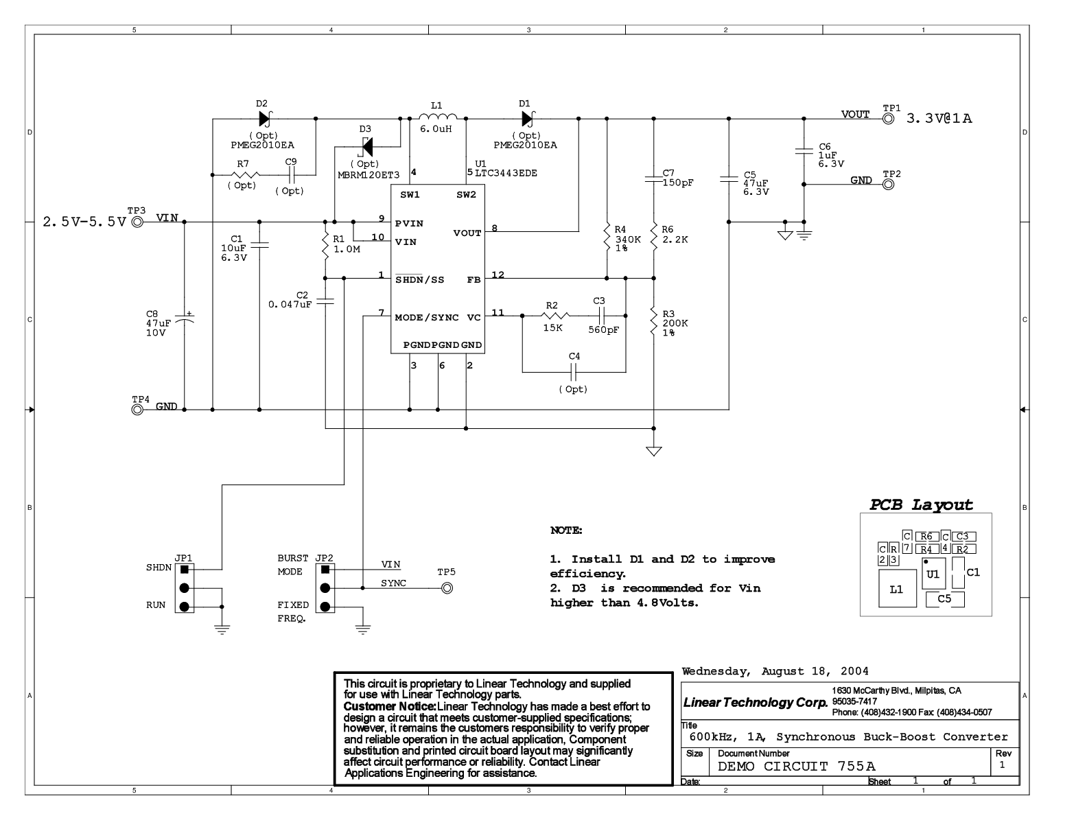
演示电路755是一款采用LTC3443的恒频同步降压-升压转换器。输入电压范围为2.4V至5.5V,使其非常适合单节锂离子或三节NiCd/NiMH电池应用。该转换器提供高达95%的效率,明显高于传统的降压-升压转换器。针对2.5V最小输入电压,该转换器可提供高达1A的负载电流。输出电压设置为3.3V。可通过更改其中一个反馈电阻来获得2.4V至5.25V范围内的不同输出电压。


 


DC755A
LTC3443EDE | 600kHz、同步降压-升压转换器, 2.4V ≤ VIN ≤ 5.5V, 3.3VOUT (1A)
DC755A - Schematic

最新评论

需要发起讨论吗? 没有关于 LTC3443的相关讨论?是否需要发起讨论?

在EngineerZone®上发起讨论

近期浏览