概览
产品详情
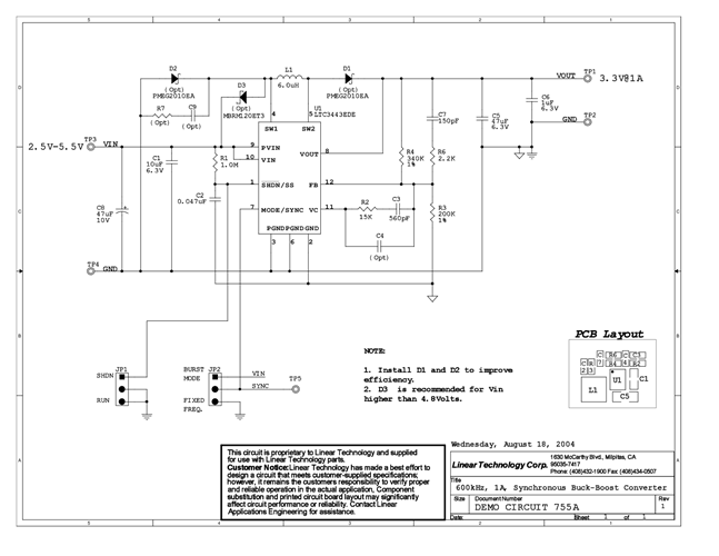
演示电路755是一款采用LTC3443的恒频同步降压-升压转换器。输入电压范围为2.4V至5.5V,使其非常适合单节锂离子或三节NiCd/NiMH电池应用。该转换器提供高达95%的效率,明显高于传统的降压-升压转换器。针对2.5V最小输入电压,该转换器可提供高达1A的负载电流。输出电压设置为3.3V。可通过更改其中一个反馈电阻来获得2.4V至5.25V范围内的不同输出电压。
相关产品
文档
-
DC755A - Schematic2009/9/24PDF91K
-
DC755A - Demo Manual2009/9/24PDF248K
-
DC755A - Design File2009/9/24ZIP730K
