LTC1708-PG

量产

双通道、可调、5 位 VID 高效率、两相、电流模式同步降压型 DC/DC控制器

产品技术资料帮助

ADI公司所提供的资料均视为准确、可靠。但本公司不为用户在应用过程中侵犯任何专利权或第三方权利承担任何责任。技术指标的修改不再另行通知。本公司既没有含蓄的允许,也不允许借用ADI公司的专利或专利权的名义。本文出现的商标和注册商标所有权分别属于相应的公司。

Viewing:

概述

  • 异相控制器降低了输入电容
    和电源感应噪声
  • OPTI-LOOP® 补偿较大限度减小了 COUT
  • 电源良好输出监视两个输出
  • 5 位移动式 VID 控制,VOUT:0.9V 至 2.0V
  • 双 N 沟道 MOSFET 同步驱动
  • ±1% 输出电压准确度
  • DC 编程固定频率:150kHz 至 300kHz
  • 宽 VIN 范围:工作时为 3.5V 至 36V
  • 非常低压差工作:99% 占空比
  • 可调软启动电流斜坡上升
  • 折返输出电流限制
  • 具禁用选项的闭锁短路停机
  • 输出过压保护
  • 远端输出电压采样
  • 低停机电流:20µA
  • 5V 和 3.3V 待用稳压器
  • 可选的恒定频率、突发模式 (Burst Mode®) 和连续操作
 

LTC®1708 是一款双通道、可调 5 位 VID 可编程降压型开关稳压控制器,可驱动全 N 沟道功率 MOSFET 级。一种恒定频率电流模式架构可提供高达 300kHz 频率的调节。通过使两个主控制器输出级异相工作,较大限度降低了由输入电容 ESR 引起的功率损失和噪声。

OPTI-LOOP 补偿的运用使得能够在很宽的输出电容和 ESR 数值范围内优化瞬态响应。精准的 0.8V 基准可兼容下一代微处理器,而且 3.5V 至 30V (最大值为 36V) 的宽输入电源电压范围适用于所有的电池化学组成。当输出电压位于其设定值的 7.5% 以内时,一个电源良好输出将发出指示信号。

用于每个控制器的一个 RUN/SS 引脚提供了软启动和可任选的定时短路停机功能。该器件的其他保护功能包括:内部折返电流限制和一个输出过压撬流电路。强制连续控制引脚 (FCB) 可用于禁止执行突发模式操作,或用于调节第三个反激式输出。

应用

  • 笔记本电脑和掌上型电脑、PDA
  • 便携式仪器

LTC1708-PG
双通道、可调、5 位 VID 高效率、两相、电流模式同步降压型 DC/DC控制器
Figure 1. High Efficiency VID Controlled, 2-Output Step-Down Converter Product Package 1
添加至 myAnalog

将产品添加到myAnalog 的现有项目或新项目中(接收通知)。

创建新项目
提问

参考资料

了解更多
添加至 myAnalog

Add media to the Resources section of myAnalog, to an existing project or to a new project.

创建新项目

软件资源

找不到您所需的软件或驱动?

申请驱动/软件

硬件生态系统

部分模型 产品周期 描述
保护开关和控制器 1
LT4363 推荐用于新设计 具电流限制功能的高电压浪涌抑制器
电路监控器 1
LTC2960 推荐用于新设计 36V、纳安级电流、两输入电压监视器
电源系统管理(PSM)和时序控制器 1
LTC2974 推荐用于新设计 具有精确输出电流的4通道PMBus电源系统管理器
开关稳压器和控制器 1
LTC3880 推荐用于新设计 具有数字电源系统管理功能的双输出 PolyPhase 降压型 DC/DC控制器
Modal heading
添加至 myAnalog

将产品添加到myAnalog 的现有项目或新项目中(接收通知)。

创建新项目

评估套件

eval board
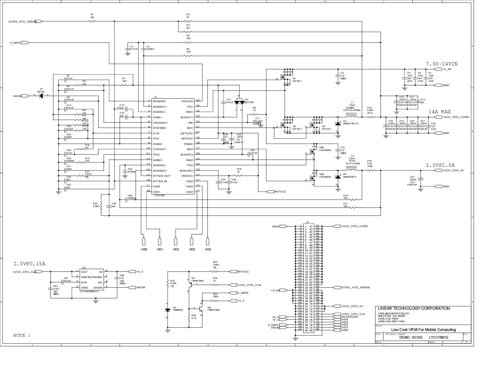
DC302A

LTC1708EG-PG | 用于移动计算的低成本VRM,7.5V至24VIN、1.3V至1.6VOUT(15A)、1.5VOUT(2.5A)和2.5VOUT(0.15A)

产品详情

DC302A:LTC1708-PG双通道可调5位VID高效率、2相电流模式同步降压DC/DC稳压器控制演示板。

DC302A
LTC1708EG-PG | 用于移动计算的低成本VRM,7.5V至24VIN、1.3V至1.6VOUT(15A)、1.5VOUT(2.5A)和2.5VOUT(0.15A)
DC302A - Schematic

最新评论

需要发起讨论吗? 没有关于 LTC1708-PG的相关讨论?是否需要发起讨论?

在EngineerZone®上发起讨论

近期浏览