概览
产品详情
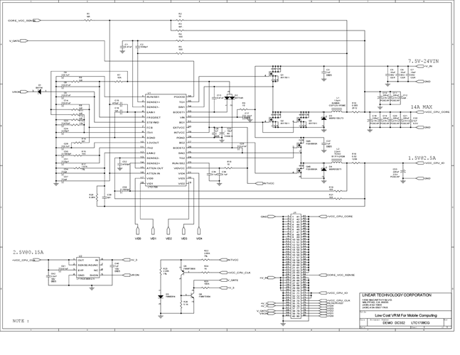
DC302A:LTC1708-PG双通道可调5位VID高效率、2相电流模式同步降压DC/DC稳压器控制演示板。
相关产品
文档
-
DC302A - Schematic2009/9/24PDF80K
-
DC302A - Demo Manual2009/9/24PDF44K
-
DC302A - Design File2009/9/24ZIP821K
