LT3667
推荐用于新设计具有双故障保护 LDO 的 40V、400mA 降压型开关稳压器
- 产品模型
- 12
概述
- 采用单个输入产生三路电源仅需一个电感器
- 无负载时 IQ = 50μA (在 12VIN 至 5V、3.3V 和 2.5V)
- 降压型稳压器:
- 低纹波 (<15mVP-P) 突发模式 (Burst Mode®) 操作
- 利用内部电源开关提供 400mA 输出
- 4.3V 至 40V 输入工作范围 (60V 最大值)
- 双低压差线性稳压器
- 具可编程电流限值的 200mA 输出
- 1.6V 至 45V 输入范围
- 故障保护至 ±45V
- 250kHz 至 2.2MHz 的可调开关频率
- 可同步范围介于 300kHz 和 2.2MHz 之间
- 可编程欠压闭锁
- 电源良好指示器
- 采用耐热性能增强型 16 引脚 MSOP 封装和 24 引脚 (3mm x 5mm) QFN 封装
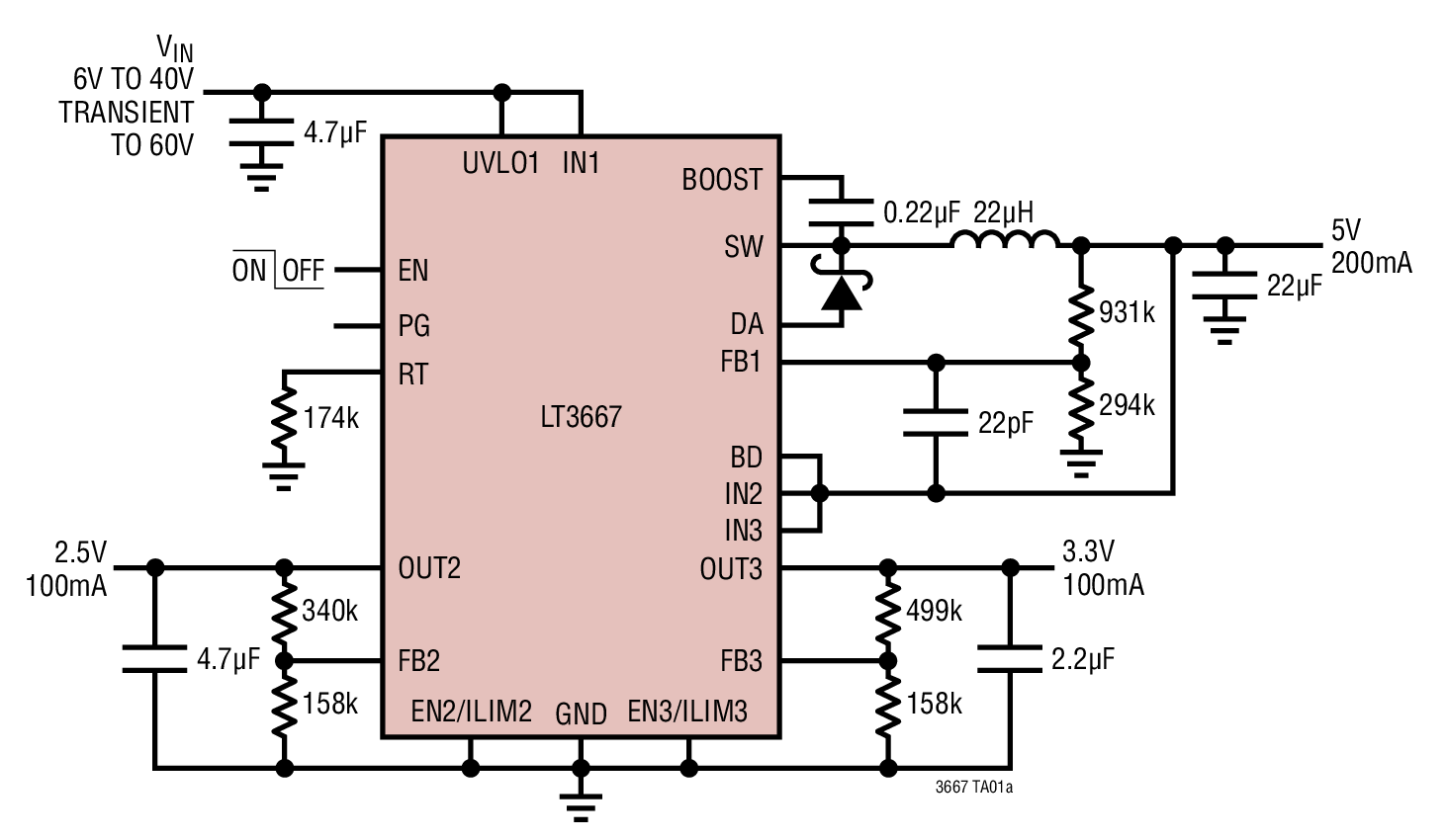
LT®3667 是一款单片式三路电源,其包括一个 400mA 降压型开关稳压器和两个 200mA 低压差线性稳压器 (LDO)。
降压型稳压器包括一个高效率开关、一个升压二极管和必要的振荡器、控制和逻辑电路。电流模式拓扑用于实现快速瞬态响应和优良的环路稳定性。低纹波突发模式操作可在低输出电流条件下保持高效率,并在典型应用中保持输出纹波低于 15mV。
每个 LDO 可提供 200mA 的输出电流和一个 340mV 的典型压差电压,而且每个 LDO 具有一个准确的电阻器可编程电流限值。
内部保护电路包括反向电池保护、电流限制、热限制和反向电流保护。
LT3667 采用耐热性能增强型 16 引脚 MSOP 封装和 24 引脚 3mm x 5mm QFN 封装,具有用于实现低热阻的裸露衬垫
Applications
- 汽车电池调节
- 用于便携式仪表的电源
- 工业电源
- 故障保护传感器电源
参考资料
数据手册 1
可靠性数据 1
用户手册 1
技术文章 1
ADI 始终高度重视提供符合最高质量和可靠性水平的产品。我们通过将质量和可靠性检查纳入产品和工艺设计的各个范围以及制造过程来实现这一目标。出货产品的“零缺陷”始终是我们的目标。查看我们的质量和可靠性计划和认证以了解更多信息。
| 产品型号 | 引脚/封装图-中文版 | 文档 | CAD 符号,脚注和 3D模型 |
|---|---|---|---|
| LT3667EMSE#PBF | 16-Lead MSOP w/ EP | ||
| LT3667EMSE#TRPBF | 16-Lead MSOP w/ EP | ||
| LT3667EUDD#PBF | 24-Lead QFN (3mm x 5mm x 0.75mm w/ EP) | ||
| LT3667EUDD#TRPBF | 24-Lead QFN (3mm x 5mm x 0.75mm w/ EP) | ||
| LT3667HMSE#PBF | 16-Lead MSOP w/ EP | ||
| LT3667HMSE#TRPBF | 16-Lead MSOP w/ EP | ||
| LT3667HUDD#PBF | 24-Lead QFN (3mm x 5mm x 0.75mm w/ EP) | ||
| LT3667HUDD#TRPBF | 24-Lead QFN (3mm x 5mm x 0.75mm w/ EP) | ||
| LT3667IMSE#PBF | 16-Lead MSOP w/ EP | ||
| LT3667IMSE#TRPBF | 16-Lead MSOP w/ EP | ||
| LT3667IUDD#PBF | 24-Lead QFN (3mm x 5mm x 0.75mm w/ EP) | ||
| LT3667IUDD#TRPBF | 24-Lead QFN (3mm x 5mm x 0.75mm w/ EP) |
| 产品型号 | 产品生命周期 | PCN |
|---|---|---|
|
2月 14, 2025 - 25_0016 Bond Wire Change from Gold to Copper Wire (Notification Only) |
||
| LT3667EMSE#PBF | 量产 | |
| LT3667EMSE#TRPBF | 量产 | |
| LT3667EUDD#PBF | 量产 | |
| LT3667EUDD#TRPBF | 量产 | |
| LT3667HMSE#PBF | 量产 | |
| LT3667HMSE#TRPBF | 量产 | |
| LT3667IMSE#PBF | 量产 | |
| LT3667IMSE#TRPBF | 量产 | |
| LT3667IUDD#PBF | 量产 | |
| LT3667IUDD#TRPBF | 量产 | |
|
6月 5, 2024 - 24_0003 Epoxy Change from Henkel 8290 to 8290A for MSOP Package (2) |
||
| LT3667EMSE#PBF | 量产 | |
| LT3667EMSE#TRPBF | 量产 | |
| LT3667HMSE#PBF | 量产 | |
| LT3667HMSE#TRPBF | 量产 | |
| LT3667IMSE#PBF | 量产 | |
| LT3667IMSE#TRPBF | 量产 | |
|
2月 4, 2020 - 20_0132 Laser Top Mark for 16-Lead MSOP Packages Assembled in ADPG and UTAC |
||
| LT3667EMSE#PBF | 量产 | |
| LT3667EMSE#TRPBF | 量产 | |
| LT3667HMSE#PBF | 量产 | |
| LT3667HMSE#TRPBF | 量产 | |
| LT3667IMSE#PBF | 量产 | |
| LT3667IMSE#TRPBF | 量产 | |
|
4月 9, 2025 - 25_0016 Bond Wire Change from Gold to Copper Wire (Notification Only) |
||
| LT3667HUDD#PBF | 量产 | |
| LT3667HUDD#TRPBF | 量产 | |
这是最新版本的数据手册
软件资源
找不到您所需的软件或驱动?
申请驱动/软件硬件生态系统
工具及仿真模型
LTspice 1
LTspice中提供以下器件型号:
- LT3667
LTspice®是一款强大高效的免费仿真软件、原理图采集和波形观测器,为改善模拟电路的仿真提供增强功能和模型。
评估套件
最新评论
需要发起讨论吗? 没有关于 LT3667的相关讨论?是否需要发起讨论?
在EngineerZone®上发起讨论