LT3469

量产

具升压型稳压器的压电式微执行器驱动器

产品技术资料帮助

ADI公司所提供的资料均视为准确、可靠。但本公司不为用户在应用过程中侵犯任何专利权或第三方权利承担任何责任。技术指标的修改不再另行通知。本公司既没有含蓄的允许,也不允许借用ADI公司的专利或专利权的名义。本文出现的商标和注册商标所有权分别属于相应的公司。

Viewing:

概述

放大器

  • 电流限值:±40mA (典型值)
  • 输入共模范围:0V 至 10V
  • 输出电压范围:1V 至 (VCC – 1V)
  • 具高阻抗输出的差分增益级 (gm 级)
  • 静态电流 (从 VCC):2mA
  • 无负载增益:30,000 (典型值)

 

开关稳压器

  • 产生高达 35V 的 VCC
  • 宽工作电源范围:2.5V 至 16V
  • 高开关频率:1.3MHz
  • 内部肖特基二极管
  • 纤巧的外部组件
  • 具内部补偿功能电路的电流模式开关电源
  • 扁平 (仅高 1mm) SOT-23 封装

LT®3469 是一款跨导 (gm) 放大器,该器件能够采用一个 5V 或 12V 电源驱动高达 33V 的输出。一个内部开关稳压器产生一个用于 gm 放大器的升压电源电压。放大器能驱动 5nF 至 300nF 的电容性负载。转换速率仅受限于最大输出电流。开关稳压器的 35V 输出电压能力与放大器的高电源电压相组合,以提供驱动一个压电式微执行器所需的宽输出电压范围。

LT3469 开关稳压器的开关操作频率达 1.3MHz,因而允许使用纤巧型外部组件。输出电容器可小至 0.22μF,与其他替代解决方案相比可节省空间和成本。

LT3469 采用扁平 ThinSOT 封装。


Applications

  • 压电式扬声器
  • 压电式微执行器
  • 变容二极管偏置

LT3469
具升压型稳压器的压电式微执行器驱动器
Piezo Microactuator Driver Response Driving a 33nF Load Product Package 1
添加至 myAnalog

将产品添加到myAnalog 的现有项目或新项目中(接收通知)。

创建新项目
提问

参考资料

数据手册 1

可靠性数据 1

用户手册 1

了解更多
添加至 myAnalog

Add media to the Resources section of myAnalog, to an existing project or to a new project.

创建新项目

软件资源

找不到您所需的软件或驱动?

申请驱动/软件

工具及仿真模型

LTspice


LTspice中提供以下器件型号:

  • LT3469
LTspice

LTspice®是一款强大高效的免费仿真软件、原理图采集和波形观测器,为改善模拟电路的仿真提供增强功能和模型。


评估套件

eval board
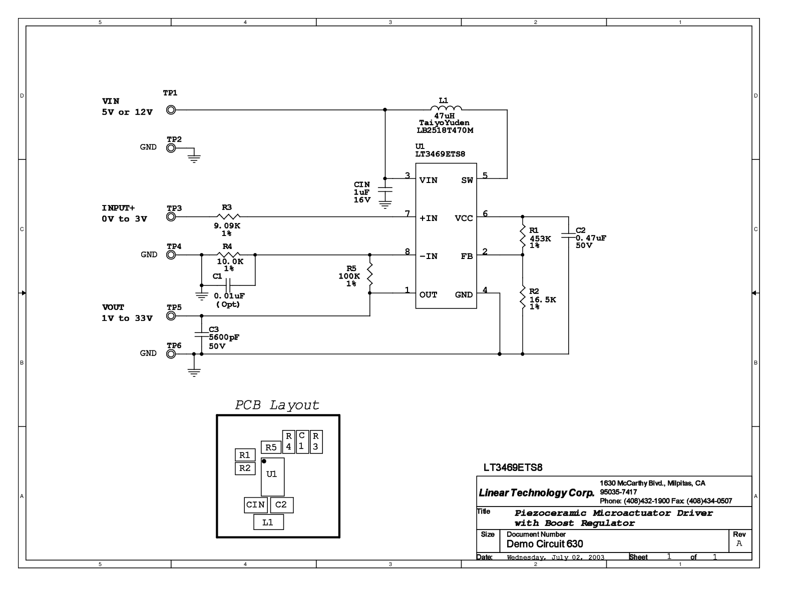
DC630A

LT3469ETS8 | 集成升压稳压器的压电微执行器驱动器,INPUT+,0V至3V,VIN = 5V或12V,VOUT = 1V至33V

产品详情

DC630A:集成升压稳压器的LT3469压电微执行器驱动器演示板。

DC630A
LT3469ETS8 | 集成升压稳压器的压电微执行器驱动器,INPUT+,0V至3V,VIN = 5V或12V,VOUT = 1V至33V
DC630A - Schematic

最新评论

需要发起讨论吗? 没有关于 LT3469的相关讨论?是否需要发起讨论?

在EngineerZone®上发起讨论

近期浏览