文档
-
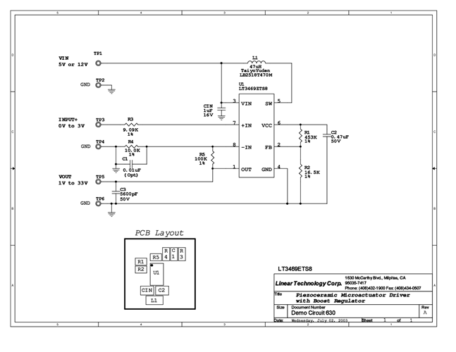
DC630A - Schematic2009/9/24PDF48K
-
DC630A - Demo Manual2009/9/24PDF109K
-
DC630A - Design File2009/9/24ZIP431K
