LT1950
量产具有辅助升压型转换器的单开关 PWM 控制器
- 产品模型
- 4
概述
- 宽输入范围:3V 至 25V
- 可编程伏特-秒箝位
- 输出功率级别从 25W 至 500W
- 辅助升压型转换器可从低至 3V 的 VIN 提供 10V 栅极驱动电压
- 可利用一个外部电阻器设置工作频率 (100kHz 至 500kHz)
- 可编程斜率补偿
- 可编程前沿消隐
- ±2% 内部 1.23V 基准
- 具可编程迟滞的准确停机引脚门限
- 60ns 电流检测延迟
- 2.5V 辅助基准输出
- 可同步至一个频率高达 1.5·fOSC 的外部时钟
- 电流模式控制
- 小外形 16 引脚 SSOP 封装
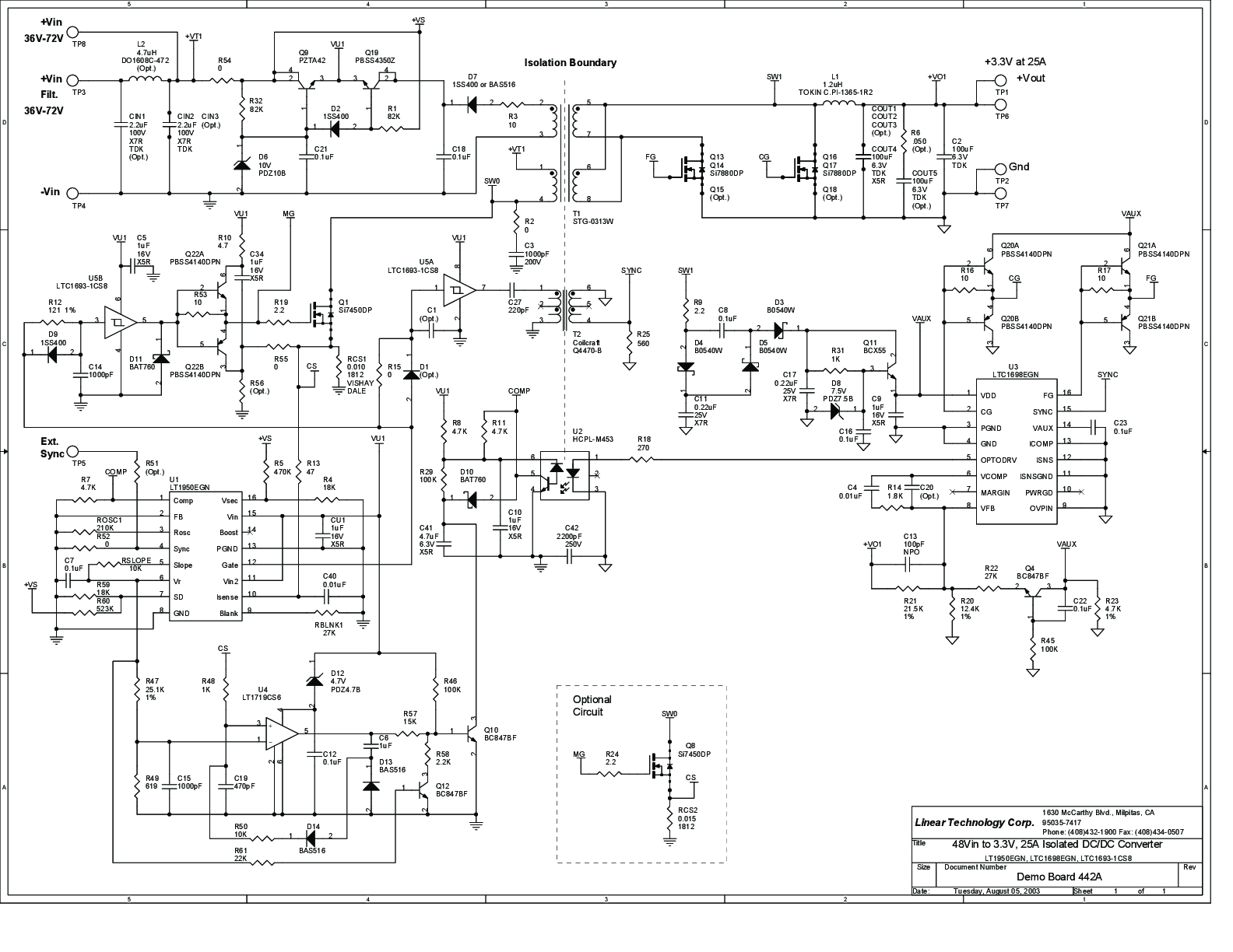
LT®1950 是一款宽输入范围、正激、升压、反激和 SEPIC 型控制器,其用于驱动一个 N 沟道功率 MOSFET,所需的外部组件极少。
一个电阻器可编程占空比箝位可用来产生一个针对正激式转换器应用的伏特-秒箝位。该器件提供了一个内部升压型开关电源,用以产生一个用于输出栅极驱动器的单独电源,能够从低至 3V 的输入电压提供 10V 栅极驱动电压。LT1950 的工作频率可利用一个外部电阻器设置在 100kHz 至 500kHz 的范围内,而一个 SYNC 引脚则使该器件能同步至一个外部时钟。这款器件还拥有用于前沿消隐和斜率补偿的附加可编程性。
一个快速电流检测比较器实现了 60ns 的电流检测延迟,误差放大器是一个真正的电压模式误差放大器,从而提供了多种不同的补偿网络。一个具有可编程迟滞的准确停机引脚门限可用于提供欠压闭锁和停机功能。LT1950 采用小外形 16 引脚 SSOP 封装。
- 电信电源
- 汽车电源
- 便携式电子设备
- 隔离式和非隔离式 DC/DC 转换器
参考资料
数据手册 1
可靠性数据 1
用户手册 1
ADI 始终高度重视提供符合最高质量和可靠性水平的产品。我们通过将质量和可靠性检查纳入产品和工艺设计的各个范围以及制造过程来实现这一目标。出货产品的“零缺陷”始终是我们的目标。查看我们的质量和可靠性计划和认证以了解更多信息。
| 产品型号 | 引脚/封装图-中文版 | 文档 | CAD 符号,脚注和 3D模型 |
|---|---|---|---|
| LT1950EGN#PBF | 16-Lead SSOP (Narrow 0.15 Inch) | ||
| LT1950EGN#TRPBF | 16-Lead SSOP (Narrow 0.15 Inch) | ||
| LT1950IGN#PBF | 16-Lead SSOP (Narrow 0.15 Inch) | ||
| LT1950IGN#TRPBF | 16-Lead SSOP (Narrow 0.15 Inch) |
| 产品型号 | 产品生命周期 | PCN |
|---|---|---|
|
10月 3, 2024 - 24_0235 (QSOP/SSOP PKG) Migrating Bottom Trace Code Marking to Top Side Laser Marking |
||
| LT1950EGN#PBF | 量产 | |
| LT1950EGN#TRPBF | 量产 | |
| LT1950IGN#PBF | 量产 | |
| LT1950IGN#TRPBF | 量产 | |
|
10月 11, 2022 - 22_0235 Epoxy Change from Henkel 8290 to 8290A for GN Package |
||
| LT1950EGN#PBF | 量产 | |
| LT1950EGN#TRPBF | 量产 | |
| LT1950IGN#PBF | 量产 | |
| LT1950IGN#TRPBF | 量产 | |
|
4月 6, 2022 - 22_0066 Laser Top Mark for 16QSOP Assembled in ADPG [PNG] |
||
| LT1950EGN#PBF | 量产 | |
| LT1950EGN#TRPBF | 量产 | |
| LT1950IGN#PBF | 量产 | |
| LT1950IGN#TRPBF | 量产 | |
这是最新版本的数据手册
软件资源
找不到您所需的软件或驱动?
申请驱动/软件工具及仿真模型
LTspice
LTspice中提供以下器件型号:
- LT1950
LTspice®是一款强大高效的免费仿真软件、原理图采集和波形观测器,为改善模拟电路的仿真提供增强功能和模型。
评估套件
最新评论
需要发起讨论吗? 没有关于 LT1950的相关讨论?是否需要发起讨论?
在EngineerZone®上发起讨论