文档
-
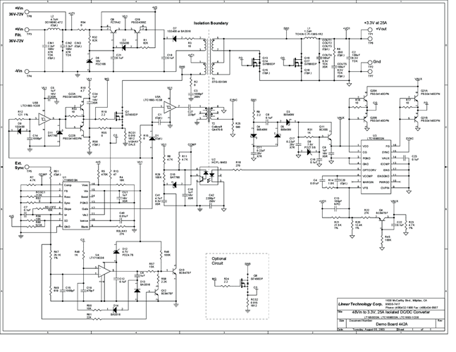
DC442A - Schematic2009/9/24PDF100K
-
DC442A - Demo Manual2009/9/24PDF287K
-
DC442A - Design File2009/9/24ZIP1M
