LT1938

量产

25V、2.2A、2.8MHz 降压型开关稳压器

产品技术资料帮助

ADI公司所提供的资料均视为准确、可靠。但本公司不为用户在应用过程中侵犯任何专利权或第三方权利承担任何责任。技术指标的修改不再另行通知。本公司既没有含蓄的允许,也不允许借用ADI公司的专利或专利权的名义。本文出现的商标和注册商标所有权分别属于相应的公司。

Viewing:

概述

  • 宽输入电压范围:3.6V 至 25V
  • 2.2A 最大输出电流
  • 可调开关频率:300kHz 至 2.8MHz
  • 低停机电流:IQ < 1μA
  • 集成升压二极管
  • 电源良好标记
  • 饱和开关设计:0.18Ω 接通电阻
  • 1.265V 反馈基准电压
  • 输出电压:1.265V 至 20V
  • 软起动能力
  • 小外形 10 引脚耐热增强型 (3mm x 3mm) DFN 封装

LT®1938 是一款可调频率 (300kHz 至 2.8MHz) 单片式降压型开关稳压器,可接受高达 25V 的输入电压。一个高效率 0.18Ω 开关与一个升压肖特基二极管和必需的振荡器、控制和逻辑电路一起被集成在芯片上。采用电流模式拓扑结构来实现快速瞬态响应和上佳的环路稳定性。LT1938 的高工作频率允许使用小的低成本电感器和陶瓷电容器,从而实现了低输出纹波,并较大限度地缩减了解决方案的总尺寸。低电流停机模式把输入电源电流减小至 1μA 以下,而 RUN/SS 引脚上的一个电阻器和电容器则提供了一个受控的输出电压斜坡 (软起动功能)。当 VOUT 达到编程输出电压的 90% 时,一个电源良好标记将发出指示信号。LT1938 采用具有裸露衬垫的 3mm x 3mm DFN 封装,旨在实现低热阻。

 


应用

  • 汽车电池调节
  • 便携式产品电源
  • 分布式电源调节
  • 工业电源
  • 墙上变压器调节

LT1938
25V、2.2A、2.8MHz 降压型开关稳压器
3.3V Step-Down Converter Efficiency (VOUT = 3.3V) Product Package 1
添加至 myAnalog

将产品添加到myAnalog 的现有项目或新项目中(接收通知)。

创建新项目
提问

参考资料

数据手册 1

可靠性数据 1

用户手册 1

了解更多
添加至 myAnalog

Add media to the Resources section of myAnalog, to an existing project or to a new project.

创建新项目

软件资源

找不到您所需的软件或驱动?

申请驱动/软件

硬件生态系统

部分模型 产品周期 描述
保护开关和控制器 1
LT4363 推荐用于新设计 具电流限制功能的高电压浪涌抑制器
电路监控器 1
LTC2960 推荐用于新设计 36V、纳安级电流、两输入电压监视器
电源系统管理(PSM)和时序控制器 1
LTC2974 推荐用于新设计 具有精确输出电流的4通道PMBus电源系统管理器
开关稳压器和控制器 1
LTC3880 推荐用于新设计 具有数字电源系统管理功能的双输出 PolyPhase 降压型 DC/DC控制器
Modal heading
添加至 myAnalog

将产品添加到myAnalog 的现有项目或新项目中(接收通知)。

创建新项目

工具及仿真模型

LTspice 1


LTspice中提供以下器件型号:

  • LT1938
LTspice

LTspice®是一款强大高效的免费仿真软件、原理图采集和波形观测器,为改善模拟电路的仿真提供增强功能和模型。


评估套件

eval board
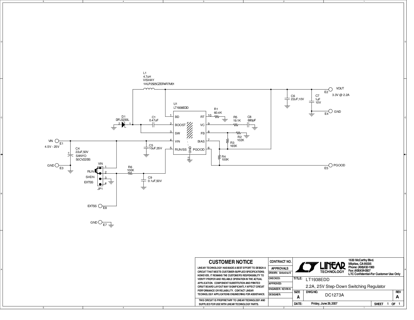
DC1273A

LT1938EDD | 25V. 2.2A, 2.8MHz Step-Down Switching Regulator

产品详情

DC1273A: Demo Board for LT1938 - 25V, 2.2A, 2.8MHz Step-Down Switching Regulator

DC1273A
LT1938EDD | 25V. 2.2A, 2.8MHz Step-Down Switching Regulator
DC1273A - Schematic

最新评论

需要发起讨论吗? 没有关于 LT1938的相关讨论?是否需要发起讨论?

在EngineerZone®上发起讨论

近期浏览