ADP1606

量产

2 MHz、同步升压DC-DC转换器

产品技术资料帮助

ADI公司所提供的资料均视为准确、可靠。但本公司不为用户在应用过程中侵犯任何专利权或第三方权利承担任何责任。技术指标的修改不再另行通知。本公司既没有含蓄的允许,也不允许借用ADI公司的专利或专利权的名义。本文出现的商标和注册商标所有权分别属于相应的公司。

Viewing:

概述

  • 效率高达96%
  • 输入电压范围:0.8 V至VOUT
  • 低至0.9 V的输入启动电压
  • 1.8 V固定输出电压
  • 静态电流:23 μA

  • 提供固定脉冲宽度调制(PWM)和轻载脉冲频率调制(PFM)模式选项
  • 同步整流
  • 真正的关断输出隔离
  • 内部软启动、补偿和限流
  • 2 mm x 2 mm、6引脚LFCSP
  • 紧凑的解决方案

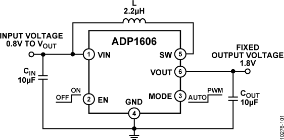
ADP1606/ADP1607是高效、同步、固定频率、升压DC-DC开关转换器,能够提供1.8 V固定输出电压选项和1.8 V至3.3 V可调节输出电压选项,适合便携式应用。

2 MHz的工作频率支持使用小尺寸、薄型外部元件。 此外,凭借同步整流、内部补偿、内部固定限流和电流模式架构可确保出色的瞬态响应和最少的外部器件数量。

其他主要特性包括固定PWM和轻负载PFM模式选项、真正的输出隔离、热关断(TSD)以及逻辑控制使能。 ADP1606/ADP1607采用无铅薄型6引脚LFCSP封装,适合在便携式器件中实现高效节能。

应用

  • 1电池单元和2电池单元碱性及NiMH/NiCd电池供电器件
  • 便携式音频播放器、仪器仪表和医疗器械
  • 太阳能电池应用
  • 小型硬盘电源
  • 电源LED状态指示器

ADP1606
2 MHz、同步升压DC-DC转换器
ADP1606 Functional Block Diagram
添加至 myAnalog

将产品添加到myAnalog 的现有项目或新项目中(接收通知)。

创建新项目
提问

参考资料

了解更多
添加至 myAnalog

Add media to the Resources section of myAnalog, to an existing project or to a new project.

创建新项目

软件资源

找不到您所需的软件或驱动?

申请驱动/软件

工具及仿真模型

LTspice


LTspice中提供以下器件型号:

  • ADP1606
LTspice

LTspice®是一款强大高效的免费仿真软件、原理图采集和波形观测器,为改善模拟电路的仿真提供增强功能和模型。


评估套件

EVAL-ADP1606

ADP1606/ADP1607 评估板

产品详情

ADP1606/ADP1607是高效率、同步、固定频率、升压DC-DC开关转换器,适合便携式应用。

ADP1606/ADP1607评估板属于完全升压DC-DC开关转换器应用,选用的元件可在全输入电压和负载范围内工作。 ADP1606评估板具有1.8 V固定输出电压,无需使用外部电阻。 ADP1607评估板设置为可自动在PFM和PWM模式间转换(ADP1607-EVALZ),或者设置为仅PWM的固定工作模式(ADP1607-001-EVALZ)。 通过改变反馈电阻R1和R2,可将ADP1607评估板调节为不同的输出电压。

2 MHz的工作频率支持使用小尺寸、薄型外部元件。 此外,凭借同步整流、内部补偿、内部固定限流和电流模式架构可确保出色的瞬态响应和最少的外部器件数量。 其他主要特性包括固定PWM和轻负载PFM模式选项、真正的输出隔离、热关断(TSD)以及逻辑控制使能。

本用户指南包括ADP1606/ADP1607升压转换器评估板的输入/输出说明、设置说明、原理图和印刷电路板(PCB)布局图。

有关ADP1606/ADP1607的完整规格,请参见 ADP1606/ ADP1607 数据手册;使用评估板时,数据手册应连同本文档一并参考。

EVAL-ADP1606
ADP1606/ADP1607 评估板

最新评论

近期浏览