Quantic X-Microwave

ADI RF和微波元件作为Quantic X-Microwave的插入式X-MWblocks®提供。

获取此器件的X-MWblock®插入式模块。

ADF4360-5

量产

集成式整数N分频频率合成器和VCO - 输出频率1200至1400

产品技术资料帮助

ADI公司所提供的资料均视为准确、可靠。但本公司不为用户在应用过程中侵犯任何专利权或第三方权利承担任何责任。技术指标的修改不再另行通知。本公司既没有含蓄的允许,也不允许借用ADI公司的专利或专利权的名义。本文出现的商标和注册商标所有权分别属于相应的公司。

Viewing:

概述

  • 输出频率范围:1,200MHz至1,400MHz
  • 2分频输出
  • 3.0V至3.6V电源供电
  • 1.8V逻辑兼容
  • 整数N分频频率合成器
  • 可编程双模预分频器:8/9、16/17、32/33
  • 可编程的输出功率
  • 三线式串行接口
  • 模拟和数字锁定检测
  • 硬件和软件关断模式

ADF4360-5是一款完全集成式整数N分频频率合成器和电压控制振荡器(VCO),设计的中心频率为1,300 MHz。此外,该器件还提供2分频选项,用户可以利用它获得600MHz至700MHz的RF输出。所有片内寄存器均通过简单的三线式接口进行控制。该器件采用3.0V至3.6V电源供电,不用时可以关断。

ADF4360-5
集成式整数N分频频率合成器和VCO - 输出频率1200至1400
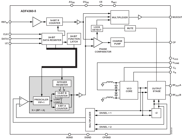
ADF4360-5 Functional Block Diagram ADF4360-5 Pin Configuration
添加至 myAnalog

将产品添加到myAnalog 的现有项目或新项目中(接收通知)。

创建新项目
提问

参考资料

了解更多
添加至 myAnalog

Add media to the Resources section of myAnalog, to an existing project or to a new project.

创建新项目

软件资源


硬件生态系统

部分模型 产品周期 描述
RF混频器 2
ADL5801 推荐用于新设计 高IP3、10 MHz 至6 GHz 有源混频器
ADL5802 推荐用于新设计 双通道、高IP3、100 MHz ~ 6 GHz有源混频器
比较器 1
LTC6957 低相位噪声、双输出缓冲器 / 驱动器 / 逻辑转换器
调制器和解调器 2
ADL5375 量产 400 MHz 至6 GHz 宽带正交调制器
ADL5380 推荐用于新设计 400 MHz 至6000 MHz 正交解调器
分频器与倍频器 1
ADF5001 量产 4GHz 至18GHz _4分频预分频器
开关稳压器和控制器 1
ADP1613 量产 650 kHz /1.3 MHz升压PWM DC-DC开关转换器,电流限值为2.0 A
锁相环(PLL)频率合成器 1
ADF4002 推荐用于新设计 鉴相器/PLL频率合成器
线性稳压器 3
ADP151 量产 超低噪声 200 mA CMOS 线性稳压器
ADP150 量产 超低噪声、150 mA CMOS线性调节器
ADP3334 不推荐用于新设计 高精度、低IQ、500 MA ANYCAP®可调低压差稳压器
运算放大器 1
OP184 量产 单电源、轨到轨输入/输出运算放大器
Modal heading
添加至 myAnalog

将产品添加到myAnalog 的现有项目或新项目中(接收通知)。

创建新项目

工具及仿真模型

ADIsimRF

ADIsimRF是一款简单易用的RF信号链计算工具。可以计算和导出多达50级的信号链级联增益、噪声、失真和功耗并绘制其曲线。ADIsimRF还包括丰富的ADI射频和混合信号元件的器件模型数据库。

打开工具

ADIsimPLL™

ADIsimPLL可以对ADI公司最新的高性能PLL产品进行快速、可靠的评估。它是目前最全面的PLL频率合成器设计和仿真工具,可实现所有对PLL性能有显著影响的重要非线性效应仿真。ADIsimPLL可以免去设计过程中的至少一项重复劳动,从而加快上市速度。

打开工具

评估套件

eval board
EVAL-ADF4360-5

ADF4360-5 评估板

特性和优点

  • 用于生成RF频率的独立自足式评估板
  • 可灵活设置基准输入、PFD频率和环路带宽
  • 利用随附软件可通过PC完全控制频率合成器功能
  • USB/电池供电型9 V电源
  • 典型相位噪声性能:-141 dBc/Hz(3 MHz偏移)
  • 典型杂散性能:-65dBc(200 kHz偏移,1.3 GHz输出)

产品详情

ADF4360-5EBZ1评估板旨在评估由集成式PLL和VCO组成的频率合成器ADF4360-5的性能。该评估板包含ADF4360-5BCPZ、USB连接器以及用于RF输出的SMA连接器。未填充的SMA外形尺寸适合配置电源、芯片使能(CE)和外部基准输入。该评估板还包含环路滤波器以构成PLL。必要时可根据用户的PLL要求进行修改。该板随附USB电缆以便通过PC进行软件编程。

该封装还包含带Windows®软件的CD,可对该频率合成器轻松、快速编程。该CD包含其他PLL数据手册、技术笔记、文章和ADIsimPLL™ V3.4(ADI公司PLL仿真软件)。如需了解更多信息,请访问:www.analog.com/pll

EVAL-ADF4360-5
ADF4360-5 评估板
ADF4360 Evaluation Board ADF4360 Evaluation Board - Top View ADF4360 Evaluation Board - Bottom View

最新评论

需要发起讨论吗? 没有关于 ADF4360-5的相关讨论?是否需要发起讨论?

在EngineerZone®上发起讨论

近期浏览