eshop-promo-banner

ADI 中国本地化订购服务全面启动
正品现货、一片起订,更有人民币快捷支付免除报关烦恼!

点击查看详情

LTC6957

最后购买期限

低相位噪声、双输出缓冲器 / 驱动器 / 逻辑转换器

产品技术资料帮助

ADI公司所提供的资料均视为准确、可靠。但本公司不为用户在应用过程中侵犯任何专利权或第三方权利承担任何责任。技术指标的修改不再另行通知。本公司既没有含蓄的允许,也不允许借用ADI公司的专利或专利权的名义。本文出现的商标和注册商标所有权分别属于相应的公司。

Viewing:

概述

  • 低相位噪声缓冲器 / 驱动器
  • 正弦波信号至逻辑电平的优化转换
  • 可提供 3 种逻辑输出类型 
    • LVPECL 
    • LVDS 
    • CMOS
  • 附加的抖动:45fsRMS (LTC6957-1)
  • 频率范围高达 300MHz
  • 3.15V 至 3.45V 电源操作
  • 低摆率 3ps (典型值)
  • 全面规格在 –40°C 至 125°C
  • 12 引脚 MSOP 封装和 3mm x 3mm DFN 封装

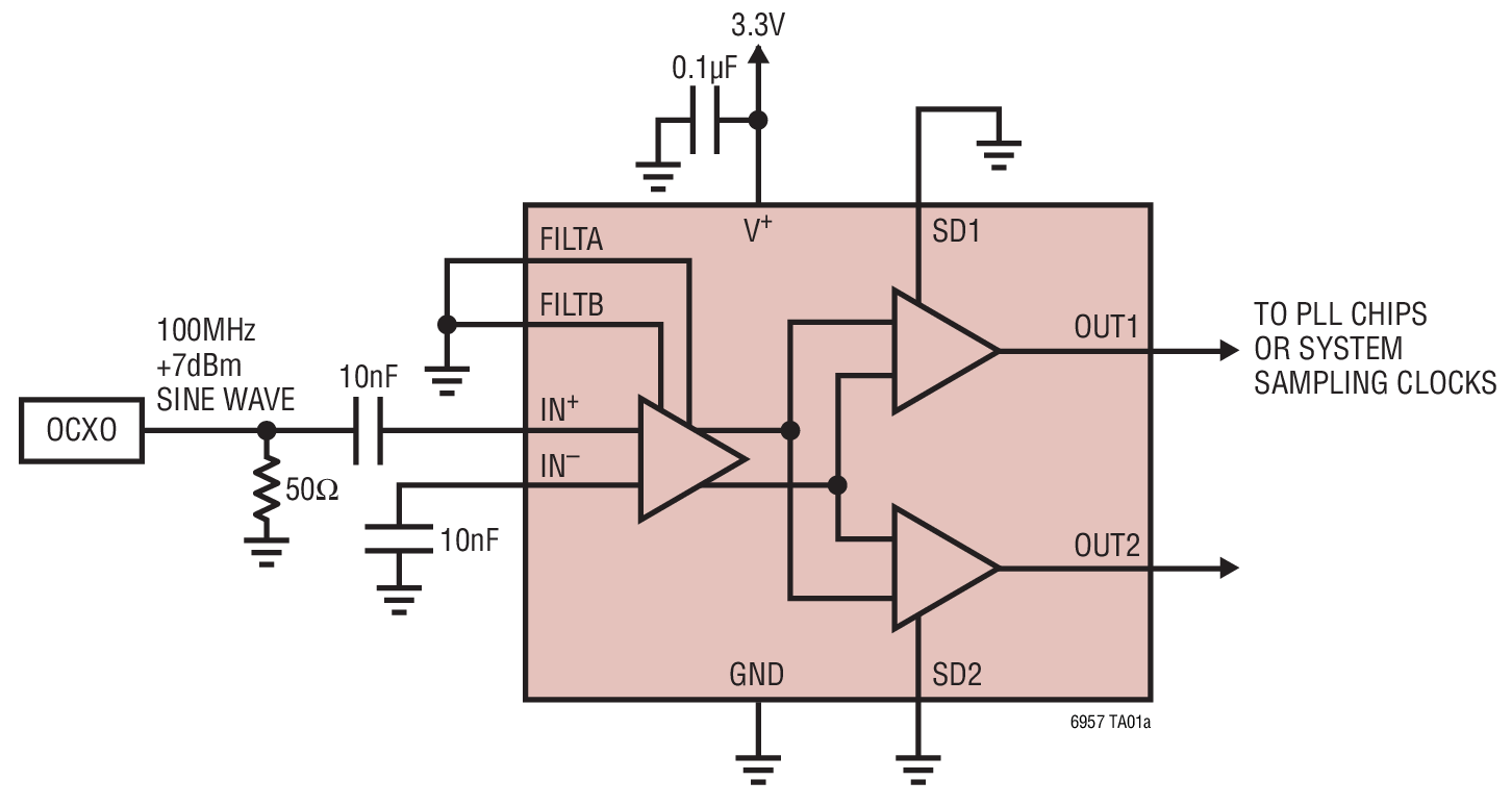
LTC®6957-1 / LTC6957-2 / LTC6957-3 / LTC6957-4 是一个非常低相位噪声、双输出 AC 信号缓冲器 / 驱动器 / 逻辑电平转换器系列。输入信号可以是一个正弦波或任何逻辑电平 (≤ 2VP-P)。该系列包括以下 4 个具有不同输出逻辑信号类型的成员:

     LTC6957-1:LVPECL 逻辑输出

     LTC6957-2:LVDS 逻辑输出

     LTC6957-3:CMOS 逻辑,同相输出

     LTC6957-4:CMOS 逻辑,互补型输出

LTC6957 将以极低的附加噪声进行任何逻辑信号的缓冲和分配,不过,在把正弦波信号转换为逻辑电平方面,该器件相比于同类产品确实更胜一筹。初始放大级具有可选的低通滤波,以较大限度地抑制噪声,同时仍然对信号实施放大以增加其摆率。当采用缓慢摆率的输入信号 (例如:一个典型的 10MHz 正弦波系统基准) 时,该输入级滤波 / 噪声限制特别有助于提供相位噪声尽可能低的信号。


应用

  • 系统基准频率分配
  • 高速 ADC、DAC、DDS 时钟驱动器
  • 军事和安全无线电
  • 低噪声定时触发器
  • 宽带无线收发器
  • 高速数据采集
  • 医学成像
  • 测试和测量

LTC6957
低相位噪声、双输出缓冲器 / 驱动器 / 逻辑转换器
Additive Phase Noise at 100MHz Product Package 1 Product Package 2 Product Package 3 Product Package 4
添加至 myAnalog

将产品添加到myAnalog 的现有项目或新项目中(接收通知)。

创建新项目
提问

参考资料

了解更多
添加至 myAnalog

Add media to the Resources section of myAnalog, to an existing project or to a new project.

创建新项目

软件资源

找不到您所需的软件或驱动?

申请驱动/软件

硬件生态系统

部分模型 产品周期 描述
模数转换器(ADC) 1
LTC2157-14 量产 双通道、14 位、250Msps ADC
锁相环(PLL)频率合成器 3
LTC6950 过期 具有时钟分配功能的 1.4GHz 低相位噪声、低抖动 PLL
LTC6946 最后购买期限 具集成型 VCO 的超低噪声及杂散 0.37GHz 至 6.39GHz 整数 N 合成器
LTC6948 最后购买期限 具集成型 VCO 的超低噪声 0.37GHz 至 6.39GHz 分数 N 合成器
Modal heading
添加至 myAnalog

将产品添加到myAnalog 的现有项目或新项目中(接收通知)。

创建新项目

工具及仿真模型


评估套件

eval board
AD-SYNCHRONA14-EBZ

多通道系统时钟器件

特性和优点

处理系统

  • 树莓派4,ARM Cortex-A72,2GB SDRAM

用户界面

  • 千兆以太网
  • 2 × USB 3.0端口
  • 2 × USB 2.0端口
  • SPI接口
  • GPIO
  • 2个双色LED
  • 引脚接头

时钟处理器件

  • HMC7044(高性能、3.2 GHz、14路输出抖动衰减器)
  • AD9545(1 PPS同步器和自适应时钟转换器)

时钟输出

  • 4 x TWINAX LVPECL交流和直流耦合,100Ω差值
  • 2 x SMA LVPECL交流耦合*
  • 4 x SMA CMOS*
  • 4 x SMA LVDS交流耦合*

*可配置差分输出,50Ω差值

时钟输入

  • 3个差分100Ω SMA时钟输入
  • PPS输入
  • SYNC输入
  • 10MHz输入

内部基准电压源

  • 100Mhz和122.88Mhz超低相位噪声VCXO (-165dBc/Hz)
  • 40Mhz和38.4Mhz TCXO (±1ppm) 50MHz OCXO(+/- 10ppb)
  • 内部基准电压源可通过软件配置

电源

  • DC 12V、3A插孔

产品详情

需要高度精准的频率和相位控制时钟源。该器件基于ADI AD9545和HMC7044而设计,大大简化了复杂系统中的时钟分配和多通道同步。该器件设计供训练有素的专业人员在实验室环境中使用,并不作为最终产品进行商用。它可以作为完整的基准电压源设计,且可以根据需要自定义,用在任何最终客户应用中。用户可以免费获取完整的设计详细信息。

AD-SYNCHRONA14-EBZ采用1U机械式外壳。配备常用的工业连接器SMA和TwinAX接口,大多数实验室都配有所需电缆。

利用其内置OCXO,它可以采用独立模式工作,或者使用外部电源供电,例如3个独立的高速差分时钟输入、一个10MHz基准电压源和1PPS。除了这种灵活性之外,它还能够选择100MHz或122.88MHz内部VCXO选项,由此而提供了无尽的相关频率选择,以及多种应用所需的精度。

应用

  • 高精度参考时钟分配
  • 由单个电源提供时钟的系统
  • 时钟由100MHz或122.88MHz供电
  • 相控阵系统、雷达、电子战、卫星通信、SDR
  • 基准测试设备
  • 遥控操作

eval board
DC1765A-B

LTC6957HMS-2 Demo Board | Low Phase Noise, Dual Output Buffer/Driver/Logic Converter with LVDS Outputs

产品详情

DC1765A-B: Demo Board for the LTC6957 Low Phase Noise, Dual Output Buffer/Driver/Logic Converter.

eval board
DC1766A-B

LTC6957HMS-4 Demo Board | Low Phase Noise, Dual Output Buffer/Driver/Logic Converter with Complementary CMOS Outputs

产品详情

DC1766A-B: Demo Board for the LTC6957 Low Phase Noise, Dual Output Buffer/Driver/Logic Converter.

eval board
DC1765A-A

LTC6957HMS-1 Demo Board | Low Phase Noise, Dual Output Buffer/Driver/Logic Converter with LVPECL Outputs

产品详情

DC1765A-A: Demo Board for the LTC6957 Low Phase Noise, Dual Output Buffer/Driver/Logic Converter.

eval board
DC1766A-A

LTC6957HMS-3 Demo Board | Low Phase Noise, Dual Output Buffer/Driver/Logic Converter with In-Phase CMOS Outputs

产品详情

DC1766A-A: Demo Board for the LTC6957 Low Phase Noise, Dual Output Buffer/Driver/Logic Converter.

AD-SYNCHRONA14-EBZ
多通道系统时钟器件
AD-SYNCHRONA14-EBZ Evaluation Board - Front View AD-SYNCHRONA14-EBZ Evaluation Board Evaluation Board - Back View AD-SYNCHRONA14-EBZ Evaluation Board
DC1765A-B
LTC6957HMS-2 Demo Board | Low Phase Noise, Dual Output Buffer/Driver/Logic Converter with LVDS Outputs
DC1765A-B Demo Board DC1765A-B Demo Board DC1765A-B Demo Board DC1765A-B Demo Board DC1765A-A - Schematic
DC1766A-B
LTC6957HMS-4 Demo Board | Low Phase Noise, Dual Output Buffer/Driver/Logic Converter with Complementary CMOS Outputs
DC1766A-B Demo Board DC1766A-B Demo Board DC1766A-B Demo Board DC1766A-B Demo Board DC1766A-A - Schematic
DC1765A-A
LTC6957HMS-1 Demo Board | Low Phase Noise, Dual Output Buffer/Driver/Logic Converter with LVPECL Outputs
DC1765A-A Demo Board DC1765A-A Demo Board DC1765A-A Demo Board DC1765A-A Demo Board DC1765A-A - Schematic
DC1766A-A
LTC6957HMS-3 Demo Board | Low Phase Noise, Dual Output Buffer/Driver/Logic Converter with In-Phase CMOS Outputs
DC1766A-A Demo Board DC1766A-A Demo Board DC1766A-A Demo Board DC1766A-A Demo Board DC1766A-A - Schematic

最新评论

需要发起讨论吗? 没有关于 LTC6957-1的相关讨论?是否需要发起讨论?

在EngineerZone®上发起讨论

近期浏览