MAX38890

推荐用于新设计

适合备用电源应用的2.5V至5.5V、5A可逆降压/升压稳压器

产品技术资料帮助

ADI公司所提供的资料均视为准确、可靠。但本公司不为用户在应用过程中侵犯任何专利权或第三方权利承担任何责任。技术指标的修改不再另行通知。本公司既没有含蓄的允许,也不允许借用ADI公司的专利或专利权的名义。本文出现的商标和注册商标所有权分别属于相应的公司。

Viewing:

概述

  • 系统输出电压范围:2.5V 至 5.5V
  • 超级电容电压范围:0.5V 至 5.5V
  • 阈值精度为 ±1%
  • 备用和充电之间的滞回:2.5%
  • 峰值电感限流值:1A 至 5A
    • 峰值电感电流可通过外部电阻在 1A 至 5A 范围内进行引脚编程
  • 充电或放电模式下的峰值效率:94%
  • 就绪状态下的静态电流:4μA
    • 超级电容充电后,静态电流消耗仅为 4μA
  • 就绪和备用状态输出
    • RDY 和 BKB 标志为系统提供实时状态
  • 3mm x 3mm、16 引脚 TQFN 封装

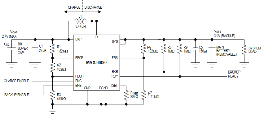
MAX38890是一款灵活的储能电容或电容组备用稳压器,可在储能元件和系统电源轨之间高效传输电源。

当存在主电源且其电压高于最小阈值系统电源电压时,该稳压器以充电模式工作,并以最大5A峰值电流、2.5A平均电感电流为储能元件充电。储能元件充电后,电路电流消耗仅为4μA,同时将储能元件保持在就绪状态。超级电容需要充满电才能启用备用操作。

当主电源被移除时,该稳压器可防止系统降至设定的系统备用工作电压以下,通过以最大5A峰值电感电流对储能元件放电,将超级电容电压升压至VSYS稳压。在这种备用工作模式下,MAX38890采用自适应导通时间、限流、脉冲频率调制(PFM)控制方案。一旦MAX38890处于备用模式,BKB标志即置为低电平。

外部引脚支持各种设置,例如最大超级电容电压、系统备用电压(VSYS)以及峰值电感充电和放电电流。MAX38890实现了True ShutdownTM功能,可在VCAP > VSYS时断开SYS与CAP的连接,并防止SYS短路。

通过将ENC和ENB引脚保持为低电平,可以分别禁用充电和备用。备用系统状态可通过两个状态输出进行监控:超级电容充电时的RDY指示标志和发生备用操作的BKB指示标志。

应用

  • 手持式工业设备
  • 带可拆卸电池的便携式设备/计算机
  • 工业传感器和执行器
  • 汽配跟踪

MAX38890
适合备用电源应用的2.5V至5.5V、5A可逆降压/升压稳压器
MAX38890 Simplified Application Diagram MAX38890 Pin Configuration
添加至 myAnalog

将产品添加到myAnalog 的现有项目或新项目中(接收通知)。

创建新项目
提问

参考资料

了解更多
添加至 myAnalog

Add media to the Resources section of myAnalog, to an existing project or to a new project.

创建新项目

软件资源

找不到您所需的软件或驱动?

申请驱动/软件

工具及仿真模型

EE-Sim Power®工具 1

EE-Sim DC-DC转换器工具可根据您的要求快速创建完整的电源设计,包括原理图、BOM(采用市售部件)、时域和频域仿真。您可以下载自定义原理图,在独立EE-Sim OASIS仿真器中进一步分析,其中采用SIMPLIS和SIMetrix SPICE引擎。

立即开始EE-Sim

SIMPLIS Models 1


评估套件

eval board
MAX38890AEVKIT

MAX38890 3.0V 备用电压应用评估套件

特性和优点

  • 系统输出电压范围:2.5V 至 5.5V
  • 超级电容电压范围:0.5V 至 5.5V
  • 充电和备用模式的最大峰值电感限流值:5A
  • VSYS、VCAP 电压可通过电阻调节
  • 充电和备用电流可通过电阻调节
  • 经过验证的双层 2oz 铜基 PCB 布局
  • 演示紧凑型解决方案尺寸
  • 全面装配且经过测试

产品详情

MAX38890A 评估套件(EV 套件)可评估用于在超级电容和系统电源轨之间传输功率的 MAX38890 超级电容备用稳压器。当存在主电池且系统电压高于最低系统充电电压时,MAX38890 以 2.5A 的最大平均电流为超级电容充电。

超级电容充电后,电路电流消耗仅为 4μA,同时将超级电容保持在就绪状态。当主电池被移除时,MAX38890 从超级电容获取电源,并以 5A 的编程最大峰值电感电流将系统电压调节至设定的备用电压。MAX38890 可从外部对最大超级电容电压、系统备用电压、峰值充电和备用电感电流进行编程。

MAX38890AEVKIT
MAX38890 3.0V 备用电压应用评估套件
MAX38890AEVKIT Board Photo Angle MAX38890AEVKIT Board Photo Top MAX38890AEVKIT Board Photo Bottom

最新评论

需要发起讨论吗? 没有关于 MAX38890的相关讨论?是否需要发起讨论?

在EngineerZone®上发起讨论

近期浏览