MAX20363

量产

PPG Optimized Buck-Boost Converter with 500mA Output Current and Ultra-Fast DVS Capability

产品技术资料帮助

ADI公司所提供的资料均视为准确、可靠。但本公司不为用户在应用过程中侵犯任何专利权或第三方权利承担任何责任。技术指标的修改不再另行通知。本公司既没有含蓄的允许,也不允许借用ADI公司的专利或专利权的名义。本文出现的商标和注册商标所有权分别属于相应的公司。

Viewing:

概述

  • Extend System Runtime
    • Ultra-fast dynamic voltage scaling with direct AFE control
    • Low, 2.5μA (typical) quiescent current
    • 96% peak efficiency
  • Low, Continuous Noise Profile
    • No post-filtering LDO required in PPG systems
    • No discontinuities across operating voltage range
  • Adaptable Load Transient Response
    • Fast load transient response minimizes AFE settling time
    • FAST mode pre-triggers load response and improves load transient

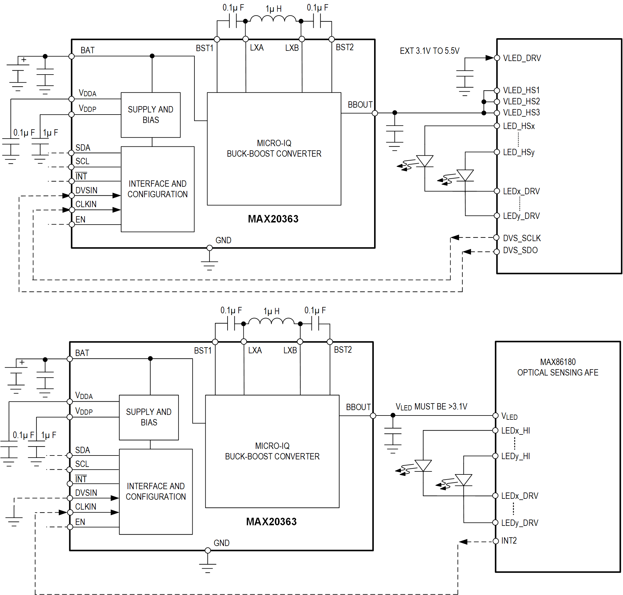
The MAX20363 is an ultra-low quiescent current, non-inverting buck-boost converter with 500mA output current capability. The MAX20363 is intended for applications that require long run times while also demanding bursts of high current. The device employs a proprietary control algorithm that seamlessly transitions between buck, buck-boost, and boost modes, minimizing discontinuities and subharmonics in the output voltage ripple. The low 1.8V input voltage allows the device to be powered from a variety of sources such as lithium ion rechargeable and lithium primary batteries. The MAX20363 is designed to minimize inductance and capacitance requirements to keep the overall solution size as small as possible.

The MAX20363 is optimized for powering optical photoplethysmogram (PPG) systems. The ultra-fast dynamic voltage scaling (DVS) capability allows the device to transition quickly between output voltages and enable in-frame scaling of LED supply voltage. Additionally, the low output ripple and fast, predictable transient response maximizes the signal-to-noise ratio (SNR) of high-performance optical PPG analog-front-end (AFE).

The MAX20363 is available in an 18-bump, 2.43mm x 1.25mm WLP package, with 0.4mm pitch.

APPLICATIONS

  • Biometric Optical Sensing (example, PPG)

MAX20363
PPG Optimized Buck-Boost Converter with 500mA Output Current and Ultra-Fast DVS Capability
MAX20363 Functional Block Diagarm MAX20363 Pin Configuration
添加至 myAnalog

将产品添加到myAnalog 的现有项目或新项目中(接收通知)。

创建新项目
提问

参考资料

了解更多
添加至 myAnalog

Add media to the Resources section of myAnalog, to an existing project or to a new project.

创建新项目

软件资源

找不到您所需的软件或驱动?

申请驱动/软件

工具及仿真模型


评估套件

eval board
MAX20363EVKIT

Evaluation Kit for MAX20363

特性和优点

  • Ultra-Fast Dynamic Voltage Scaling (DVS) with Direct AFE Control
  • USB-Power Option
  • Flexible Configuration
  • On-Board Battery Simulation
  • Sense Test Point for Output-Voltage Measurement
  • Windows® 8/Windows 10-Compatible Graphical User Interface (GUI) Software
  • Fully Assembled and Tested

产品详情

The MAX20363 evaluation kit (EV kit) is a fully assembled and tested circuit for evaluating MAX20363, non-inverting buck-boost converter for powering optical photoplethysmogram (PPG) systems.

The device is configurable through an I2C interface that allows for programming various functions and reading device status. The EV kit GUI application sends commands to the MAXPICO2PMB# adapter board to configure the device.

The EV kit comes standard with the MAX20363 EV kit version IC installed.

MAX20363EVKIT
Evaluation Kit for MAX20363
MAX20363EVKIT Board Photo Angle View MAX20363EVKIT Board Photo Top View MAX20363EVKIT Board Photo Bottom View

最新评论

需要发起讨论吗? 没有关于 MAX20363的相关讨论?是否需要发起讨论?

在EngineerZone®上发起讨论

近期浏览