AD5662

製造中

16ビットnanoDAC®コンバータ、SOT-23パッケージ、2.7~5.5V

利用上の注意

本データシートの英語以外の言語への翻訳はユーザの便宜のために提供されるものであり、リビジョンが古い場合があります。最新の内容については、必ず最新の英語版をご参照ください。

なお、日本語版のデータシートは基本的に「Rev.0」(リビジョン0)で作成されています。そのため、英語版が後に改訂され、複数製品のデータシートがひとつに統一された場合、同じ「Rev.0」の日本語版のデータシートが異なる製品のデータシートとして表示されることがあります。たとえば、「ADM3307E」の場合、日本語データシートをクリックすると「ADM3311E」が表示されます。これは、英語版のデータシートが複数の製品で共有できるように1本化され、「ADM3307E/ADM3310E/ADM3311E/ADM3312E/ADM3315E」(Rev.J)と改訂されたからで、決して誤ってリンクが張られているわけではありません。和文化されたデータシートを少しでも有効に活用していただくためにこのような方法をとっておりますので、ご了解ください。

アナログ・デバイセズ社は、提供する情報が正確で信頼できるものであることを期していますが、その情報の利用に関して、あるいはその利用によって生じる第三者の特許やその他の権利の侵害に関して一切の責任を負いません。また、アナログ・デバイセズ社の特許または特許の権利の使用を明示的または暗示的に許諾するものでもありません。仕様は予告なしに変更する場合があります。本紙記載の商標および登録商標は、各社の所有に属します。

Viewing:

製品情報

  • 12ビット精度を保証する16ビットの単調増加性DAC
  • 低消費電力。2.7~5.5Vの電源で動作。
    消費電力の代表値が3V電源で0.35mW、5V電源で
    0.7mWと低く、バッテリ駆動アプリケーションに最適
  • 8ピンSOT-23および8ピンMSOPパッケージで提供
  • 0Vまたはミッドスケールにパワーオン・リセット
  • パワーダウン機能。パワーダウン時のDACの
    消費電流(typ)は3V電源で50nA、5V電源で
    200nAに低減
  • 10μsのセトリング時間

nanoDACデバイス・ファミリーの1つであるAD5662は、単調増加性が保証された低価格、低消費電力のシングル16ビット・バッファ電圧出力DACです。

このデバイスにはパワーオン・リセット回路が組み込まれているため、モデルに応じてパワーアップ時にDAC出力を必ず0V(またはミッドスケール電圧)に設定し、有効な書込みが実行されるまでその状態を維持します。消費電流の代表値は250μAですが、5Vの電源時にその消費電流を1μAまで低減するパワーダウン機能が内蔵されており、パワーダウン・モード時には出力端子を内蔵バッファから切り離し、出力端子をソフトウェアで選択された内部の負荷(DACの負荷からみた入力インピーダンス)に接続することができます。

AD5662には、最大30MHzのクロック速度で動作する融通性に優れた3線式シリアル・インターフェースがありますが、これは標準のSPI™、QSPI™、MICROWIRE™、DSPインターフェース規格と互換です。またオンチップ高精度出力アンプが、レールtoレールの出力振幅を可能にします。

製品ハイライト

  1. 12ビット精度を保証する16ビットの単調増加性DAC
  2. 8ピンSOT-23および8ピンMSOPパッケージで提供
  3. 0Vまたはミッドスケールにパワーオン・リセット
  4. 低消費電力。2.7~5.5Vの電源で動作。消費電力の代表値が3V電源で0.35mW、5V電源で0.7mWと低く、バッテリ駆動アプリケーションに最適
  5. パワーダウン機能。パワーダウン時のDACの消費電流(typ)は3V電源で50nA、
    5V電源で200nAに低減
  6. 10μsのセトリング時間

アプリケーション

  • プロセス制御
  • データ・アクイジション・システム
  • バッテリ駆動の携帯型計測器
  • ゲインおよびオフセットのデジタル調整
  • プログラマブル電圧源および電流源
  • プログラマブル減衰器

AD5662
16ビットnanoDAC®コンバータ、SOT-23パッケージ、2.7~5.5V
AD5662 Functional Block Diagram AD5662 Pin Configuration
myAnalogに追加

myAnalogの製品セクション(通知受け取り)、既存/新規プロジェクトに製品を追加する。

新規プロジェクトを作成
質問する
サポート

アナログ・デバイセズのサポート・ページはアナログ・デバイセズへのあらゆるご質問にお答えするワンストップ・ポータルです。


ドキュメント

さらに詳しく
myAnalogに追加

myAnalogのリソース・セクション、既存/新規プロジェクトにメディアを追加する。

新規プロジェクトを作成

ソフトウェア・リソース


ハードウェア・エコシステム

製品モデル 製品ライフサイクル 詳細
インターフェース・トランシーバ & アイソレータ 2
ADUM1300 製造中 3チャンネル・デジタル・アイソレータ
ADUM1310 製造中 デジタル・アイソレータ、トリプル・チャンネル
オペアンプ(OPアンプ) 4
AD8627 製造中 オペアンプ、高精度、低消費電力、単電源、JFET、SC70パッケージ
ADA4077-2 新規設計に推奨 オペアンプ、高精度、4 MHz、7 nV/√Hz、デュアル、低オフセット/ドリフト
AD8622 製造中 オペアンプ、デュアル、低消費、低ノイズ、低バイアス電流、高精度、出力レールtoレール
OP295 製造中 オペアンプ、レールtoレール、デュアル
デジタル & アナログI/O 1
AD5750 製造中 電流/電圧出力ドライバ、工業向け、プログラマブルな出力範囲
電圧リファレンス 4
REF195 製造中 電圧リファレンス、5.0V,高精度、マイクロパワー、 低ドロップアウト
ADR444 製造中 電圧リファレンス、出力電圧4.096V、LDO型 XFET®、超低ノイズ、電流シンク / ソース機能付き
REF193 製造中 電圧リファレンス、3.0V、高精度、マイクロパワー、 低ドロップアウト
ADR02 製造中 超コンパクト高精度5.0V電圧リファレンス
Modal heading
myAnalogに追加

myAnalogの製品セクション(通知受け取り)、既存/新規プロジェクトに製品を追加する。

新規プロジェクトを作成

ツールおよびシミュレーション

Precision DAC Error Budget Tool

Precision DAC Error Budget Toolは、高精度DACシグナル・チェーンのDC精度を計算するウェブ・アプリケーションです。これは、シグナル・チェーン全体で静的誤差がどの程度累積するかを示すもので、これにより設計のトレードオフを手早く評価できます。計算には、電圧リファレンス、オペアンプ、および高精度DACが生成するDC誤差が含まれます。

ツールを開く

評価用キット

EVAL-AD5662

AD5662評価用ボード

機能と利点

  • 電流出力範囲:4mA~20mA、0mA~20mA、
    0mA~24mA、±20mA、±24mA
  • 電圧出力範囲:0V~5V、0V~10V、±5V、±10V
  • 20%オーバーレンジ
  • 柔軟なシリアル・デジタル・インターフェース
  • オンチップ出力故障検知
  • 非同期CLEARピン機能
  • 電源
    AVDD範囲:+12V~+20V
    AVSS範囲:−12V~−20V
  • 出力ループ・コンプライアンス:AVDD − 2.0V
  • 温度範囲:−40°C~+105°C
  • LFCSPパッケージ

製品詳細

AD5750はハードウェアまたはソフトウェア・プログラマブル出力範囲を備えた単一チャンネル、ロー・コスト、高精度の電流/電圧出力ドライバです。ソフトウェア範囲はSPI/MICROWIRE®互換のシリアル・インターフェースを介して設定します。

出力電流範囲は次の5つの電流範囲でプログラムできます。4mA~20mA、0mA~20mA、0mA~24mA、±20mA、±24mA

電圧出力は別のピンから供給され、0V~5V、0V~10V、±5V、または±10Vの出力範囲を供給するように設定できます。20%のオーバーレンジは電圧範囲で使用できます。

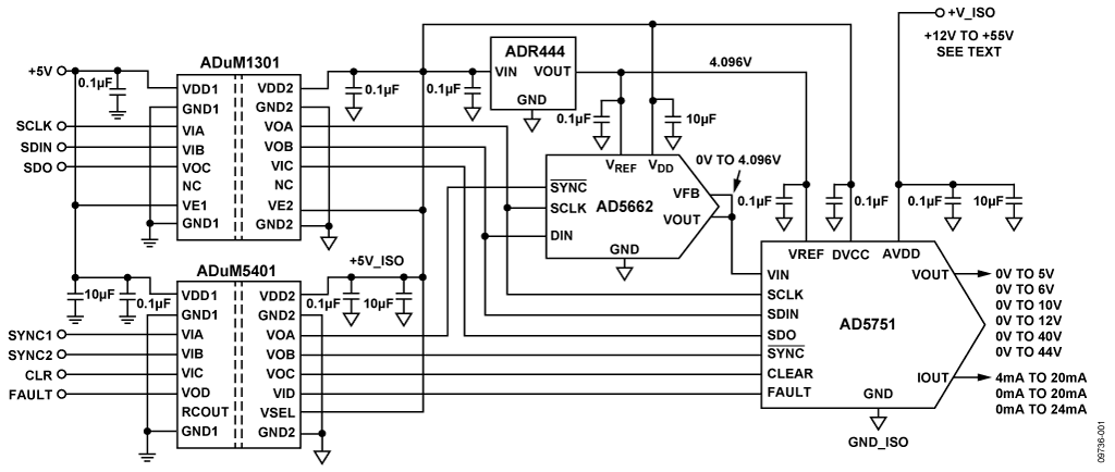
AD5750への入力は0V~4.096Vのアナログ入力です。範囲を選択すると、0Vの出力が選択した範囲の下端、4.096Vの出力が選択した範囲の上限になります。この評価用ボードは、AD5750をオンボードDAC(AD5662 16ビット、0V~4.096V出力)で駆動できるように構成されています。また、ユーザーが外部の0V~4.096Vの入力を構成することも可能です。この評価用ボードはAD5750をソフトウェア・モードのみで動作させることができます。

評価用ボードには端子ブロックを介して電源が供給されており、15 ppm/°C未満で15kΩの検出抵抗(R38)が必要です。この評価用ボードでは負荷抵抗は提供されていません。

 

EVAL-AD5662
AD5662評価用ボード

リファレンス・デザイン

CN0204 Circuits from the Lab®

柔軟な構成が可能、高電圧、高精度、低ドリフトPLC/DCS 用アナログ出力モジュール ※Rev.0を翻訳したものです。新ver.は英語資料をご覧ください。

機能と利点

  • High voltage, up to 44V
  • Programmable analog output
  • Galvanic isolation from rest of system
  • Ideal for PLC and DCS modules
CN0202 Circuits from the Lab®

フレキシブル、高精度、低ドリフトの PLC/DCS アナログ出力モジュール ※Rev.0を翻訳したものです。新ver.は英語資料をご覧ください。

機能と利点

  • プログラマブル・アナログ出力
  • 産業用電源 / 電圧ドライバー
  • 超低ノイズと低温ドリフト
CN0204
柔軟な構成が可能、高電圧、高精度、低ドリフトPLC/DCS 用アナログ出力モジュール ※Rev.0を翻訳したものです。新ver.は英語資料をご覧ください。
CN0202
フレキシブル、高精度、低ドリフトの PLC/DCS アナログ出力モジュール ※Rev.0を翻訳したものです。新ver.は英語資料をご覧ください。

最新のディスカッション

最近表示した製品