概要
設計リソース
設計/統合ファイル
- Schematic
- Bill of Materials
- Gerber Files
- PADS Files
- Assembly Drawing
評価用ボード
型番に"Z"が付いているものは、RoHS対応製品です。 本回路の評価には以下の評価用ボードが必要です。
- EVAL-CN0204-SDPZ ($69.55) Flexible, High Voltage, High Accuracy, Low Drift PLC/DCS Analog Output Module
- EVAL-SDP-CB1Z ($116.52) Eval Control Board SDP
デバイス・ドライバ
コンポーネントのデジタル・インターフェースとを介して通信するために使用されるCコードやFPGAコードなどのソフトウェアです。
AD5760, AD578x, AD579x IIO DAC GitHub Linux Driver Source Code
機能と利点
- High voltage, up to 44V
- Programmable analog output
- Galvanic isolation from rest of system
- Ideal for PLC and DCS modules
製品カテゴリ
マーケット & テクノロジー
使用されている製品
参考資料
-
CN0204 Software User Guide2018/10/18WIKI
-
The Data Conversion Handbook, 20052005/01/02
-
MT-101: Decoupling Techniques2015/02/14PDF954 kB
-
MT-031: データ・コンバータのグラウンディングと、「AGND」および「DGND」に関する疑問の解消2009/03/20PDF144 kB
-
CN-0204: 柔軟な構成が可能、高電圧、高精度、低ドリフトPLC/DCS用 アナログ出力モジュール2012/01/31PDF778 kB
-
AN-0971:isoPower デバイスでの EMI 放射制御についての推奨事項2020/07/03
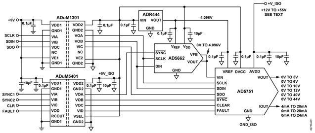
回路機能とその特長
図1 に示した回路はフル機能、高電圧(44 V まで)、柔軟性 があり、アナログ出力がプログラム可能で、プログラマブ ル・ロジック・コントローラ(PLC)や分散制御システム(DCS) のアプリケーションに必要なほとんどの要求を満足します。
低消費電力 (0.75 mW typ @ 5 V)、レールtoレール出力、16ビッ トnanoDAC®デバイスのAD5662 と工業用電流/電圧出力ドライ バAD5751 はリファレンス電圧と共に入力/出力電圧範囲の条 件に関して良くマッチングしています。
低ドリフト(Bグレードで3 ppm/℃ max)、高初期精度(Bグレ ードで0.04%max)、低ノイズ(1.8 μV p-p typ、 0.1 Hz to 10 Hz)のADR444がAD5751 とAD5662両方のリファレンス電圧を 提供しており、回路の超低ノイズ、高精度、低温度ドリフト を保証しています。
この回路は16ビット分解能、0.05%リニアリティ、総合出力誤差0.2%以下のすべての標準的な電圧出力範囲と電流出力範囲を提供します。
ADuM1301とADuM5401はマイクロコントローラとアナログ信号チェーン間のすべての必要な信号絶縁を行います。ADuM5401は絶縁された5 V電源も供給します。
回路はまた内蔵出力故障検出、パケット・エラー(PEC)を防ぐCRC検査、柔軟性のあるパワーアップ・オプションのような工業用アプリケーションに必要な特徴を含んでいるので、堅牢な工業用コントロール・システムに理想的な選択になります。量産時に一貫した性能を維持するための外付け高精度抵抗あるいは調整ルーチンは必要ないのでPLC又はDCSモジュールに理想的です。
回路説明
AD5751は1チャンネル、低価格、高精度電圧/電流出力ドライバで、工業用プロセス制御アプリケーションの条件を満たすために開発されました。AD5751の動作は10.8 V ~ 55 Vの電源範囲で規定されており、電圧出力は44 Vまで可能です。電圧出力範囲はPLCやDCSアプリケーション向けに標準出力範囲と20%オーバーレンジ設定をプログラムできます:0 V ~ 5 V、0 V ~ 10 V、0 V ~ 6 V、0 V ~ 12 V。 さらに2つの高電圧出力範囲0 V~40 V と 0 V~44 Vもあります。
(別ピンから出力する)電流出力は標準範囲4 mA ~ 20 mA, 0 mA ~ 20 mA, 0 mA ~ 24 mAでプログラム可能です。2%のオーバーレンジ設定もあり、3.92 mA ~ 20.4 mA、 0 mA ~ 20.4 mA、0 mA ~ 24.5 mAがプログラム可能です。電圧ピンと電流ピンを接続して必要に応じてエンド・システムを1チャンネル出力構成にする事ができます。
AD5662は1チャンネル、低価格、低消費電力、レールtoレール電圧バッファ出力のnanoDACデバイスです。AD5662は0.75 V ~ VDD電源電圧までの広範囲のリファレンス電圧で±1 LSBの DNLを保証しています。図1の回路でAD5751とAD5662はADR444から供給する共通のリファレンス・ソース4.096 Vで動作します。システム全体はADR444の超低ノイズと低温度係数の利点が有効に働いています。リファレンスADR44xファミリは出力電流が深紅、ソースとも可能なのでコンバータのリファレンス又は電源入力の駆動に理想的です。AD5662はパワーオン・リセット回路を内蔵しているので、パワーアップ時にDAC出力を中間点又はゼロにして、有効な書込みがあるまでこの出力状態を維持します。
ADuM1301は3チャンネル・デジタル・アイソレータです。ADuM5401は、isoPower®(絶縁型DC/DCコンバータ)を内蔵した4チャンネル・デジタル・アイソレータで、2つともiCoupler®技術を採用しています。これらは、シグナル・チェーンとシステムのマイクロコントローラの間を、2.5kVrmsの絶縁定格で、絶縁するために使われています。ADuM5401は2次側の全回路に絶縁された5V電源を供給します。
デジタル電源とアナログ電源は分離配線し、フェライト・ビーズで接続する必要があります。各々の電源は、0.1 uFのセラミック・コンデンサと並列接続した10 μFによって十分にデカップリングされます。詳細についてはCN0204 Design Support package の回路を参照してください。
PLC 、 DCSのアプリケーションに使用するデバイスには一般的に定格で推奨される仕様よりはるかに高いESD保護や過電圧保護が必要です。AD5751は各ピン内部に過度信号による破損を防ぐためのESD保護ダイオードを内蔵しています。しかし、工業用制御環境ではかなり高い過度信号がI/O回路にかかる可能性があります。EVAL-CN0204-SDPZにはより高い電圧ESD保護、50 mA過電流保護、 64 V過電圧保護を提供するために、外部64 V, 1500 W過度電圧サプレッサ(TVS);50 mA, 30 Vポリスイッチ;電源ショットキ・ダイオードが組み込まれています。オプションの外部保護回路は図1の簡略化された回路には示されてはいませんがCN0204Design Support packageの詳細回路 (EVAL-CN0204-SDPZ-SCH pdf file) の中で確認できます。
この回路は、大きな面積のグランド・プレーンを持った多層PC基板に構築する必要があります。適正な性能を達成するには正しいレイアウト、グランディング、デカップリング技術が必要です。(Tutorial MT-031, Grounding Data Converters and Solving the Mystery of "AGND" and "DGND," と Tutorial MT-101, Decoupling Techniquesを参照してください)。
計測
積分非直線性(INL)、微分非直線性 (DNL)、出力誤差はPLC、 DCS、その他のプロセス・コントロール・システムでもっとも重要な仕様です。AD5751は柔軟な構成が可能で、出力範囲が変更可能なので、アプリケーションのニーズを満足するように設定できます。回路のINL, DNL、出力誤差の測定結果をそれぞれ図2、図3、図4に示します。このデータは25°Cにて内部電流検出抵抗を使用し、電圧出力モードでとられました。AD5751の範囲を0 V ~ 5 Vに設定しました。他の全ての範囲のテスト結果を表1にリストアップします。
表1 に示したテスト結果は25°C で、アジレントE3631A DC 電源から電源を供給された基板 EVAL-CN0204-SDPZを使用 し、アジレント34401A デジタル・マルチメータで測定しま した。
出力範囲0 mA ~ 20.4 mA と 0 mA ~ 24.5 mA は両方とも0 mA ~ 20 mA と 0 mA ~ 24 mA の範囲に精度よく一致するよ うにユーザーが調整できるように設計されている事に注目し てください。範囲0 mA ~ 20.4 mA の1.70% FSR 出力誤差測 定値にはユーザーの調整で取り除けるゲインエラーが含まれ ています。
| 範囲 | 電流検出用抵抗 | INL (LSB) | リニアリティ(%FSR) | 出力誤差 (%FSR) |
| 0V~5V | Don't Care | 10.8 | 0.017 | 00.09 |
| 0V~10V | Don't Care | 9.9 | 0.015 | 0.08 |
| 0V~6V | Don't Care | 10.5 | 0.016 | 0.09 |
| 0V~12V | Don't Care | 9.2 | 0.014 | 0.08 |
| 0V~40V | Don't Care | 10.1 | 0.015 | 0.06 |
| 0V to 44V | Don't Care | 9.5 | 0.015 | 0.020 |
| 4 mA~20 mA | Internal | 8.5 | 0.016 | 0.04 |
| 4 mA~20 mA | 外付け | 8.4 | 0.013 | 0.04 |
| 0 mA~20 mA | Internal | 9.8 | 0.015 | 0.05 |
| 0 mA ~ 20 mA | 外付け | 8.9 | 0.014 | 0.05 |
| 0 mA~24 mA | Internal | 8.4 | 0.013 | 0.05 |
| 0 mA~24 mA | 外付け | 12.0 | 0.018 | 0.05 |
| 3.9 mA~20.4 mA | Internal | 11.8 | 0.053 | 0.80 |
| 0 mA~20.4 mA | Internal | 9.4 | 0.014 | 1.70 |
| 0 mA~24.5 mA | Internal | 12.4 | 0.019 | 1.50 |
バリエーション回路
この回路はドライバやDAC 製品の1つの実施回路を説明して いますが、要求性能を達成するためにこれらの部品には各種の デバイスを選択する事ができます。0.1%精度で12 ビット~16 ビットの分解能はPLC や DCS アプリケーションの代表的な条 件になっています。16 ビット分解能を必要としないアプリケー ションには、リファレンス内蔵のAD5620 (12-bit) やAD5640 (14-bit)が使用可能です。
複数チャンネルのアプリケーション向けにはデュアルnanoDAC デバイスの AD5623R (12 ビット)、AD5643R (14 ビット)、AD5663R (16 ビット)があり、クワッドnanoDAC にはAD5624R (12 ビット)、AD5644R (14 ビット)、AD5664R (16 ビット)があります。
AD5750-1とAD5750は両方ともバイポーラ・アナログ出力ドラ イバで±10 V と ±20 mA を出力できます。
回路の評価とテスト
必要な装置(同等の装置に変更可能)
- システム・デモ用プラットホーム(EVAL-SDP-CB1Z)
- CN-0204 回路評価基板 (EVAL-CN0204-SDPZ)
- CN-0204 評価ソフトウエア
- 外部テスト測定装置用ソフトウエア(CD には含まれていな い)
- アジレント 34401A、 6.5 デジット・デジタル・マルチメー タ
- アジレント E3631A、0 V ~ 6 V/5 A; ±25 V/1 A、トリプル 出力DC 電源
- USB インターフェースつきPC (ウインドウズ2000 又はウイ ンドウズXP)
- ナショナル・インスツルメント GPIB to USB-B インターフェ ースとケーブル
測定の準備
CN0204 評価ソフトウエア・ディスクをPC のCD ドライブに挿 入して評価ソフトウエアをロードしてください。”マイ コンピ ュータ”を使用して、評価ソフトウエア・ディスクを含むドライ ブを見つけ、Readme ファイルを開いてください。Readme ファ イルに含まれているインストラクションに従って、評価ソフト ウエアをインストールし、使用してください。
機能ブロック図
図5 に、テスト・セットアップの機能ブロック図を示します。 pdf ファイル“EVAL-CN0204-SDPZ-SCH”はCN0204 評価基板の 詳細回路図を含みます。このファイルは、CN0204 Design Support Package に含まれています。
セットアップ
回路基板EVAL-CN0204-SDPZ の120 ピン・コネクタを評価 (SDP)基板(EVAL-SDP-CB1Z)の“CON A”又は評価(SDP) 基板 EVAL-SDP-CB1Z の“CON B” と表示されたコネクタに接続して ください。120 ピン・コネクタの末端にある穴を利用して2 つ の基板をしっかり固定するためにナイロン製ハードウエア(接 続用スタッド)を使用する必要があります。DC 出力電源を+25 V、−25 V、+6 V の出力に設定した後、電源をオフにしてくだ さい。
アジレント E3631A 電源には±25 V/1 A と6 V/5 A の出力チャン ネルがあります。±25 V/1 A と 6 V/5 A は互いに絶縁されてい ます。従って、±25 V/1 A は回路に対して+50 V 電源として使 用する事ができます。 6 V/5 A 電源の“−” 端子と±25 V/1 A 電 源の“COM”端子との間は外部的な接続がないようにする必要 があります。
電源をオフにして、+25 V 電源を“12~50VIN,” と表示された CN3 ピンに接続してください、そして−25 V 電源を“GND_ISO.” と表示されたCN3 ピンに接続してください。±25 V/1 A の “COM”を未接続のままにしてください。+6 V を同じように CN2 に接続してください。
| ジャンパ | 説明 | 設定 | 機能 |
| JP1 | AD5751のアドレスを設定する | Pin1 を Pin2に短絡 | AD5751のアドレス: b'001 |
| Pin3をPin2に短絡 | AD5751のアドレス: b'000 | ||
| JP2 | 外付け補正用容量を設定する | 短絡 | 1 nF 補正用容量を追加 |
| 開放 | 1 nF 補正用容量を取り除く | ||
| JP3 | VSENSE+ の設定 | 短絡 | VSENSE+ をVOUTと内部的に短絡 |
| 開放 | VSENSE+ はVOUTと内部的に未接続 | ||
| JP4 | AD5751のCLEARモードを設定する | 短絡 | ミッド・スケールにクリア |
| 開放 | ゼロ・スケールにクリア | ||
| JP5 | VOUTピンとIOUT ピンを短絡する | 短絡 | VOUTピンとIOUTピンを一緒に短絡 |
| 開放 | VOUT と IOUTは内部的に未接続 |
電源を投入した後にSDP基板に備わっているUSBケーブルをPCのUSBポートに接続してください。注:EVAL-CN0204-SDPZのDC電源を投入する前にUSBケーブルをSDP基板上のミニUSBコネクタに接続しないでください。
テスト
テスト装置をセットアップした後、“VOUT”と表示されたCN4のピン又は“IOUT”と表示されたCN1のピンをアジレント34401Aの入力に接続してください。アジレント34401Aの前面パネルのケーブル接続が、異なる入力信号タイプ(電流又は電圧)に対して正しいかどうかを確認してください。INL, DNL、総合誤差のテストにはかなりの時間がかかります。なぜならAD5662の16ビットDACレベルがすべてセットされ34401Aで測定されなければならないからです。
ソフトウエアはCDで提供されるのでこれを使って、PCでDACコードを設定する事ができます。コードを変化させてデータを解析するためには自動テスト・プログラムが必要です。自動テスト・プログラムはCDで提供されません。テスト・セットアップで使用する特定のマルチメータの要求に対応するにはユーザーがこれを行う必要があります。
定義と測定データからINL、DNL、総合誤差を計算する方法についての詳細はAD5662 のデータシート"TERMINOLOGY"セクションと次の資料を参照してください
Data Conversion Handbook, "Testing Data Converters", Chapter 5, Analog Devices

