AD7984

PRODUCTION

18-Bit, 1.33 MSPS PulSAR 10.5 mW ADC in MSOP/QFN

Viewing:

Overview

  • High performance
  • Throughput: 1.33 MSPS
    • True differential analog input range: ±VREF
      • 0 V to VREF with VREF between 2.9 V to 5 V
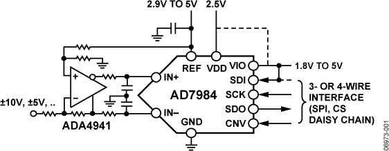
      • Easy to drive with the ADA4941
    • Throughput: 1.33 MSPS
      • Zero latency architecture
    • 18-bit resolution with no missing codes
    • INL: ±2.25 LSB maximum
    • Dynamic range: 99.7 dB, VREF = 5 V
    • SNR: 98.5 dB at fIN = 1 kHz, VREF = 5 V
    • THD: −110.5 dB at fIN = 1 kHz, VREF = 5 V
    • SINAD: 97.5 dB at fIN = 1 kHz, VREF = 5 V
  • Low power dissipation
    • Single-supply 2.5 V operation with 1.8 V/2.5 V/3 V/5 V logic interface
    • 5.3 mW at 1.33 MSPS (VDD only)
    • 10.5 mW at 1.33 MSPS (total)
    • 80 μW at 10 kSPS
  • Proprietary serial interface
    • SPI/QSPI/MICROWIRE/DSP compatible
  • Ability to daisy-chain multiple ADCs and busy indicator
  • 10-lead MSOP and 10-lead, 3 mm × 3 mm LFCSP
  • Wide operating temperature range: −40°C to +85°C

The AD7984 is an 18-bit, successive approximation, analog-to-digital converter (ADC) that operates from a single power supply, VDD. It contains a low power, high speed, 18-bit sampling ADC and a versatile serial interface port. On the CNV rising edge, the AD7984 samples the voltage difference between the IN+ and IN− pins. The voltages on these pins usually swing in opposite phases between 0 V and VREF. The reference voltage, REF, is applied externally and can be set independent of the supply voltage, VDD.

The SPI-compatible serial interface also features the ability, using the SDI input, to daisy-chain several ADCs on a single 3-wire bus and provides an optional busy indicator. It is compatible with 1.8 V, 2.5 V, 3 V, and 5 V logic, using the separate VIO supply.

The AD7984 is available in a 10-lead MSOP or a 10-lead LFCSP with operation specified from −40°C to +85°C.

Applications

  • Automated test equipment
  • Data acquisition systems
  • Medical instruments
  • Machine automation

AD7984
18-Bit, 1.33 MSPS PulSAR 10.5 mW ADC in MSOP/QFN
AD7984 Functional Block Diagram AD7984 Pin Configuration AD7984 Circuit Diagram
Add to myAnalog

Add product to the Products section of myAnalog (to receive notifications), to an existing project or to a new project.

Create New Project
Ask a Question

Documentation

Learn More
Add to myAnalog

Add media to the Resources section of myAnalog, to an existing project or to a new project.

Create New Project

Software Resources


Hardware Ecosystem

Parts Product Life Cycle Description
Differential Amplifiers 3
ADA4940-1 PRODUCTION Ultralow Power, Low Distortion ADC Driver
ADA4941-1 PRODUCTION Single-Supply, Differential 18-Bit ADC Driver
AD8476 PRODUCTION Low Power, Unity Gain Fully Differential Amplifier & ADC Driver
Interface Transceivers & Isolators 4
ADUM3481 PRODUCTION Small, 3.75 kV RMS Quad Digital Isolators (3/1 Channel Directionality)
ADUM3401 PRODUCTION Quad-Channel, Digital Isolator, Enhanced System-Level ESD Reliability
ADUM1401 PRODUCTION Quad-Channel Digital Isolator (3/1 Channel Directionality)
ADUM4401 PRODUCTION 5 kV RMS Quad-Channel Digital Isolators
Operational Amplifiers (Op Amps) 7
AD8031 PRODUCTION 2.7 V, 800 µA, 80 MHz Rail-to-Rail I/O Single Amplifier
AD8655 PRODUCTION Low Noise, Precision CMOS Amplifier
ADA4841-1 PRODUCTION Low Power, Low Noise and Distortion, Rail-to-Rail Output Amplifier
ADA4897-1 RECOMMENDED FOR NEW DESIGNS 1 nV/√Hz, Low Power, Rail-to-Rail Output Amplifiers
AD8021 PRODUCTION Low Noise, High Speed Amplifier for 16-Bit Systems
ADA4627-1 PRODUCTION 36 V, 19 MHz, Low Noise, Low Bias Current, JFET Op Amp
ADA4610-2 RECOMMENDED FOR NEW DESIGNS Low Noise, Precision, Rail-to-Rail Output, JFET Dual Op Amp
Voltage References 3
ADR445 PRODUCTION Ultralow Noise, LDO XFET® 5.0V Voltage Reference w/Current Sink and Source
ADR4550 PRODUCTION Ultra-Low-Noise, High-Accuracy 5.0V Voltage Reference
ADR435 PRODUCTION Ultralow Noise XFET® Voltage References with Current Sink and Source Capability
Modal heading
Add to myAnalog

Add product to the Products section of myAnalog (to receive notifications), to an existing project or to a new project.

Create New Project

Tools & Simulations

Precision ADC Driver Tool

The Precision ADC Driver Tool is a web application that simulates the performance of precision ADC and driver combinations. Potential issues with driver selection, kickback settling, and distortion are flagged, and design tradeoffs can be quickly evaluated. Simulations and calculations include system noise, distortion, and settling of the ADC input

Open Tool

AD7984 IBIS Model 2


Evaluation Kits

eval board
EVAL-AD7984

AD7984 Evaluation kit

Product Details

The EVAL-AD7984SDZ is a fully featured evaluation kit for the AD7984. This board operates in stand alone mode or in conjunction with the System Development Platform, EVAL-SDP-CB1Z. When operated with the System Development Platform software is provided enabling the user to perform detailed analysis of the ADC's performance. This software includes the technical note describing the operation and set up of the evaluation board in standalone operation or when operated with the System Development Platform. When operated in standalone mode the ADZS-BRKOUT-EX3 break out board is recommended for access to various control pins.

 

eval board
EVAL-AD7984-PMDZ

18-Bit, 1333 kSPS PulSAR® ADC PMOD Evaluation Board

Features and Benefits

  • 18-Bit Analog to Digital Converters
  • 1333 kSPS
  • Unipolar, Differential Input
  • Standard SPI PMOD header/pin out
  • Connectable to 3rd Party FPGA and MCU Platforms

Product Details

The PMOD-compatible evaluation/prototyping board is a small form factor, low-cost analog-to-digital conversion option. When prototyping, this board is used in conjunction with your favorite MCU or FPGA development board which has the SPI PMOD peripheral connector. Direct electrical and physical connection will enable you to quickly develop software for your system.

This board can also be operated as an evaluation board using the System Demonstration Platform (EVAL-SDP-CB1Z) and an adaptor board (SDP-PMD-IB1Z). When operated with the System Demonstration Platform, a LabView software GUI is provided enabling the user to perform analysis of the ADC's performance.

EVAL-AD7984
AD7984 Evaluation kit
10 Lead PulSAR Evaluation Board
EVAL-AD7984-PMDZ
18-Bit, 1333 kSPS PulSAR® ADC PMOD Evaluation Board
EVAL-AD7942-PMDZ Evaluation Board EVAL-AD7942-PMDZ Evaluation Board - Top View EVAL-AD7942-PMDZ Evaluation Board - Bottom View

Reference Designs

Multichannel Data Acquisition Circuit
CN0269 Circuits from the lab

18-Bit, 1.33 MSPS, 16-Channel Data Acquisition System

Features and Benefits

  • 18-Bit, 16-Channel Data Acquisition
  • 16 single-ended, 8 differential inputs
  • 1.33MSPS sampling rate
  • 250kHz channel switching rate
CN0269
18-Bit, 1.33 MSPS, 16-Channel Data Acquisition System
Multichannel Data Acquisition Circuit

Latest Discussions

Recently Viewed