概览
设计资源
设计与集成文件
• Schematic• Bill of Materials
• Gerber Files
• Layout Files (Allegro)
• Assembly Drawing 下载设计文件 1.53 M
评估硬件
产品型号带"Z"表示符合RoHS标准。评估此电路需要下列选中的电路板
- EVAL-CN0385-FMCZ ($269.35) Isolated, Multichannel Data Acquisition System with PGIA
- EVAL-SDP-CH1Z ($458.85) Eval Control Board
FPGA/HDL
优势和特点
- 多通道隔离数据采集系统
- 工业信号电平
- 18位、2MSPS转换
- 750kHz通道开关速率
产品类别
领域和技术
所用产品
参考资料
-
CN0385 Evaluation Board and Software User Guide2018/10/16WIKI
-
CN-0385:集成 PGIA、用于单端和差分工业级信号的隔离式多通道数据采集系统 (Rev. 0)2016/10/10PDF525 K
电路功能与优势
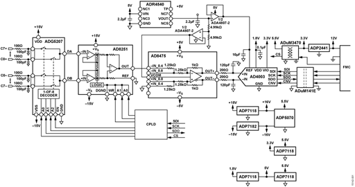
该电路可以处理八个增益独立的通道,兼容单端和差分输入信号。
模拟前端包括一个多路复用器、可编程增益仪表放大器(PGIA)、用于执行单端转差分任务的精密模数转换器(ADC) 驱动器,以及一个用于采样有效通道信号的 18 位、2.0 MSPS 精密 PulSAR® ADC。提供 0.4、0.8、1.6 和 3.2 增益配置。
turbo 模式下,系统最大采样速率为 2 MSPS;正常模式下为1.5 MSPS。通道切换逻辑与 ADC 转换同步,最大通道切换速率为1.5 MHz。turbo模式下,单通道采样速率高达2 MSPS,分辨率为 18 位。通道切换速率高达 750 kHz 时依然具有18位性能。

电路描述
图 1 所示电路是一个隔离式多通道数据采集信号链,由多路复用器、可编程增益级、ADC 驱动器和全差分、精密、逐次逼近型 (SAR) ADC 组成。通道切换和增益切换与 ADC的转换周期同步。
系统可以使用单个 ADC 监控多达八个通道,相比每通道一个 ADC 的系统而言,减少了元件数量并降低了成本。每通道都可配置为不同增益,为输入范围提供了灵活性。它由复杂可编程逻辑器件 (CPLD) 操纵,后者可在 Labview 图形用户界面 (GUI) 中进行配置。各通道的有效采样速率等于 ADC 的采样速率除以采样总通道数。
系统最大采样速率受以下因素限制:模拟前端中的器件建立时间(例如可编程增益放大器 (PGA) 带宽和 RC 滤波器带宽),以及隔离式数字接口时钟速率(其以 75 MHz 运行)。多路复用信号本质上是断续的,因此采样间隔之间可能具有较大的电压阶跃。ADC 执行转换前,信号链上的元件必须有足够的时间建立至这些阶跃。为使信号建立时间更大化,多路复用器通道会在 ADC 开始新的转换之后立即切换。
电路板电源可以取自直流插口的 5 V 至 12 V 直流输入,或者使用 SDP-H1 控制板提供的 12 V 电源。DC/DC 转换器 ADP2441 产生 3.3 V 电压用于数字接口和 ADuM3470 主电源输入。ADP5070, ADP7118, 和 ADP7182 用于产生±15 V 电 源。ADP7118用于产生 5 V、3.3 V 和 1.8 V 的模拟和数字电源。选择 ADuM141E 用于隔离式高速 SPI 通信。其特性 包括 150 Mbps 最大数据速率、低传播延迟和低动态功耗。
元件选择
ADG5207 是一款高压防闩锁型 8 通道差分多路复用器。这些开关具有超低电容和电荷注入特性,因而是要求低毛刺和快速建立时间的数据采集与采样保持应用的理想解决方案。ADG5207输入端的切换网络能为单端和差分输入信号提供兼容性。有效通道通过器件地址引脚选择,由 CPLD控制,可在 GUI 中配置。
AD8251 是一款可编程增益仪表放大器,提供 1、2、4 和 8的可选增益设置。较高的增益设置使较小的输入信号升压至AD4003的满量程输入范围内。每一个增益设置都有自己的合适输入范围,如表 1 所示。
| 增益 | 满量程输入范围 |
| 0.4 | ±10.24 V |
| 0.8 | ±5.12 V |
| 1.6 |
±2.56 V |
| 3.2 | ±1.28 V |
AD8475 漏斗放大器提供高精度衰减 (0.4×)、精确的共模电平转换以及单端至差分转换。该器件具有低输出噪声频谱密度 (10 nV/√Hz) 和快速建立时间(2 V 输出阶跃 0.001%建立时间为 50 ns),非常适合用来驱动AD4003。
AD4003 是一款全差分、2 MSPS、18 位精密 SAR 型 ADC,使用 4.096 V 基准电压源时的典型信噪比 (SNR) 为 98 dB。AD4003还是一款低功耗器件,最大吞吐速率时的功耗仅为大约 17 mW。该器件的功耗随吞吐速率而变,可在较低采样速率下工作以降低功耗(例如,100 kSPS 时功耗等于 0.17 mW)。
系统直流精度误差
图 2 显示了数据采集系统的理想传递函数。

数据采集信号链中的每一个元件都存在失调误差和增益误差,导致系统的真实传递函数与图 2 所示的理想传递函数有所不同。这些误差的累积效应可以通过对比ADG5207(RC 滤波器,如有)输入端的已知接近零电平和满量程的直流输入与AD4003的输出码进行系统级测量,以获得系统校准系数。
失调误差测量
对于理想的双极性、差分 ADC 而言,0 V 差分输入的输出码为 0。真正的 ADC 通常会有一些失调误差 (εb),其定义为理想输出码与 0 V 输入的测量输出码之间的偏差。
数据采集系统的失调误差可以通过将其输入接地,然后观察输出码而找出。此误差在AD8251的各增益设置下均有所不同,并且在ADG5207各通道之间也有所不同。因此,在全部四种增益配置下对各通道进行失调误差测量。
由于系统监控多个通道,对通道之间的失调误差进行量化也很重要。失调误差匹配 (Δεb, MAX) 用来衡量各通道的失调 误差以及所有通道的平均失调误差之间的偏差。使用下式计算失调误差匹配:

其中, εb,i 和 εb,j 分别表示 i 和 j 通道的失调误差。
每一种增益配置都存在失调误差匹配。注意,失调误差可以表示为码,也可以表示为电压(伏特)。
增益误差测量
系统增益误差也会使整个系统具有不精确性。AD4003的理 想传递函数如图 2 所示,其中−217和 217 − 1 输出码分别对 应负满量程输入电压 (−FS) 和正满量程输入电压 (+FS); 然而,失调误差 (εb) 和增益误差 (εm) 的组合却会导致此 关系产生偏差。
增益误差可以表示为实际系统增益和理想系统增益之间的百分比误差。更为常见的表示方法是采用百分比满量程误差 (%FS),它衡量产生 217 − 1 码的理想和实际输入电压之间的误差。
理想满量程输入电压 (VFS, IDEAL) 与 ADC 分辨率(AD4003为 18 位)以及基准电压 (VREF) 的精度成函数关系。基准电压误差会导致 ADC 的增益误差。为了去耦基准电压误差与 ADC 增益误差,使用精密万用表测量 VREF。然后便可利用下式计算理想满量程输入电压:

实际系统增益可以通过计算一组多个输入电压 (mLR) 的线性回归斜率得到,其输出码为:

实际满量程输入电压(VFS, REAL) 可以计算如下:

增益误差(以%FS 误差表示)可以计算如下:

系统增益误差随AD8251增益而变,但各通道独立。因此,增益误差针对四个增益配置分别进行测量,但在系统中仅使用ADG5207的其中一个通道。
系统噪声分析
精密数据采集系统的关键设计目标之一是实现高 SNR,这可以通过增加满量程信号幅度和/或降低系统中元件产生的噪声功率实现。
系统中的总噪声功率可以通过元件各自的噪声功率折合到AD4003输入端的和方根 (rss) 计算得出:

之后,系统的预计 SNR (SNREXPECTED) 便可计算如下:

系统中各元件的预计噪声贡献以及整个系统的预计 SNR 性 能如表 2 所示。在总系统噪声计算时,忽略系统中无源元 件的热噪声贡献。
AD4003 ADC 噪声
AD4003 ADC 噪声与其固有量化噪声和内部元件(比如产生热噪声的无源元件)导致的噪声成函数关系。 AD4003的 rms 输入电压噪声可以通过下式,利用其 SNR额定值计算:

AD4003 (SNRAD4003) 的 SNR 额定值约为 98 dB(使用 4.096 V基准电压源)。
AD4003输入端的单极点 RC 滤波器限制了来自上游元件的宽带噪声。较小的滤波器带宽可以通过进一步限制噪声功 率而改善 SNR;然而,其时间常数也必须足够短,以便建立电压反冲——这是因为AD4003输入端在采集阶段重新连 接前端电路而发生电荷注入。适合系统的带宽至少为 5MHz(更多信息请参见《模拟对话》文章:精密 SAR 模数转换器的前端放大器和 RC 滤波器设计)。
AD8475漏斗放大器噪声
AD8475产生的 rms 噪声 (vn, AD8475) 是其折合到输出端的噪声频谱密度 (NSD) (eAD8475) 以及AD4003输入端 RC 滤波器带宽(BWRC)的函数:

其中, eAD8475 = 10 nV/√Hz.
AD8251仪表放大器噪声
AD8251用作增益级,可通过将小幅度信号的幅度提升至更 接近±VREF 范围(AD4003输入端)来改善其 SNR。理想情 况下,如果系统增益以系数 G 增加,则输入信号的 SNR(单位为 dB)将会改善:

然而,这种水平的改善实际上却是做不到的,因为宽带噪声同样为电路的噪声增益所放大。幸运的是,这种性能的下降不如信号增益导致的性能改善那么明显。
AD8251产生的 rms 噪声是其折合到输入 NSD (eAD8251)、其 增益设置 (GAD8251)、AD8475的衰减系数 (GAD8475) 以及 AD4003输入端的噪声滤波器带宽的函数:

eAD8251 的值也取决于AD8251增益;eAD8251 的值可在AD8251数据手册中找到。
ADG5207多路复用器噪声
ADG5207产生的 NSD和 rms噪声可以使用 Johnson/Nyquist噪声公式计算,因为器件用作源端与模拟前端其余部分之间的串联电阻:

以及

各通道的电阻 (RON) 可在ADG5207数据手册中找到。
系统噪声性能的计算结果汇总如表 2 所示。总噪声的最大贡献因素是AD8251仪表放大器和AD4003 ADC。
| Gain | ADG5207 | AD8251 | AD8475 | AD4003 | Total | ||||
| en, ADG5207 (nV/√Hz) |
vn, ADG5207 (μV rms) |
en, AD8251 (nV/√Hz) |
vn, AD8251 (μV rms) |
en, AD8475 (nV/√Hz) |
vn, AD8475 (μV rms) |
vn, AD4003 (μV rms) |
vn, total (μV rms) |
SNR (dB) |
|
| 0.4 | 2.04 | 2.29 | 40 | 44.7 | 10 | 28 | 35.4 | 63.6 | 93.2 |
| 0.8 | 2.04 | 4.57 | 27 | 60.4 | 10 | 28 | 35.4 | 75.5 | 91.7 |
| 1.6 | 2.04 | 9.15 | 22 | 98.4 | 10 | 28 | 35.4 | 108.6 | 88.5 |
| 3.2 | 2.04 | 18.3 | 18 | 161 | 10 | 28 | 35.4 | 168.2 | 84.7 |
建立时间分析
当图 1 中的电路对多通道进行采样时,每一个不同的输入都由ADG5207合并至一个时分多路复用信号。多路复用信 号本质上是断续的,并且通常在较短的时间间隔内具有较大的电压阶跃。对于图 1 中的系统而言,两个连续通道之 间的差分电压在ADG5207输入端可以高达 20 V,而分配的建立时间仅等于采样周期。
图 3 显示了图 1 中电路的建立时间模型。系统中每一个元件都有各自的建立特性(参见后文内容)。

图3. CN-0385电路建立时间模型
建立时间定义为模拟前端电路建立至某一精度的输入阶跃所需的时间。此精度单位通常采用百分比误差(比如 0.1%或 0.01%);但在转换系统中,将其与分辨率相关联也是非常有益的做法。例如,建立至 16 位分辨率大约等同于建立至 0.001%。表 3 显示了单极点系统建立至百分比误差与建立至分辨率之间的关系。
| 分辨率, 位数 | LB (%FS) | 时间常数数量 = −ln(百分比误差/100) |
| 6 | 1.563 | 4.16 |
| 8 | 0.391 | 5.55 |
| 10 |
0.0977 | 6.93 |
| 12 | 0.0244 | 8.32 |
| 14 | 0.0061 | 9.70 |
| 16 | 0.00153 | 11.09 |
| 18 | 0.00038 | 12.48 |
| 20 | 0.000095 |
13.86 |
| 22 | 0.000024 |
15.25 |
估算含有多个元件的模拟前端建立时间并非易事,原因有多个。首先,很多器件都没有注明极高精度的建立时间特 性。有源器件的建立时间与建立精度同样不是线性的,并且相比 0.1%,建立至 0.01%可能需要长达 30 倍时间。这有 可能是因为放大器内部的长期热效应所导致。建立时间还与器件驱动的负载有关,并且通常不表征多个负载条件。
在没有特性测试平台的情况下测量高精度建立时间同样十分困难,因为存在示波器过驱和灵敏度的影响,此外生成具有足够上升时间和建立时间的输入脉冲也很困难。
分析电路时,使用某些边界与假设,可以估算出建立时间。总建立时间可以通过单个元件建立时间的和方根(rss) 计算:

系统最大吞吐速率与总建立时间成反比:

ADG5207 建立时间
CMOS开关的等效电路可以近似看作理想开关与电阻 (RON) 串联连接,以及与两个电容(CS、CD)并联连接。随后, 多路复用器级和相关的滤波器可以如图 4 所示建模。

各通道工作情况类似于具有决定建立时间的相关时间常数的 RC 电路。动态切换通道使信号建立时间变得更复杂; 通道完成切换后,上一次输出与当前输入的差异将会产生反冲瞬变。这种反冲类似于AD4003进入采集阶段时其输入端发生的反冲。更多详细说明,请参见《模拟对话》文章: 精密 SAR 模数转换器的前端放大器和 RC 滤波器设计。.
图 4 中的电路使用 NI MultisimTM仿真,如图 5 所示,其中下列元件值来自相应的器件数据手册:
- RON = 250 Ω
- CS = 3.5 pF
- CD = 36 pF
- RIN||CIN = 1.25 GΩ||2 pF
AD8251的输入电阻 (RIN) 足够大 (1.25 GΩ),仿真时可以省略。

仿真结果如图 6 所示。ADG5207输出建立至 10 V 的 0.001% 所需的时间tS_ADG5207 = 188 ns.

AD8251和AD8475的建立时间
AD8251数据手册给出了各种增益配置下,各输入电压步长低至 0.001%误差的建立时间。给定 10 kΩ 负载和 1 倍增益 设置,则AD8251输出端能够在 1 μs 内以 20 V 阶跃建立至0.001%。1 倍增益设置所需的建立时间最长,因此建立时间分析使用 1 µs。
然而,当AD8251驱动AD8475的其中一个输入时,其输入阻抗为 2.92 kΩ 而不是 10 kΩ,因此 1 µs 这个数字可能并不准 确。另外也无法确定AD8251建立至 18 位分辨率的建立时间,因为建立时间与精度之间的关系是非线性的。因此,估计建立时间最好使用 0.001%误差(或 16 位分辨率)。
AD8475建立至 0.001%的建立时间额定值为 50 ns(2 V 差分输出阶跃)。AD8475输出端上的预计最大电压步长为基准 电压 (VREF) 的两倍,或者大约等于 8 V。假定建立时间与输出电压阶跃成正比,则对于 8 V 阶跃来说,0.001%(16位)建立时间约为 200 ns (4 × 50 ns).
因此,各放大器的建立时间为:
- tS_AD8251 = 1 μs
- tS_AD8475 = 200 ns
RC 噪声滤波器建立时间和AD4003
图 7 显示了AD4003的输入等效电路。REXT和 CEXT是 ADC 之 前的 RC 宽带噪声滤波器中的元件。RIN和 CIN分别是AD4003 的输入电阻和电容。CIN主要是内部容性数模转换器 (DAC)。 CPIN主要是引脚电容,可忽略。这些元件值如下:
- REXT = 200 Ω
- CEXT = 120 pF
- RIN = 400 Ω
- CIN = 40 pF

AD4003采用内部容性 DAC 和电荷再分配算法确定其输出码。转换过程包含两个阶段——采集和转换。在采集阶段, 容性 DAC 连接AD4003的输入端。在转换阶段,它断开与输入端的连接,内部逻辑执行电荷再分配算法。与其他 PulSAR ADC 相比,AD4003的转换时间要短得多,它允许用户在转换结束之前返回采集阶段。因此,如果用户以较低吞吐速率运行 ADC,将有更多时间使反冲稳定下来。
信号必须在采集阶段结束前完成建立,以便进行精确转换。为使信号建立时间更大,多路复用器会在AD4003开始转换阶段后立即切换通道。
除了AD8475输出端的多路复用信号建立以外,RC 噪声滤波器和AD4003输入还需要建立至采集阶段开始时出现的 电压反冲。欲了解更多信息,请参见《模拟对话》文章: 精密 SAR 模数转换器的前端放大器和 RC 滤波器设计。
7 中电路的建立时间采用 NI Multisim 进行仿真,如图 8所示。V1 表示AD4003各输入端的预期最大电压阶跃(来 自AD8475的单端输出)。CNV 和 S1 仿真AD4003从转换阶段(V1 改变数值时发生)到采集阶段(转换开始后 300 ns) 的切换。CNV 保持 S1 开路,直到 V1 从 0 V 阶跃至 4 V 之后的 300 ns,表示转换阶段到采集阶段的切换。ADC_IN表示AD4003在 CNV 上升沿采样的电压。
系统这部分的建立时间等于 V1 切换到 4 V(时间 = 0 时,参见图 9)与 ADC_IN 建立至 4 V 的 0.001%之间的时间。

仿真结果如图 9 所示。输出建立至 4 V 的 0.001%所需时间为 tS_AD4003= 711 ns.

总系统建立时间
图1 中整个电路的总建立时间现在可以通过计算各元件建立时间的 rss 值得到:

因此,系统的预期最大通道切换采样速率为:

失调和增益误差结果
表 4 显示图 1 中电路的各通道在各增益配置下的失调误差测量值(以 LSB 方式显示)。表 4 还显示了各增益配置下所有通道的平均失调误差。
测量失调误差时,将所有通道输入接地,在每一种增益配置下收集各通道上的 32,768 个样本,并求平均值。
| 增益 | 通道 1 | 通道 2 | 通道 3 | 通道 4 | 通道 5 | 通道 6 | 通道 7 | 通道 8 | 通道均值 |
| 0.4 | 1.34 | 1.33 | 1.31 | 1.36 | 1.44 | 1.45 | 1.46 | 1.48 | 1.40 |
| 0.8 | 1.98 | 1.99 | 2.02 | 2.06 | 2.00 | 1.98 | 1.99 | 1.97 | 2.00 |
| 1.6 |
3.25 | 3.19 | 3.22 | 3.19 | 3.17 | 3.08 | 3.13 | 3.14 | 3.17 |
| 3.2 | 5.57 | 5.66 | 5.67 | 5.55 | 5.57 | 5.50 | 5.54 | 5.52 | 5.57 |
表 5 显示图 1 中电路各增益配置下的增益为误差测量值。使用上文中的分析方法可以找出%FS 误差,而 V/V 实际增益可以通过从理想增益中减去该误差而计算得到。
| 增益 | 增益误差 (%FS) |
| 0.4 | 0.02 |
| 0.8 | 0.02 |
| 1.6 |
0.03 |
| 3.2 | 0.02 |
无通道切换情况下的性能结果
图 10、图 11、图 12 和图 13 显示了 10 kHz 满量程正弦波输入在单通道上的快速傅里叶变换 (FFT) 曲线,增益配置分 别为 0.4、0.8、1.6 和 3.2。表 6 显示各增益配置下测得的 SNR和 rms 噪声。
| 增益 | SNR (dB) | RMS 噪声 (μV rms) |
THD (dB) |
| 0.4 | 93.9 | 55.2 | –99.2 |
| 0.8 | 92.8 | 62.6 | –98.2 |
| 1.6 |
90.6 | 80.7 | –97.0 |
| 3.2 | 88.0 | 108.9 | – 94.6 |
输入信号由 Audio Precision SYS-2712 串联信号发生器提供,电路板设为差分输入模式。图 14 显示了各增益配置下总谐波失真 (THD) 测量值与输入信号频率的关系。





带通道切换的系统性能
执行多项测试,以便评估系统扫描多个通道时的性能。使用 精密直流源进行实验,测量相对于采样速率的输出码误差(类 似测试请参见 电路笔记 CN-0269) 以及通道间的电压步长。另外还测量在两个反相满量程输入间切换时的交流性能,信号采用精密交流源 (Audio Precision AP SYS -2712)。
图 15 和图 16 分别显示直流和交流性能测试的测试设置。通道切换速率是ADG5207从一个通道切换到另一个通道的速率,等效于AD4003的采样速率。


在直流测试中,两个通道之间的电压步长以及通道切换速率会发生改变。通道切换速率范围为 50 kHz 至 800 KHz, 以 50 kHz 为增量。各增益配置下的电压步长在不同范围内均有所不同。测量各通道在各种电压步长和通道切换速率 下的平均码结果,对每个通道上的 8,192 个样本求平均值。此外还测量各通道在静止情况下(无通道间切换)的平均 码结果。下文讨论的平均码误差由静止情况下和通道切换情况下测得的平均码之差得来。
图 17、图 18、图 19 和图 20 显示了四种增益配置以及多种切换速率下,不同电压步长的平均码误差。图 21、图 22、 图 23 和图 24 显示了四种增益配置以及多种切换速率下,满量程电压步长的平均码误差。








平均码误差随电压步长和通道切换速率的增加而增加。这种增加是因为信号链上的元件兼具压摆和建立时间限制而 引起的。增加步长可强制系统建立更大的电压变化,而增加通道切换速率可降低系统为这些变化分配的建立时间。 当步长和切换速率足够高的时候,平均码误差变大且无法预测,就像增益配置为 0.4 的情况(参见图 17 和图 21)。 这种码误差是由于AD8251仪表放大器中输入缓冲放大器的压摆率限制而导致的。
使用交流源时,通过将系统的 THD 与通道切换速率进行对比来评估系统的性能。AP SYS-2712 能为一个通道提供满量 程正弦波输入,为另一个通道提供反相正弦波。在不同采样速率下测量 THD,范围从 25 kSPS 到 800 KSPS,增量为 25 kSPS。图 25 显示了各种增益配置下每一个通道的 THD测量值。

系统的 THD 性能大约在 700 kSPS 时开始下降(具体取决于增益配置)。整个信号链的 SNR 和 THD 性能主要受 PGA AD8251限制。通道切换采样速率较高时,AD4003之前使用较小的 RC 滤波器也能提供较好的 THD 性能。
电路评估与测试
本电路使用EVAL-CN0385-FMCZ电路板和EVAL-SDP-CH1Z SDP-H1 系统演示平台控制板。这两片板具有 160 引脚的对接连接器,可以快速完成设置并评估电路性能。该电路 板包含待评估电路(如本应用笔记所述),并且CN-0385评估软件从该电路板捕获数据时使用 SDP-H1 控制板。
设备要求
需要以下设备:
- 带 USB 端口和 Windows® XP、Windows Vista®(32 位) 或 Windows 7(32 位)的 PC
- EVAL-CN0385-FMCZ 电路评估板
- EVAL-SDP-CH1Z SDP-H1 控制板
- CN-0385 评估软件 (下载自ftp://ftp.analog.com/pub/cftl/CN0385/)
- 5 V 至 12 V 直流电源或壁式电源适配器 (EVAL-CN0385-FMCZ板包含 9 V 壁式电源适配器)
- USB 转 micro-USB 电缆
- 低失真、低输出阻抗信号发生器提供±10 V 输出
- 低噪声、高精度直流电源提供±10 V 输出
开始使用
从 ftp://ftp.analog.com/pub/cftl/CN0385/下载评估软件,然后在 PC 上安装该软件。
功能框图
电路框图见图 1,完整的电路原理图见 EVAL-CN0385-FMCZ-SCH.pdf 文件。此文件位于 CN-0385 设计支持包. 中。图 26 显示测试设置的功能框图。

硬件设置
图 27 所示为EVAL-CN0385-FMCZ评估硬件。有关 SDP-H1 板的详细信息,请参阅SDP-H1 用户指南。
将电路板上的 160 引脚连接器连接到 SDP-H1 控制板上的J4 连接器。
首先,将 5 V 至 12 V 直流壁式电源适配器连接到 P3 直流插口,或连接到端子板 J1 和位置 V_EXT 上的跳线 J2。或 者,将 J2 放在位置 V_FMC 上以使用 SDP-H1 板的 12 V 电源。然后,通过 USB 转 micro-USB 电缆将 SDP-H1 板连接到 PC。
测试
完成电源或壁式电源适配器以及 USB 电缆连接之后,启动评估软件。USB 通信建立后,就可以使用 SDP-H1 板来发 送、接收、捕捉来自EVAL-CN0385-FMCZ板的数据,并在时域和频域内进行数据分析。 有关测试设置、校准以及如何使用评估软件来捕捉数据的详细信息,请参阅 CN-0385 软件用户指南.


