MAX8525

过期

2至8相VRM 10/9.1 PWM控制器,提供精密的电流分配和快速电压定位

产品技术资料帮助

ADI公司所提供的资料均视为准确、可靠。但本公司不为用户在应用过程中侵犯任何专利权或第三方权利承担任何责任。技术指标的修改不再另行通知。本公司既没有含蓄的允许,也不允许借用ADI公司的专利或专利权的名义。本文出现的商标和注册商标所有权分别属于相应的公司。

Viewing:

概述

  • VRD/VRM 10 (MAX8525)
  • VRD/VRM 9.1 (MAX8524)
  • 快速负载瞬变响应
  • 快速动态平均电流检测
    • 优于5%的电流检测
    • 快速电压定位技术
  • 初始输出电压精度±0.4%
  • 可通过引脚选择2/3/4相工作模式
  • 主从6/8相工作模式
  • 差分远端电压检测
  • 动态VID变化(MAX8525)
  • 可调节的折返式限流
  • 软启动和软停止
  • 电源就绪输出
  • 每相具有50kHz至1.2MHz的开关频率
  • 28引脚QSOP封装

MAX8525 (VRM 10/VRD 10)/MAX8524 (VRM 9.1/ VRD 9.1)是电流模式降压控制器,MAX8523是高速、双相MOSFET栅极驱动器,MAX8552具有宽输入、单相MOSFET栅极驱动器,这三款器件均可提供灵活、低成本的低压CPU核电源。高速、大电流栅极驱动器MAX8523和MAX8552工作在高开关频率,适用于小尺寸、薄型设计,可减小外部元件尺寸,降低成本。工作模式可通过引脚设置为2、3、4相,也可设置为主-从6、8相工作,为服务器、工作站、台式计算机、笔记本以及网络应用提供所要求的输出电流。

MAX8524/MAX8525的开关频率在150kHz至1.2MHz范围内可调,允许高达200kHz的环路带宽。峰值电流模式控制提供快速瞬态响应并降低成本。特有的电流均分技术可将满载时相位之间的不平衡度降至5%以内。

MAX8524/MAX8525具有0.4%的初始精度和远程检测功能。这两款控制器还具有空载电压偏差调节和输出电压定位功能,以通过调节输出电流来调节输出电压。快速有源电压定位功能进一步降低了对大容量输出电容的需求和成本。

电流模式控制简化了不同情况下的电容补偿,无需电压模式控制器中的输出滤波器双极点配置,这两款器件允许使用电解电容、钽电容、聚合物电容以及陶瓷电容。输出电流检测克服了高边电流检测所带来的问题,并确保稳定、无抖动的工作模式。温度补偿、电感电流无损检测省去了电流检测电阻,进一步降低成本,同时可保持电压定位精度,降低功耗。

MAX8525能够控制VID电压瞬变,动态调节VID变化,避免欠压和过压过冲。VID码变化时PWRGD保持准确输出,排除MAX8525的错误故障报警信号。

可调节的折返式限流和过压保护,实现稳固设计。

应用

  • 台式笔记本与LCD PC
  • 台式计算机
  • 高端交换与路由器
  • 服务器与工作站
  • 稳压器模块

MAX8525
2至8相VRM 10/9.1 PWM控制器,提供精密的电流分配和快速电压定位
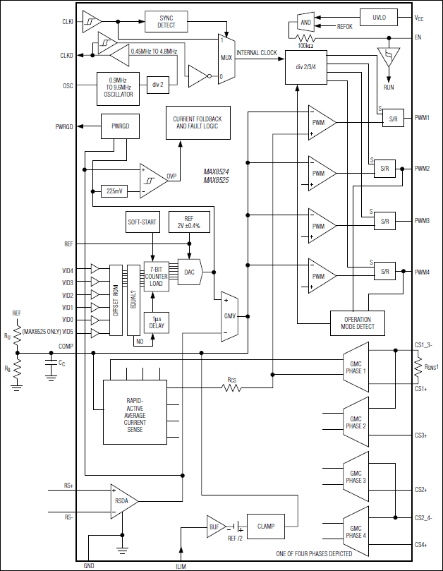
MAX8524、MAX8525:功能框图
添加至 myAnalog

将产品添加到myAnalog 的现有项目或新项目中(接收通知)。

创建新项目
提问

参考资料

了解更多
添加至 myAnalog

Add media to the Resources section of myAnalog, to an existing project or to a new project.

创建新项目

软件资源

找不到您所需的软件或驱动?

申请驱动/软件

硬件生态系统

部分模型 产品周期 描述
MOSFET和栅极驱动器 1
MAX8523 过期 高速、双相栅极驱动器,用于多相、降压型转换器
开关稳压器和控制器 1
MAX1937 过期 双相、台式机CPU核电源控制器,带有受控的VID调节
Modal heading
添加至 myAnalog

将产品添加到myAnalog 的现有项目或新项目中(接收通知)。

创建新项目

最新评论

需要发起讨论吗? 没有关于 MAX8525的相关讨论?是否需要发起讨论?

在EngineerZone®上发起讨论

近期浏览