MAX769

预发布

2或3节电池、升/降压型、双向寻呼机系统电源IC

完备的电源及监控系统,简化设计、降低成本、节省空间

产品技术资料帮助

ADI公司所提供的资料均视为准确、可靠。但本公司不为用户在应用过程中侵犯任何专利权或第三方权利承担任何责任。技术指标的修改不再另行通知。本公司既没有含蓄的允许,也不允许借用ADI公司的专利或专利权的名义。本文出现的商标和注册商标所有权分别属于相应的公司。

Viewing:

概述

  • Regulated Step-Up/Step-Down Operation
  • 80mA Output from 3 Cells
  • 85% Efficiency
  • 13µA Idle Mode™ (coast) Current
  • Selectable Low-Noise PWM or Low-Current PFM Operation
  • PWM Operating Frequency Synchronized to Seven Times an External Clock Source
  • Operates at 270kHz with No External Clock
  • Automatic Backup-Battery Switchover

应用

  • 2节或3节电池供电的手持设备
  • GPS接收机
  • 双向寻呼

MAX769
2或3节电池、升/降压型、双向寻呼机系统电源IC
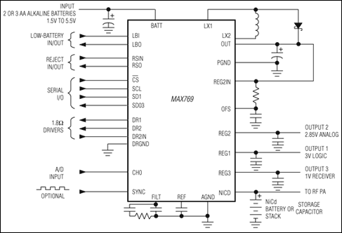
MAX769:典型工作电路
添加至 myAnalog

将产品添加到myAnalog 的现有项目或新项目中(接收通知)。

创建新项目
提问

参考资料

了解更多
添加至 myAnalog

Add media to the Resources section of myAnalog, to an existing project or to a new project.

创建新项目

软件资源

找不到您所需的软件或驱动?

申请驱动/软件

硬件生态系统

部分模型 产品周期 描述
电池充电器IC 1
MAX847 量产 1节电池、升压型、双向寻呼机系统电源IC
Modal heading
添加至 myAnalog

将产品添加到myAnalog 的现有项目或新项目中(接收通知)。

创建新项目

评估套件

MAX769EVKIT

MAX769评估板

特性和优点

  • 输入电压范围:1.5V至5.5V(降压-升压)
  • 1.8V至4.9V数字可调输出电压
  • 总输出电流高达80mA
  • 三个低噪声稳压器
  • 用于小型镍镉、镍氢、锂电池或用作储能电容的充电器
  • 270kHz开关频率
  • 15µA Idle Mode™ 电流
  • 用于振动器、蜂鸣器和其他低功耗无线设计的1.8Ω数字控制开关
  • 复位和低电池电量输出
  • 表贴元件
  • 装配完成且经过测试

产品详情

MAX769评估套件(EV套件)提供了一个用于评估MAX769特性的平台。MAX769将2节或3节1.5V至5.5V电池电压转换为四个独立的输出电压。OUT的主输出电压通过3线SPI™串行接口以100mV步进在1.8V至4.9V范围内进行数字控制。OUT提供高达80mA的电流。其他输出(REG1、REG2和REG3)为低噪声线性稳压器输出。MAX769包含用于双向寻呼和其他低功耗无线设计的多种其他特性。详情请参阅MAX769数据手册。MAX769评估套件是一款装配完成且经过测试的表面贴装电路板。

MAX847与MAX769类似,不同之处在于它包含升压DC-DC转换器(适用于1节电池输入),而不是降压-升压转换器(适用于2节电池或3节电池输入)。要评估MAX847,请订购MAX847EVKIT。

 

应用

  • 2节或3节电池供电的手持设备
  • GPS接收机
  • 双向寻呼

MAX769EVKIT
MAX769评估板

最新评论

需要发起讨论吗? 没有关于 MAX769的相关讨论?是否需要发起讨论?

在EngineerZone®上发起讨论

近期浏览