MAX17410

过期

双相、Quick-PWM控制器,用于IMVP6+ CPU核电源

双相Intel IMVP6+ CPU控制器,用于Montevina平台

产品技术资料帮助

ADI公司所提供的资料均视为准确、可靠。但本公司不为用户在应用过程中侵犯任何专利权或第三方权利承担任何责任。技术指标的修改不再另行通知。本公司既没有含蓄的允许,也不允许借用ADI公司的专利或专利权的名义。本文出现的商标和注册商标所有权分别属于相应的公司。

Viewing:

概述

  • 双相/单相Quick-PWM控制器
  • 在整个输入电压、负载、工作温度范围内保持±0.5% VOUT精度
  • 7位IMVP6+ DAC
  • 动态相位选择有助于优化工作/休眠模式下的效率
  • 瞬态相位重叠允许减小输出电容
  • 增益可调节有源电压定位技术
  • 精确的无损电流平衡
  • 精确的电压下降检测门限和电流门限
  • 远端输出和地回路检测
  • 可调节输出摆率控制
  • 电源就绪窗比较器
  • 功率监测
  • 可编程热故障保护
  • 相位故障输出(PHASEGD)
  • 驱动大功率同步整流FET
  • 4.5V至26V电池输入范围
  • 输出过压和欠压保护
  • 软启动和软关断
  • 内置自举二极管
  • 小尺寸7mm x 7mm、48引脚TQFN封装

MAX17410为两相/单相、交错控制Quick-PWM™降压型VID电源控制器,用于笔记本电脑的IMVP6+ CPU供电。真正的错相工作架构降低了输入纹波电流和输出电压纹波,同时简化了元件选择和电路板布局。Quick-PWM控制技术能够快速响应负载电流阶跃。有源电压定位降低了功耗以及对输出电容的要求,并可对钽电容、聚合物电容或陶瓷电容等大尺寸输出电容进行理想的电压定位补偿。

MAX17410提供两种不同类型的CPU核供电方案:直接由电池降压或从+5V系统电源降压,产生核电压。一次转换方式下器件直接对高压电池组进行降压,可获得极高效率;二次转换方案(对+5V系统电源而非电池电压进行降压)能够工作在更高的开关频率,使系统具有尽可能小的物理尺寸。

摆率控制支持VID码之间的受控转换。利用热敏电阻温度传感器提供可编程的热保护。输出功率监测器提供与负载电流成比例的模拟电压缓冲输出。

MAX17410采用48引脚、7mm x 7mm TQFN封装。

应用

  • IMVP-6+CPU核电源
  • 多相CPU核电源
  • 笔记本电脑/台式计算机
  • 电压定位,降压型转换器

MAX17410
双相、Quick-PWM控制器,用于IMVP6+ CPU核电源
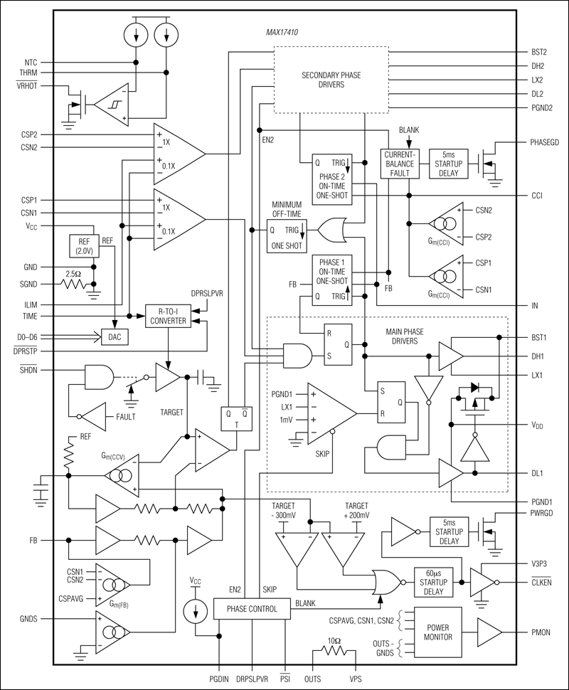
MAX17410:功能框图
添加至 myAnalog

将产品添加到myAnalog 的现有项目或新项目中(接收通知)。

创建新项目
提问

参考资料

了解更多
添加至 myAnalog

Add media to the Resources section of myAnalog, to an existing project or to a new project.

创建新项目

软件资源

找不到您所需的软件或驱动?

申请驱动/软件

硬件生态系统

部分模型 产品周期 描述
风扇转速和热电冷却器(TEC)控制器 1
MAX8796 量产 单相、Quick-PWM控制器,用于Intel IMVP-6.5/GMCH
开关稳压器和控制器 2
MAX17028 量产 单相、Quick-PWM控制器,用于Intel IMVP-6.5/GMCH
MAX17033 量产 双相、Quick-PWM控制器,用于IMVP6+/IMVP6.5
Modal heading
添加至 myAnalog

将产品添加到myAnalog 的现有项目或新项目中(接收通知)。

创建新项目

评估套件

MAX17410EVKIT

MAX17410评估板

特性和优点

  • 双相、快速响应Quick-PWM
  • 兼容Intel IMVP-6+编码组
  • 动态相位选择优化工作/休眠模式下的效率
  • 瞬态相位重叠减小了输出电容
  • 瞬态过冲抑制功能
  • 可调增益有源电压定位
  • 高速、高精度以及高效率
  • 只需少数大尺寸输出电容
  • 7V至24V输入电压范围
  • 0至1.5000V输出电压范围(7位DAC)
  • 可输出38A负载电流(每相19A)
  • 精确的电流平衡和限流
  • 300kHz开关频率(每相)
  • 电源就绪(PWRGD)和相位就绪(PHASEGD)输出与指示
  • 时钟使能(/CLKEN)和热故障(/VRHOT)输出和指示
  • 无铅(Pb)并符合RoHS标准
  • 完全安装并经过测试

产品详情

MAX17410评估板(EV kit)用于演示大功率、可动态调节的多相IMVP-6+笔记本电脑CPU供电电路。这款DC-DC转换器能够对较高的电池电压和/或交流适配器电压进行降压转换,产生精确的低压CPU核电源VCC。MAX17410评估板符合Intel移动IMVP-6+ CPU的瞬态电压要求,具有电源就绪指示信号、电压调节器热监测(/VRHOT)以及功率监测输出(PMON)。MAX17410评估板包含MAX17410双相、交错控制Quick-PWM™降压转换器。MAX17410评估板具有可调增益有源电压定位功能,降低了功耗以及对输出电容的要求。摆率控制器支持VID码之间的受控转换,提供受控的软启动、关断以及退出挂起模式的电压。精确的摆率控制可“及时”响应新的DAC设置,使流入和流出电池的浪涌电流降至最低。

专用的系统输入(/PSI、/DPRSTP和DPRSLPVR)可动态选择工作模式、有效相位数,优化CPU在工作状态和休眠状态的整体效率。

MAX17410提供欠压故障闭锁输出,具有过压故障以及热过载保护功能。器件还包含调节器电源电压就绪输出(PWRGD)、时钟使能输出(/CLKEN)、功率监控输出(PMON)、相位就绪输出(PHASEGD)以及系统电源就绪输入(PGDN)。

完全安装并经过测试的电路板提供0至1.5000V数字可调输出(7位片内DAC),电池输入范围为7V至24V。每相控制器可提供高达19A的输出电流,输出总电流高达38A。MAX17410评估板工作在300kHz开关频率(每相),具有出色的电源电压和负载瞬态响应特性。

应用

  • IMVP-6+CPU核电源
  • 多相CPU核电源
  • 笔记本电脑/台式计算机
  • 电压定位,降压型转换器

MAX17410EVKIT
MAX17410评估板

最新评论

需要发起讨论吗? 没有关于 MAX17410的相关讨论?是否需要发起讨论?

在EngineerZone®上发起讨论

近期浏览