MAX17031

量产

双通道Quick-PWM、降压型控制器,具有低功耗LDO和RTC电源,用于主电源

高度集成并完全符合笔记本电脑主电源的要求

产品技术资料帮助

ADI公司所提供的资料均视为准确、可靠。但本公司不为用户在应用过程中侵犯任何专利权或第三方权利承担任何责任。技术指标的修改不再另行通知。本公司既没有含蓄的允许,也不允许借用ADI公司的专利或专利权的名义。本文出现的商标和注册商标所有权分别属于相应的公司。

Viewing:

概述

  • 双路Quick-PWM
  • 预设5V和3.3V输出
  • 内置100mA 5V线性稳压器
  • 内置OUT1 LDO5旁路开关
  • 次级反馈输入保持电荷泵工作
  • 3.3V 5mA实时时钟(RTC)供电电源(常开)
  • 2V ±1% 50µA基准
  • 输入范围为6V至24V
  • 跳脉冲/强制PWM/超声模式控制
  • 独立的SMPS及LDO5使能控制
  • 独立的SMPS电源就绪输出
  • 所需元件数最少

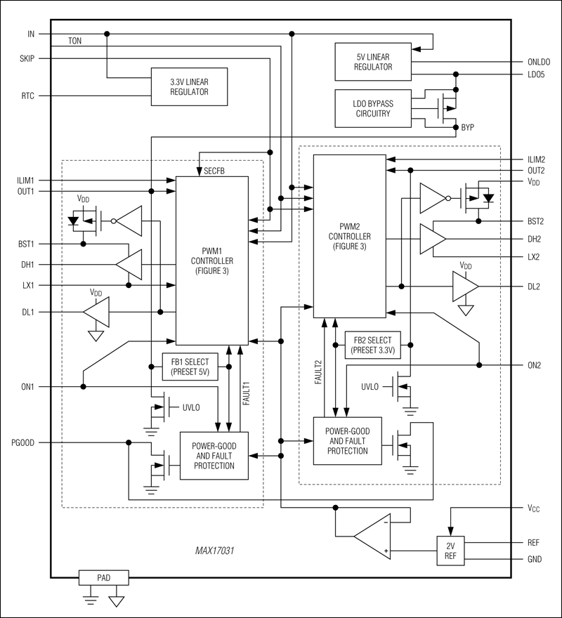
MAX17031带同步整流的双通道Quick-PWM™降压电源(SMPS)控制器,用于生成电池供电系统的5V/3.3V主电源。低边MOSFET检测提供简单的低成本、高效电流检测功能,可实现谷电流限制保护。限流功能与输出过压和欠压保护功能相结合,确保可靠的输出电压。

工作在跳脉冲模式或超声模式时,5V/3.3V SMPS输出可以节省功耗并避免产生可闻噪声。超声模式强制控制器将轻载时的开关频率维持在大于20kHz的水平。SKIP输入还具有精确的逻辑门限,可用作次级反馈输入,刷新外部电荷泵或第二绕组,从而不会产生输出电压过冲。

内部100mA线性稳压器可以产生上电或其它低功耗“常备电路”所需的5V偏置电压。当5V SMPS启动时,独立的旁路输入可以自动旁路线性稳压器。

该器件具有独立的关断控制,简化上电及断电排序设计。为了防止启动时的电流尖峰,内部电压在1ms周期内从零缓慢上升到最终目标电压。为了防止关断时输出端出现振铃使电压达到地电位以下,内部电压在1ms内从先前电压缓慢下降至零。两个独立的电源就绪输出简化了与外部控制器的接口。MAX17031采用无铅、24引脚薄型QFN (4mm x 4mm)封装。

应用

  • 2节至4节Li+电池供电设备
  • 主系统电源(5V和3.3V电源)
  • 笔记本电脑
  • 电信
  • 超便携移动PC

MAX17031
双通道Quick-PWM、降压型控制器,具有低功耗LDO和RTC电源,用于主电源
MAX17031:功能框图
添加至 myAnalog

将产品添加到myAnalog 的现有项目或新项目中(接收通知)。

创建新项目
提问

参考资料

了解更多
添加至 myAnalog

Add media to the Resources section of myAnalog, to an existing project or to a new project.

创建新项目

软件资源

找不到您所需的软件或驱动?

申请驱动/软件

最新评论

需要发起讨论吗? 没有关于 MAX17031的相关讨论?是否需要发起讨论?

在EngineerZone®上发起讨论

近期浏览