LTC3538

推荐用于新设计

800mA 同步降压-升压型 DC/DC 转换器

产品技术资料帮助

ADI公司所提供的资料均视为准确、可靠。但本公司不为用户在应用过程中侵犯任何专利权或第三方权利承担任何责任。技术指标的修改不再另行通知。本公司既没有含蓄的允许,也不允许借用ADI公司的专利或专利权的名义。本文出现的商标和注册商标所有权分别属于相应的公司。

Viewing:

概述

  • 可由高于、低于或等于输出电压的输入电压获得稳压输出
  • 可从单节锂离子/锂聚合物电池提供 800mA 连续输出电流
  • 单个电感器
  • 1.8V 至 5.25V VOUT范围
  • 2.4V 至 5.5V VIN 范围
  • 1MHz 固定频率操作
  • 停机模式中的输出断接
  • 突发模式操作中的静态电流为 35μA
  • 停机电流 <5μA
  • 内部软起动功能
  • 小外形、耐热增强型 8 引脚 (2mm x 3mm) DFN 封装

LTC®3538 是一款高效率、低噪声、降压-升压型转换器,可在输入电压高于、低于和等于输出电压的条件下运作。该 IC所采用的拓扑结构可通过所有操作模式提供一个连续转换功能,从而使得该产品非常适合于输出电压处于电池电压范围内的单节锂离子电池、多节碱性电池或镍氢 (NiMH) 电池应用。

由于能够提供 800mA 电流,LTC3538 因此适合在微型硬盘驱动器 (μHDD) 应用中使用。突发模式 (Burst Mode®) 操作可在轻负载条件下实现高效率。

LTC3538 包括两个 0.17Ω N 沟道和两个 0.2Ω P 沟道MOSFET 开关。在内部将工作频率设定为 1MHz,以较大限度地缩减解决方案的占板面积,并实现效率的较大化。

其他特点包括 <5μA 的停机电流、内部软起动、短路保护和热停机。LTC3538 采用扁平 (高度仅0 .75mm)、耐热增强型 8 引脚 (2mm x 3mm) DFN 封装。 .


应用

  • 微型硬盘驱动器
  • MP3 播放器
  • 数码相机
  • 蜂窝手机
  • PDA、手持式 PC
  • GPS 接收器

LTC3538
800mA 同步降压-升压型 DC/DC 转换器
Li-Ion/Polymer to 3.3V at 800mA Efficiency vs VIN Product Package 1
添加至 myAnalog

将产品添加到myAnalog 的现有项目或新项目中(接收通知)。

创建新项目
提问

参考资料

数据手册 1

可靠性数据 1

用户手册 1

了解更多
添加至 myAnalog

Add media to the Resources section of myAnalog, to an existing project or to a new project.

创建新项目

软件资源

找不到您所需的软件或驱动?

申请驱动/软件

工具及仿真模型

LTspice


LTspice中提供以下器件型号:

  • LTC3538
LTspice

LTspice®是一款强大高效的免费仿真软件、原理图采集和波形观测器,为改善模拟电路的仿真提供增强功能和模型。


评估套件

eval board
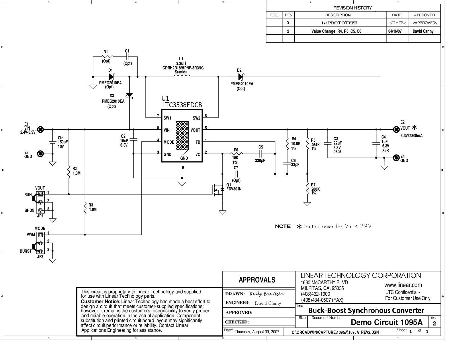
DC1095A

LTC3538EDCB Demo Board | Buck-Boost, 2.4V ≤ VIN ≤ 5.5V, VOUT = 3.3V @ 0.8A

产品详情

Demonstration circuit DC1095 is a micropower synchronous buck-boost converter based on the LTC3538 monolithic buck-boost regulator. The DC1095 has an input voltage range of 2.4V to 5.5V and an output of 3.3V @ 800mA.



DC1095A
LTC3538EDCB Demo Board | Buck-Boost, 2.4V ≤ VIN ≤ 5.5V, VOUT = 3.3V @ 0.8A
DC1095A - Schematic

最新评论

需要发起讨论吗? 没有关于 LTC3538的相关讨论?是否需要发起讨论?

在EngineerZone®上发起讨论

近期浏览