LTC3528

推荐用于新设计

采用 3mm x 2mm DFN 封装的 1A、1MHz 同步升压型 DC/DC 转换器

产品技术资料帮助

ADI公司所提供的资料均视为准确、可靠。但本公司不为用户在应用过程中侵犯任何专利权或第三方权利承担任何责任。技术指标的修改不再另行通知。本公司既没有含蓄的允许,也不允许借用ADI公司的专利或专利权的名义。本文出现的商标和注册商标所有权分别属于相应的公司。

Viewing:

概述

  • 可从单节碱性/ NiMH 电池提供 3.3V/200mA 输出,或从两节电池提供 3.3V/400mA 输出
  • VIN 启动电压:700mV
  • VOUT 范围:1.6V 至 5.25V
  • 效率高达 94%
  • 输出断接
  • 1MHz 固定频率操作
  • 可在 VIN > VOUT 的条件下操作
  • 集成软起动功能
  • 采用内部补偿的电流模式控制
  • 具 12μA 静态电流的突发模式 (Burst Mode®) 操作 (LTC3528)
  • 低噪声 PWM 操作 (LTC3528B)
  • 内部同步整流器
  • 逻辑控制型停机模式:< 1μA
  • 抗振铃控制
  • 扁平 (3mm x 2mm x 0.75mm) DFN 封装

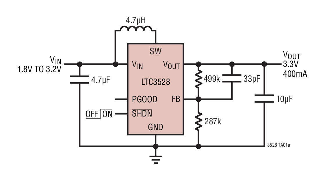
LTC®3528 / LTC3528B 是具输出断接功能的同步、固定频率升压型 DC/DC 转换器。由于采用了高效率同步整流和 700mV 的启动电压,而且一旦起动之后就能够在低至 500mV 的电压条件下运作,因而延长了单节或多节电池供电型产品的运行时间。

1MHz 的开关频率允许采用纤巧、扁平的电感器和陶瓷电容器,从而较大限度地缩减了解决方案的占板面积。电流模式 PWM 采取的是内部补偿,因而简化了设计过程。LTC3528 在轻负载条件下进入突发模式操作状态,而 LTC3528B 则在轻负载条件下执行连续开关操作。抗振铃控制电路通过在断续操作模式中对电感器进行阻尼来降低 EMI。其他的特点包括低停机电流、漏极开路电源良好输出、短路保护和热过载保护。

LTC3528 / LTC3528B 采用 8 引脚 3mm x 2mm x 0.75mm DFN 封装。

 


应用

  • 医疗仪器
  • 基于闪存的 MP3 播放器
  • 噪声消除头戴式耳机
  • 无线鼠标
  • 蓝牙头戴送受话器

 

LTC3528
采用 3mm x 2mm DFN 封装的 1A、1MHz 同步升压型 DC/DC 转换器
Efficiency and Power Loss Product Package 1
添加至 myAnalog

将产品添加到myAnalog 的现有项目或新项目中(接收通知)。

创建新项目
提问

参考资料

了解更多
添加至 myAnalog

Add media to the Resources section of myAnalog, to an existing project or to a new project.

创建新项目

软件资源

找不到您所需的软件或驱动?

申请驱动/软件

工具及仿真模型

LTspice


LTspice中提供以下器件型号:

  • LTC3528
  • LTC3528-2
  • LTC3528B
  • LTC3528B-2
LTspice

LTspice®是一款强大高效的免费仿真软件、原理图采集和波形观测器,为改善模拟电路的仿真提供增强功能和模型。


评估套件

eval board
DC1211A-B

LTC3528BEDDB | 1A, 1MHz Synchronous Boost Converter with Output Disconnect in DFN PWM Mode

产品详情

DC1211A-B: Demo Board for the LTC3528/LTC3528B 1A, 1MHz Synchronous Step-Up DC/DC Converters in 3mm × 2mm DFN.

eval board
DC1211A-A

LTC3528EDDB | 具有输出断开功能的1A、1MHz同步升压转换器(在DFN自动突发模式下)

产品详情

演示电路1211A-A和1211A-B均为高效率同步升压转换器,能够在0.7V至5.5V的输入电压范围内工作。具有1MHz开关频率的3 × 2 mm DFN散热增强型封装和1A内部开关提供非常小的整体解决方案。LTC3528/LTC3528B还具有输出断开功能,且输入电压可大于或小于输出电压。

DC1211A-B
LTC3528BEDDB | 1A, 1MHz Synchronous Boost Converter with Output Disconnect in DFN PWM Mode
DC1211A-A - Schematic
DC1211A-A
LTC3528EDDB | 具有输出断开功能的1A、1MHz同步升压转换器(在DFN自动突发模式下)
DC1211A-A Evaluation Board DC1211A-A Evaluation Board - Top View DC1211A-A Evaluation Board - Bottom View DC1211A-A - Schematic

最新评论

需要发起讨论吗? 没有关于 LTC3528的相关讨论?是否需要发起讨论?

在EngineerZone®上发起讨论

近期浏览