LTC3370

推荐用于新设计

4 通道、8A 可配置降压型 DC/DC

产品技术资料帮助

ADI公司所提供的资料均视为准确、可靠。但本公司不为用户在应用过程中侵犯任何专利权或第三方权利承担任何责任。技术指标的修改不再另行通知。本公司既没有含蓄的允许,也不允许借用ADI公司的专利或专利权的名义。本文出现的商标和注册商标所有权分别属于相应的公司。

Viewing:

概述

  • 8 x 1A 功率级可配置为 2、3 或 4 个输出通道
  • 8 种独特的输出配置 (每个通道为 1A 至 4A)
  • 用于每个 DC/DC 的独立 VIN 电源 (2.25V 至 5.5V)
  • 低的无负载电源电流总值:
    • 在停机模式中为零电流 (所有通道均关断)
    • 一个通道处于突发模式 (Burst Mode®) 操作状态时为 63μA
    • 每个附加通道为 18μA
  • 用于自主型排序的精准使能引脚门限
  • 1MHz 至 3MHz RT 可编程频率 (2MHz 默认值) 或 PLL 同步
  • 温度监视器可指示芯片温度
  • PGOODALL 引脚负责指示所有降压转换器均处于调节状态
  • 32 引脚 5mm x 5mm QFN 封装

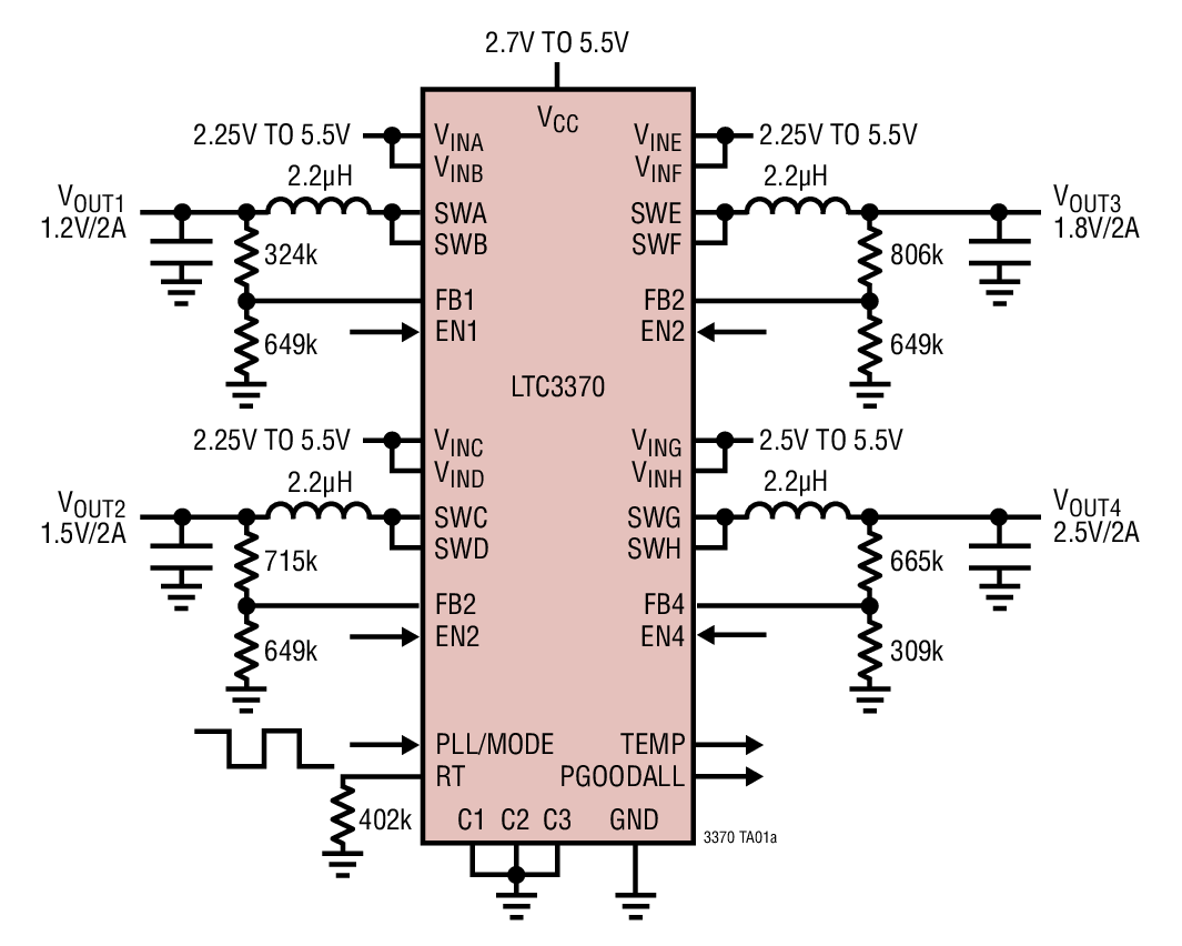
LTC®3370 是一款高度灵活的多输出电源 IC。该器件包括四个被配置为共享 8 个 1A 功率级的同步降压型转换器,全部由独立的 2.25V 至 5.5V 输入来供电。 

通过引脚可编程的 C1-C3 引脚给 DC/DC 分配了 8 种电源配置之一。公共的降压开关频率可以利用一个外部电阻器进行设置、同步至一个外部振荡器、或设定至一个默认的内部 2MHz 时钟。 

所有 DC/DC 的工作模式都可以通过 PLL/MODE 引脚针对突发模式或强制连续模式操作进行编程。当所有被使能的 DC/DC 皆处在其最终输出值的一个规定百分比范围之内时,PGOODALL 输出将发出指示信号。 

为降低输入噪声,降压型转换器以 90° 步进进行调相。精准的使能引脚门限便于实现可靠的电源排序。LTC3370 采用 32 引脚 5mm x 5mm QFN 封装。


Applications

  • 通用型多通道电源:汽车、工业、分布式电源系统

LTC3370
4 通道、8A 可配置降压型 DC/DC
Buck Efficiency vs ILOAD Product Package 1
添加至 myAnalog

将产品添加到myAnalog 的现有项目或新项目中(接收通知)。

创建新项目
提问

参考资料

了解更多
添加至 myAnalog

Add media to the Resources section of myAnalog, to an existing project or to a new project.

创建新项目

软件资源

找不到您所需的软件或驱动?

申请驱动/软件

硬件生态系统

部分模型 产品周期 描述
LTC3371 推荐用于新设计 具看门狗和上电复位功能的 4 通道、8A 可配置降压型 DC/DC 转换器
Modal heading
添加至 myAnalog

将产品添加到myAnalog 的现有项目或新项目中(接收通知)。

创建新项目

工具及仿真模型

LTspice


LTspice中提供以下器件型号:

  • LTC3370
LTspice

LTspice®是一款强大高效的免费仿真软件、原理图采集和波形观测器,为改善模拟电路的仿真提供增强功能和模型。


评估套件

eval board
DC2311A

LTC3370EUH Demo Board | 4-Channel 8A Configurable Bucks, 2.25V ≤ VIN ≤ 5.5V, VOUT1-4 = 1.2V, 2.5V, 1.8V, 3.3V@0-2A Each

产品详情

Demonstration circuit 2311A is a 4-output power supply featuring the LTC3370. The LTC3370 has four current mode synchronous buck regulators which can be configured to share eight individual 1A power stages to create one of eight combinations of 1A, 2A, 3A and 4A regulators. The DC2311A is set up as four 2A buck regulators but can be modified to one of the other seven configurations.

DC2311A
LTC3370EUH Demo Board | 4-Channel 8A Configurable Bucks, 2.25V ≤ VIN ≤ 5.5V, VOUT1-4 = 1.2V, 2.5V, 1.8V, 3.3V@0-2A Each
DC2311A - Schematic

最新评论

需要发起讨论吗? 没有关于 LTC3370的相关讨论?是否需要发起讨论?

在EngineerZone®上发起讨论

近期浏览