LT3464

量产

采用ThinSOT封装并具肖特基二极管和输出断接功能的微功率升压型转换器

产品技术资料帮助

ADI公司所提供的资料均视为准确、可靠。但本公司不为用户在应用过程中侵犯任何专利权或第三方权利承担任何责任。技术指标的修改不再另行通知。本公司既没有含蓄的允许,也不允许借用ADI公司的专利或专利权的名义。本文出现的商标和注册商标所有权分别属于相应的公司。

Viewing:

概述

  • 纤巧的解决方案尺寸
  • 低静态电流  
    • 在运行模式中为 25μA
    • 在停机模式中为 0.5μA
  • 内部 115mA、36V 开关
  • 集成的肖特基二极管
  • 具短路保护功能的集成化 PNP 输出断接电路
  • 内部基准凌驾引脚
  • 可从 3.6V 输入产生 16V/8mA 输出
  • 可从 5V 输入产生 12V/20mA 输出
  • 输入范围:2.3V 至 10V
  • 高输出电压:达 34V
  • 外形扁平 (仅高 1mm) 的 SOT-23 封装

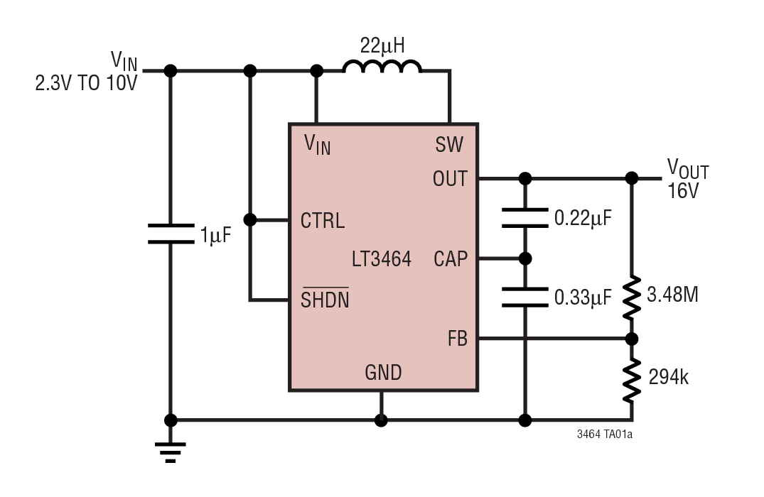
LT®3464 是一款采用外形扁平 (仅高 1mm) 8 引脚 SOT-23 封装并具有集成化肖特基二极管和输出断接功能的微功率升压型 DC/DC 转换器。小封装尺寸、高集成度和纤巧型 SMT 组件的使用造就了 <40mm2 的解决方案尺寸。LT3464 具有一个 115mA 的典型电流限值以及高开关速度以允许采用片式电感器和小的陶瓷电容器。内部 PNP在停机期间把输出负载与输入断接,而且还提供输出短路保护。一个辅助基准输入使用户能够用任何较低的数值来凌驾内部 1.25V 反馈基准,从而在操作期间提供输出电压的全面控制。该器件具有 25μA 的低静态电流,在停机模式中则进一步减小到 0.5μA 以下。一种电流限制固定关断时间控制方案可节省工作电流,从而在很宽的工作电流范围内实现高效率。坚固型 36V 开关和输出断接电路使得可在简单的升压拓扑中容易地产生高达 34V 的输出。

 


Applications

  • OEL 屏偏置
  • LCD 偏置
  • 手持式计算机
  • 电池备份
  • 数码相机
  • 蜂窝电话

LT3464
采用ThinSOT封装并具肖特基二极管和输出断接功能的微功率升压型转换器
Efficiency Product Package 1
添加至 myAnalog

将产品添加到myAnalog 的现有项目或新项目中(接收通知)。

创建新项目
提问

参考资料

了解更多
添加至 myAnalog

Add media to the Resources section of myAnalog, to an existing project or to a new project.

创建新项目

软件资源

找不到您所需的软件或驱动?

申请驱动/软件

工具及仿真模型

LTspice


LTspice中提供以下器件型号:

  • LT3464
LTspice

LTspice®是一款强大高效的免费仿真软件、原理图采集和波形观测器,为改善模拟电路的仿真提供增强功能和模型。


评估套件

eval board
DC612A

LT3464ETS8演示板 | 2个电路, 2.3V ≤ VIN ≤ 10V, VOUT1 = 20V (3mA至6mA), VOUT2 = 15V (9mA至25mA)

产品详情

演示电路612在两个升压转换器电路中内置LT3464ETS8,其中一个电路配置为小尺寸,另一个电路配置为高性能。输入电源电压范围为2.3V至10V,小尺寸电路可输出20V(高达6mA电流),高性能电路可输出15V(高达25mA电流)。小尺寸电路中,LT3464能够使用小型10µH芯片电感和0.22µF输出电容工作。高性能电路则使用47µH电感和1.0µF输出电容,并提供较高的输出电流和效率。

DC612A
LT3464ETS8演示板 | 2个电路, 2.3V ≤ VIN ≤ 10V, VOUT1 = 20V (3mA至6mA), VOUT2 = 15V (9mA至25mA)
DC612A - Schematic

最新评论

需要发起讨论吗? 没有关于 LT3464的相关讨论?是否需要发起讨论?

在EngineerZone®上发起讨论

近期浏览