ADP1850
量产宽输入范围、双路/两相、DC/DC同步降压控制器
- 产品模型
 - 1
 
概述
- 宽范围输入:2.75 V至20 V
 - 电源级输入电压:1 V至20 V
 - 输出电压范围:0.6 V至最高90% VIN
 - 输出电流:每通道25 A以上
 - 通道间精确电流共享(交错)
 - 可编程频率:200 kHz至1.5 MHz
 - 通道间180°相移,可降低输入电容
 - 基准电压精度:±0.85%(−40°C至+85°C)
 - 集成升压二极管
 - 轻负载下可采用节电模式(PSM)工作
 - 精确的电源良好指示,内置上拉电阻
 - 精确的电压跟踪能力
 - 独立通道精度使能
 - 过压和过流限制保护
 - 外部可编程软启动、斜率补偿和电流检测增益
 - 同步输入
 - 热过载保护
 - 输入欠压闭锁(UVLO)
 - 采用32引脚5 mm × 5 mm LFCSP封装
 
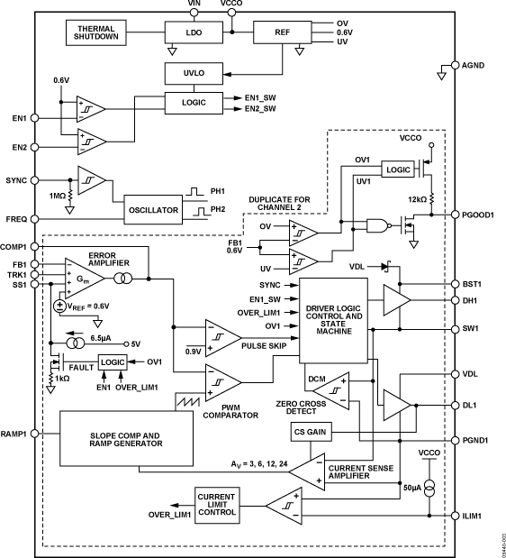
ADP1850是一款DC/DC同步降压控制器,可配置为双路输出或两相单路输出,能够采用常用的3.3 V至12 V(最高可达20 V)电压输入工作。它以电流模式工作,瞬态响应性能得以提高,此外它还利用谷值电流检测来增强抗扰能力。
ADP1850的架构允许电流在交错的两相之间精确共享,以提供大输出电流。
ADP1850非常适合需要多个输出电压的系统应用。它具有同步特性,可消除开关器件之间的拍频。它还提供精确的电源间跟踪能力和精密使能特性,可实现简单而稳定的电源时序控制。
ADP1850具备高速、高峰值电流驱动能力和死区优化特性,支持高效率电源转换。对于小负载操作,可以将该器件配置为节电工作模式(PSM),以便跳过脉冲并降低开关损耗,提高轻负载和待机条件下的电源效率。
精确的电流限值(±6%)使得电源架构师能够在更窄的容差范围内进行设计,以减小转换器整体尺寸和成本。ADP1850提供可配置的架构,工作电压范围非常宽,设计人员因而能够极大地提高重用率并缩短产品上市时间。外部编程特性进一步提高了灵活性,环路补偿、软启动、频率设置、节电模式、电流限制和电流检测增益均可以利用外部器件进行编程。
ADP1850具有高集成度,采用小尺寸封装。启动线性调节器和用于高端驱动的自举二极管均已内置其中。保护特性包括:欠压闭锁、过压/过流/短路保护及过温保护。ADP1850提供紧凑的32引脚LFCSP 5 mm × 5 mm散热增强型封装。
应用
需要电源时序控制和跟踪能力的大电流单路和双路输出中间总线和终端负载转换器,包括用于下列场合的转换器:- 终端负载电源
 - 电信基站和网络
 - 消费电子
 - 工业和仪器仪表
 - 医疗保健
 
参考资料
数据手册 1
用户手册 2
应用笔记 1
电源参考设计 1
模拟对话 1
ADI 始终高度重视提供符合最高质量和可靠性水平的产品。我们通过将质量和可靠性检查纳入产品和工艺设计的各个范围以及制造过程来实现这一目标。出货产品的“零缺陷”始终是我们的目标。查看我们的质量和可靠性计划和认证以了解更多信息。
| 产品型号 | 引脚/封装图-中文版 | 文档 | CAD 符号,脚注和 3D模型 | 
|---|---|---|---|
| ADP1850ACPZ-R7 | 32-Lead LFCSP (5mm x 5mm x 0.75mm w/ EP) | 
| 产品型号 | 产品生命周期 | PCN | 
|---|---|---|
| 
                                                            7月 5, 2018 - 16_0235 Assembly Transfer to ASE Korea and Test Transfer to STATS ChipPAC Singapore of Select LFCSP Parts.  | 
                                                    ||
| ADP1850ACPZ-R7 | 量产 | |
| 
                                                            8月 6, 2014 - 13_0230 Assembly and Test Transfer of Select 3.5x3.5, 4x3, 4x4, and 5x5mm LFCSP Products to STATS ChipPAC China  | 
                                                    ||
| ADP1850ACPZ-R7 | 量产 | |
这是最新版本的数据手册
软件资源
找不到您所需的软件或驱动?
申请驱动/软件工具及仿真模型
LTspice
LTspice中提供以下器件型号:
- ADP1850
 
ADP1850-77 Buck Designer Tool
Microsoft Excel download tool from ADIsimPower to generate a power supply design complete with a schematic, bill of materials, and performance specifications.
打开工具
LTspice®是一款强大高效的免费仿真软件、原理图采集和波形观测器,为改善模拟电路的仿真提供增强功能和模型。