LTC3788-1
量产两相、双输出、同步升压型控制器
- 产品模型
- 4
概述
- 同步操作用于实现较高的效率并减少热耗散
- 宽输入范围:4.5V 至 38V (绝对最大值为 40V),启动之后可在低至 2.5V 运作
- 输出电压高达 60V
- ±1% 1.2V 基准电压
- RSENSE 或电感器 DCR 电流检测
- 针对同步 MOSFET 的较大占空比能力
- 低静态电流:125μA
- 可锁相频率 (75kHz 至 850kHz)
- 可编程固定频率 (50kHz 至 900kHz)
- 可调输出电压软起动
- 电源良好输出电压监视器
- 低停机电流 IQ:< 8μA
- 内部 LDO 从 VBIAS 或 EXTVCC 给栅极驱动器供电
- 采用窄体 SSOP 封装
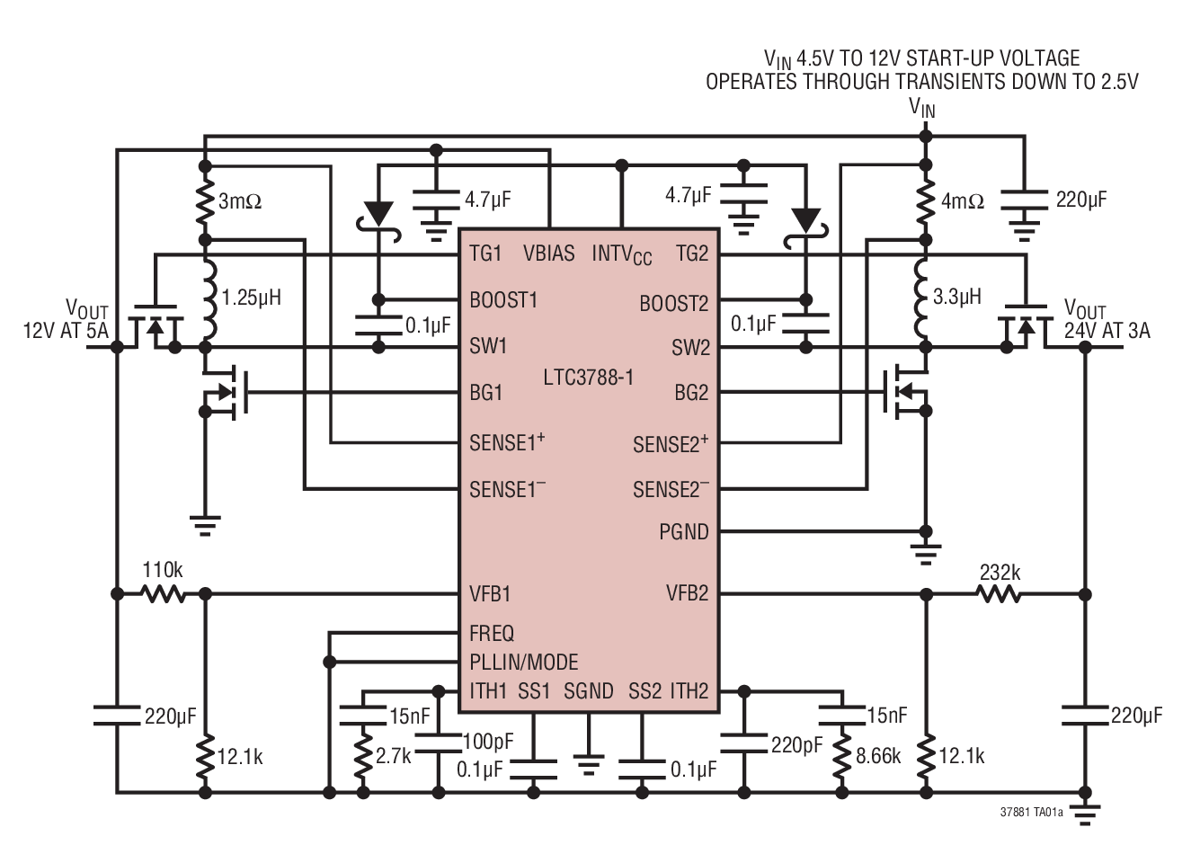
LTC®3788-1 是一款高性能、两相、双通道、同步升压型转换器控制器,用于驱动全 N 沟道功率 MOSFET。它所采用的同步整流提升了效率、减少功率损失、并降低散热要求,从而使得 LTC3788-1 能够在高功率升压应用中使用。
该器件运用了一种恒定频率电流模式架构,因而可提供一个高达 850kHz 的可锁相频率。OPTI-LOOP® 补偿允许在一个很宽的输出电容和 ESR 数值范围内对瞬态响应进行优化。LTC3788-1 具有一个精准的 1.2V 基准和一个双通道电源良好输出指示器。4.5V 至 38V 的输入电源范围囊括了众多的系统架构和电池化学组成。
用于每个控制器的独立 SS 引脚负责在启动期间使输出电压斜坡上升。PLLIN/MODE 引脚用于在轻负载条件下选择突发模式 (Burst Mode®) 操作、脉冲跳跃模式或连续电感器电流模式。
如需采用无引线的 32 引脚 QFN 封装,并具有可调的电流限值、时钟输出、相位调制、和两个 PGOOD 输出功能,请查阅 LTC3788 的产品手册。
应用
- 工业
- 汽车
- 医疗
- 军事
参考资料
数据手册 1
技术文章 3
视频 2
新闻 1
ADI 始终高度重视提供符合最高质量和可靠性水平的产品。我们通过将质量和可靠性检查纳入产品和工艺设计的各个范围以及制造过程来实现这一目标。出货产品的“零缺陷”始终是我们的目标。查看我们的质量和可靠性计划和认证以了解更多信息。
| 产品型号 | 引脚/封装图-中文版 | 文档 | CAD 符号,脚注和 3D模型 |
|---|---|---|---|
| LTC3788EGN-1#PBF | 28-Lead SSOP (Narrow 0.15 Inch) | ||
| LTC3788EGN-1#TRPBF | 28-Lead SSOP (Narrow 0.15 Inch) | ||
| LTC3788IGN-1#PBF | 28-Lead SSOP (Narrow 0.15 Inch) | ||
| LTC3788IGN-1#TRPBF | 28-Lead SSOP (Narrow 0.15 Inch) |
| 产品型号 | 产品生命周期 | PCN |
|---|---|---|
|
10月 3, 2024 - 24_0235 (QSOP/SSOP PKG) Migrating Bottom Trace Code Marking to Top Side Laser Marking |
||
| LTC3788EGN-1#PBF | 量产 | |
| LTC3788EGN-1#TRPBF | 量产 | |
| LTC3788IGN-1#PBF | 量产 | |
| LTC3788IGN-1#TRPBF | 量产 | |
|
8月 10, 2022 - 22_0177 Laser Top Mark Conversion for QSOP20_24_28 Assembled in ADPG [PNG] and UTL |
||
| LTC3788EGN-1#PBF | 量产 | |
| LTC3788EGN-1#TRPBF | 量产 | |
| LTC3788IGN-1#PBF | 量产 | |
| LTC3788IGN-1#TRPBF | 量产 | |
|
7月 31, 2020 - 20_0245 Notification of Wafer Fab Location Change for 0.6µm BICMOS Process Devices from ADI Milpitas (Hillview) to Vanguard Int. (Taiwan) |
||
| LTC3788EGN-1#PBF | 量产 | |
| LTC3788EGN-1#TRPBF | 量产 | |
| LTC3788IGN-1#PBF | 量产 | |
| LTC3788IGN-1#TRPBF | 量产 | |
这是最新版本的数据手册
软件资源
找不到您所需的软件或驱动?
申请驱动/软件工具及仿真模型
LTspice 3
- LTC3788-1/LTC4440-5 Demo Circuit - Two-Stage High Voltage Boost Converter (3-36V to 140V @ 1A)
- LTC3788-1 Demo Circuit - High Efficiency Dual Boost Regulator with Independent Inputs (12-24V to 24V @ 5A & 5-12V to 12V @ 10A)
- LTC3788-1 Demo Circuit - High Efficiency Dual 12V/24V Boost Converter with Rsense Current Sensing (4.5-24V to 24V @ 5A & 12V @ 10A)
LTspice中提供以下器件型号:
- LTC3788
- LTC3788-1
LTpowerCAD
LTpowerCAD中提供以下器件的设计工具:
- LTC3788
LTspice®是一款强大高效的免费仿真软件、原理图采集和波形观测器,为改善模拟电路的仿真提供增强功能和模型。
最新评论
需要发起讨论吗? 没有关于 LTC3788-1的相关讨论?是否需要发起讨论?
在EngineerZone®上发起讨论