概要
設計リソース
設計/統合ファイル
• Schematic• Bill of Materials
• Gerber Files
• Layout Files
• Assembly Drawing
• 設計ファイルのダウンロード 1.33 M
評価用ボード
型番に"Z"が付いているものは、RoHS対応製品です。 本回路の評価には以下の評価用ボードが必要です。
- DEMO-AD7124-DZ ($121.82) Isolated 4 mA to 20 mA/HART Temperature and Pressure Industrial Transmitter
デバイス・ドライバ
コンポーネントのデジタル・インターフェースとを介して通信するために使用されるCコードやFPGAコードなどのソフトウェアです。
AD7124 IIO Sigma-Delta ADC GitHub Linux Driver Source Code
AD7124 GitHub no-OS Driver Source Code
機能と利点
- 絶縁型4 mA ~ 20 mA フィールド計測
- HART トランスミッタ
- ループ給電
- 温度と圧力インプット
製品カテゴリ
マーケット & テクノロジー
使用されている製品
参考資料
回路機能とその特長
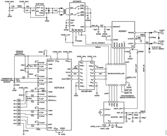
図1に示す回路は工業用の絶縁型スマート・フィールド計測器で、温度センサー(Pt100、Pt1000、熱電対)やブリッジ圧力センサーなど、さまざまなタイプのアナログ・センサーに接続できます。この計測器は、4 mA ~ 20 mAのアナログ出力とHART®(Highway Addressable Remote Transducer )インターフェースを介して通信を行います。HARTは、ピークtoピーク1 mAの周波数シフトキー(FSK)信号を、標準的な4 mA ~ 20 mAのアナログ電流信号上で変調する双方向デジタル通信です。HARTインターフェースを使用すれば、温度や圧力制御などのアプリケーションに必要なリモート・キャリブレーション、フォルト調査、プロセス変数送信といった機能を実現することができます。/p>
この回路は、超低消費電力の高精度24ビットΣ-Δ A/Dコンバータ(ADC)AD7124-4を使用しています。このADCには、温度および圧力システムに必要なすべての機能が含まれています。この回路には、AD5421(16ビット4 mA ~ 20 mAループ給電D/Aコンバータ(DAC))、AD5700(業界最小の消費電力とフットプリントを誇るHART対応ICモデム)、ADuM1441(超低消費電力のシリアル・ペリフェラル・インターフェース(SPI)アイソレータ)、ADG5433(CMOSスイッチ)、およびADP162(絶縁電源回路の低消費電力3.3 Vレギュレータ)も含まれています。

回路説明
アナログ・フロントエンド・インターフェース
AD7124-4は、高精度計測アプリケーション向けに必要なすべての機能を内蔵した、低消費電力、低ノイズのアナログ・フロントエンドです。このデバイスには低ノイズの24ビットΣ-Δ A/Dコンバータ(ADC)が組み込まれており、4つの差動入力、もしくは7つのシングルエンド入力または疑似差動入力を持つように構成可能です。また、内蔵の低ノイズ・ゲイン段により、小振幅の信号でもADCに直接接続することができます。
AD7124-4の主な利点の1つは、3つの内蔵パワー・モードの1つを選択できるという柔軟性を備えていることです。消費電流、出力データレートの範囲、およびRMSノイズは、電力モードを選択することによって調整できます。また、複数のフィルタ・オプションを選択できるので、最大限の柔軟性が得られます。
AD7124-4は、25SPS(1サイクル・セトリング)の出力データレートでの動作時に50 Hz除去と60 Hz除去を同時に行うことができます。
AD7124-4は、最大限のシグナル・チェーン集積化を実現しています。このデバイスは、高精度、低ノイズ、低ドリフトのバンドギャップ・リファレンスを内蔵していますが、外部差動リファレンスを使用することもできます。外部差動リファレンスは内部でバッファ可能です。その他重要な内蔵機能としては、プログラマブル低ドリフト励起電流源、バーンアウト電流、およびチャンネルの同相電圧をAVDD/2に設定するバイアス電圧ジェネレータがあります。ローサイド・パワー・スイッチは、変換と変換の間にブリッジ・センサーの電源を切ることを可能にして、システムの絶対最小消費電力を実現できます。また、動作に内部クロックを使用するか外部クロックを使用するかを選ぶことができます。
内蔵チャンネル・シーケンサはいくつかのチャンネルを同時にイネーブルすることができ、AD7124-4は各イネーブル・チャンネルをシーケンシャルに変換するので、デバイスとの通信を簡素化することができます。最大16個のチャンネルはいつでもイネーブルでき、各チャンネルはアナログ入力用、または電源チェックやリファレンス・チェックなどの診断用として定義されます。この独自の機能により、診断機能を変換機能とインターリーブさせることが可能です。AD7124-4は、チャンネルごとの構成設定もサポートしており、8種類の構成またはセットアップが可能です。それぞれの構成は、ゲイン、フィルタ・タイプ、出力データレート、バッファリング、およびリファレンス源から成ります。これらのセットアップは、チャンネルごとに割当て可能です。
AD7124-4には、その幅広い機能セットの一部として、さまざまな診断機能も組み込まれています。これらの診断機能には、ソリューションの信頼性を高める巡回冗長検査(CRC)、シグナル・チェーン・チェック、シリアル・インターフェース・チェックが含まれています。これらの診断機能は、診断機能実装用の外付け部品の必要性を減らし、必要なボードスペースや設計サイクル時間、コストの削減などを実現します。代表的アプリケーションの故障モード影響/診断解析(FMEDA)によれば、IEC 61508による安全側故障割合(SFF)は90%以上です。
センサー入力
この回路は、8ピン・コネクタを介して、3線および4線式RTD、熱電対、および圧力トランスデューサをサポートしています。AD7124-4には、これらのセンサーへの接続に必要なすべてのビルディング・ブロックが含まれています。このADCは、接続されたすべてのセンサー・タイプに対してもミドルパワー・モードで使用します。また、25SPSでの変換時に50 Hzおよび60 Hz除去を同時に行うことができるため、ポスト・フィルタが使われています。センサーを回路に接続する場合は、接続されたセンサーのタイプに合わせてADCの構成を設定します。さらに、オフセット誤差とフルスケール誤差を最小限に抑えるために、内部のフルスケール・キャリブレーションやオフセット・キャリブレーションを行うこともできます。キャリブレーションは、UARTコマンドまたはHARTコマンドによって開始します。
AD7124-4はさまざまな診断機能を搭載しており、信頼性の高い設計を行うことができます。この回路では、断線検出機能によってセンサーの接続を確認し、パワーオン・リセット発生時にユーザに通知できるようステータス・レジスタのパワーオン・リセット(POR)をモニタすることができます。エラー・レジスタは変換ごとに読み込まれ、その内容がHART経由でセンサー出力とともに送られます。
RTD
測温抵抗体(RTD)は、−200℃ ~ +600℃の温度を測定できます。代表的なRTDはPt100とPt1000で、白金製です。この回路ではPt100を使用しています。
4線式RTD
4線式RTDと回路の接続方法を図2に示します。

AD7124-4のオンチップ励起電流の1つがPt100を励起します。Pt100の最大抵抗は313.71 Ωです(600℃時)。励起電流を250 μAに設定した場合、Pt100に生じる最大電圧は次式で表されます。
![]()
プログラマブル・ゲイン・アレイ(PGA)をゲイン16に設定した場合、モジュレータ入力の電圧は次のようになります。
![]()
5.6 kΩの精密抵抗(0.05%、10ppm/℃)が、リファレンス電圧を生成します。リファレンス抵抗RREFは、その両端に生じる電圧がこの回路で最小1.25Vとなるように選択します。つまり、アナログ入力によってモジュレータ入力に生じる電圧が、リファレンス電圧以下となるようにします。Pt100に供給される250μAの電流は5.6 kΩの抵抗にも流れるので、結果としてレシオメトリック構成となります。したがって、励起電流に変動が生じても、それが回路の性能に影響することはありません。精密抵抗に生じる電圧は次の通りです。
![]()
アナログ入力とリファレンス入力にはアンチエイリアシング・フィルタが組み込まれています。これらのフィルタは、モジュレータ・サンプリング周波数の整数倍の周波数において、対象周波数帯に折り返される干渉を防ぎます。これらのフィルタと外付け抵抗がゲイン誤差を発生させないようにするために、リファレンス・バッファがイネーブルされます。PGA使用時にはアナログ入力バッファがイネーブルになるので、これらのバッファは自動的にイネーブルされます。リファレンス・バッファには、ある程度のヘッドルーム(電源レール内の100 mV)が必要です。したがって、このヘッドルームを確保できるよう、下側に470 Ωの抵抗が組み込まれています。
励起電流が250 μAの場合に必要なヘッドルームは370mVです。このピンに生じる電圧は(470 + 5600 + 313.71)Ω × 250 μA = 1.6 Vで、許容範囲です。
AIN4ピンとAIN5ピンは、AINPおよびAINMアナログ入力として使われます。
コネクタ・ピンの1 kΩ抵抗には、2つの目的があります。アンチエイリアス・フィルタを形成するほか、たとえば誤配線などによる過電圧発生時にアナログ入力を保護する役割も果たします。
回路ノートCN-0381には、4線式Pt100センサーとAD7124-4の接続、および変換の線形化またはポスト処理に関する詳細が示されています。
図1に示す回路は、4線式Pt1000 RTDにも対応しています。回路接続は、Pt100に使われている接続と同じです。ADCの構成はこの項前半に示したものと同じですが、PGAゲインは1に設定します。
3線式RTD
3線式Pt100 RTDと回路の接続方法を図3に示します。

AD7124-4には整合した励起電流が2つあります。どちらも、リード線補正を行うことができるように、3線式RTDとともに使います。Pt100の最大抵抗は313.71Ω(600℃)なので、励起電流は250 mAに設定します。リファレンス抵抗RREFは上側に接続します。したがって、一方の250 μA励起電流(IOUT0)はピンAIN6に出力され、5.6 kΩの精密リファレンス抵抗(0.05%、10ppm/℃)を通ってPt100に流れ込みます。もう一方の250 μA電流(IOUT1)はピンAIN7に出力されます。この電流はリード線抵抗による電圧を発生させますが、AIN6の電流によって生じるリード線抵抗電圧と逆極性になります。したがって、リード線抵抗による誤差は最小限に抑えられます。
5.6 kΩの精密抵抗に生じる電圧は次の通りです。
![]()
Pt100に生じる最大電圧は次の通りです。
![]()
PGAをゲイン16に設定した場合、AD7124-4のモジュレータにかかる電圧は次のようになります。
![]()
これはリファレンス電圧より小さいので、許容範囲内です。
アナログ入力とリファレンス入力にはアンチエイリアシング・フィルタが組み込まれています。これらのフィルタは、モジュレータ・サンプリング周波数の整数倍の周波数において、対象周波数帯に折り返される干渉を防ぎます。これらのフィルタと外付け抵抗がゲイン誤差を発生させないようにするために、リファレンス・バッファがイネーブルされます。PGA使用時にはアナログ入力バッファがイネーブルになるので、これらのバッファは自動的にイネーブルされます。リファレンス・バッファには、ある程度のヘッドルーム(電源レール内の100 mV)が必要です。したがって、このヘッドルームを確保できるよう、下側に470 Ωの抵抗を組み込みました。
励起電流が250μAの場合に必要なヘッドルームは370 mVです。このピンに生じる電圧は(470 Ω × 2 × 250 μA)+(5600 + 313.71)Ω × 250 μA = 1.713 Vで、許容範囲です。
回路ノートCN-0383には、3線式Pt100センサーとAD7124-4の接続、および変換の線形化またはポスト処理に関する詳細が示されています。
図1に示す回路は、3線式Pt1000 RTDにも対応しています。回路接続は、Pt100に使われている接続と同じです。ADCの構成はこの項前半に示したものと同じですが、PGAゲインは1に設定します。
熱電対
熱電対と回路の接続方法を図4に示します。

熱電対は、2種類のワイヤを接続することによって構成されています。生成される電圧は温度によって異なります。たとえばTタイプの熱電対では、一般的に1℃の温度変化で40 μVの電圧が生じます。
熱電対電圧は、ある電圧にバイアスする必要があります。AD7124-4には、熱電対を(AVDD − AVSS)/2にバイアスするVBIAS電圧源が含まれています。このバイアス電圧はAIN6チャネル上でイネーブルされ、図4に示すように熱電対に加えられます。バイアス電圧は、アナログ入力のAINMピン上でイネーブルすることもできます。ただし、AINMのバイアス電圧とAINPのフィルタリングしたバイアス電圧には差があり、この差は変換結果に影響する程度の大きさなので、このケースでは外付けのRとCの値を制限する必要があります。
熱電対測定は絶対値測定で、変換には内部2.5Vリファレンスが使われます。使用する熱電対はTタイプです。この熱電対は−200℃ ~ +400℃の測定が可能で、これに対応する熱電対の生成電圧は−8 mV ~ +16 mVです。PGAは128に設定します。
冷接点補償にはNTCサーミスタを使用します(10 kΩ、1%、3435K)。

内部リファレンスはサーミスタに電源を供給し、この変換ではゲインは1に設定します。サーミスタの下側には抵抗RREFを使います。これは5.6 kΩの精密抵抗(0.05%、10ppm/℃)です。サーミスタに生じる電圧VNTCは次式で表されます。

ここで、
VREFはリファレンス電圧、
ADCCODEはAD7124-4から読み込んだコード、
224はADCの最大コードです。
サーミスタの抵抗RNTCは次式で表されます。

ここで、
RREF = 5.6 kΩ、
VREFはリファレンス電圧です。
これらの式をまとめると次式が得られます。

ここで、
ADCCODEはAD7124-4から読み込んだコード、
RREF = 5.6 kΩ、
FSCODEは AD7124-4のフルスケール・コード(224)です。
次いでこの抵抗は、下に示すサーミスタの式に基づくルックアップ・テーブルを使用して、マイクロコントローラ内で温度に変換されます。

ここで、Tはサーミスタによって記録された温度(K)、
R0 = 10 kΩ、
β = 3435 K、
T0 = 298.15 K、
得られる温度(℃)はT − 273.15です。
アナログ入力バッファがイネーブルされていて、これらには100 mVのヘッドルームが必要なので、5.6 kΩの抵抗はアナログ入力のヘッドルームも提供します。この抵抗は誤配線時の電流を制限するので、回路保護の役割も果たします。
回路ノートCN-0384には、熱電対センサーとAD7124-4の接続、および変換の線形化またはポスト処理に関する詳細が示されています。
圧力センサー
電圧励起型圧力センサーは図6に示すように接続し、電流励起型圧力センサーは図7に示すように接続します。ここでは、ハネウェル社製圧力センサー(Honeywell S&C 24PCDFA6D)を使用します。


電圧励起型アーキテクチャの場合は、AVDD(3.3 V)がセンサーを励起します。AVDDを使用してロードセルを励起した場合は、励起電圧をADCのリファレンスとして直接使用することができます。センサーの上側と下側には、AD7124-4のバッファのヘッドルーム要件を満たすために抵抗が追加されています。使用ゲインは16です。
電流励起モードではAD7124-4の両方の100 μA励起電流がピンAIN6に供給され、センサーの励起電流は200 μAになります。この場合も、PGAは16に設定します。5.6 kΩの精密抵抗はリファレンス電圧を生成します。この仕組みはレシオメトリック構成となり、励起電流値に変動が生じてもシステムの精度には影響しません。
回路基板には、センサーの下側をAD7124-4のGNDまたはパワー・スイッチに接続するオプションが含まれています。
すでに述べたように、アナログ入力とリファレンス入力には、ADCサンプリング周波数の整数倍の周波数で生じる干渉を除去するために、アンチエイリアス・フィルタが組み込まれています。過電圧が生じた場合は、直列抵抗も電流を制限します。
プライマリ・センサーのシミュレーション
回路には、センサー・シミュレーションを可能にする抵抗ネットワークとポテンショメータが含まれています(図1に示すプライマリ・センサー・シミュレーション回路)。ポテンショメータを使用して、AIN0(AINP)とAIN1(AINM)の間に加える電圧を約−0.09 Vから約+1.36 Vまで変えることができます。この回路は、変換に内部リファレンスを使用しています。AD7124-4のゲインは1に設定され、アナログ入力バッファはイネーブルされています。この構成では、外部センサーを接続することなく回路を評価することができます。
デジタル・データ処理、アルゴリズム、および通信
デモンストレーション・ソフトウェア(CN-0382 Design Support Packageに収録)は、初期化と構成設定、アナログ入力のデータ処理、アナログ出力の制御、およびHART通信を行います。以上で述べたすべてのセンサーには、線形化つまり補正が必要です。この線形化はソフトウェアで行います。RTDセンサーと熱電対センサー、および必要な線形化の詳細については、回路ノートCN-0381、回路ノートCN-0383、および回路ノートCN-0384を参照してください。
アナログ出力
AD5421には4 mA ~ 20 mAのループ給電出力ドライバを備えた低消費電力の高精度16ビットDACが組み込まれています。このデバイスは、フィールド計測器のアナログ出力に必要なすべての機能を備えています。
AD5421は、SPIインターフェースを介してマイクロコントローラに接続できます。
AD5421には、4 mA ~ 20 mAループに関連するさまざまな診断機能も含まれています。この補助的なADCは、VLOOPピンに接続した20 MΩ/1 MΩの抵抗分圧器を介して、計測器のループ端子の電圧を測定できます。また、内蔵センサーを介してチップ温度を測定することも可能です。AD5421のすべての診断は、マイクロコントローラによって設定と読込みを行うことができますが、AD5421を自律的に動作させることもできます。
たとえば、コントローラとAD5421の間の通信が機能しなくなった場合は、定められた時間が経過すると、AD5421がそのアナログ出力を自動的に3.2 mAアラーム電流にセットします。このアラーム電流は、フィールド計測器が動作しなかったことをホストに通知します。
ソフトウェアは、出力電流がある値から別の値へ変化する際に、HART通信の障害を防ぐため、そのあらゆる変化を管理します
HART通信
AD5700には、フル機能のHART FSKモデムが組み込まれています。このモデムは標準UARTインターフェースを介してマイクロコントローラに接続され、送信要求(RTS)信号とキャリア検出(CD)信号をやり取りします。
HART出力は、0.068 µF/0.22 µFの容量分圧器によって必要な振幅にスケーリングされてAD5421のCINピンにカップリングされ、ここでDAC出力と結合し、出力電流を駆動して変調します。
HART入力は、LOOP+からシンプルなパッシブRCフィルタを介して、AD5700のADC_IPピンにカップリングされます。RCフィルタは、HART復調器の第1段バンドパス・フィルタとして機能するほか、システムの電磁耐性も改善します。これは、過酷な工業環境で使用される信頼性の高いアプリケーションにとって重要です。
AD5700低消費電力発振器は、XTAL1ピンとXTAL2ピンに直接接続された3.6864 MHzの外付け水晶発振子を使用して、HARTモデム用のクロックを生成します。
出力保護
過渡電圧サプレッサ(TVS)は、4 mA ~ 20 mA HARTインターフェースを過電圧から保護します。TVS電圧定格は、AD5421のREGINピンの絶対最大電圧60 Vを超えないように選択してください。TVSリーク電流は電流出力精度に影響を与える可能性があるので、この部品を選ぶ際には、所定のループ電圧および温度範囲におけるリーク電流に注意してください。
外付けのデプレッション型FETをAD5421とともに使用すれば、ループ電圧を最大限まで上げることができます。
回路は、ループ出力に直列に接続した1組のダイオードによって、逆極性から保護されています。
また、ループに直列に接続されたフェライト・ビーズは、4700pFのコンデンサとともにシステムのEMC性能を改善します。ループ端子間にはこれ以上の容量のコンデンサを使用しないでください。これはHARTネットワーク仕様による制約です。
4.7Vの低リーク・ツェナー・ダイオードは、AD5421のCOMピンとLOOPピンの間に誤って外部電圧が加わった場合(たとえば回路のデバッグ中)に、AD5421のオンチップ50Ωループ検出抵抗を保護します。
電源と電源管理
センサー駆動電流を含むフィールド計測器回路は、その全体が、4 mAから20 mAまでのループで使用できる限られた電力量で作動しなければなりません。これは、あらゆるループ給電フィールド計測器設計に共通する課題です。図1に示す回路は、低消費電力と高性能の両方を実現するソリューションの一例です。このアプリケーションに使われているすべての集積回路は低消費電力を実現できるよう設計されており、回路はその内蔵機能を利用して、柔軟な電力管理構造と最適なループ給電ソリューションを実現します。
AD5421は4 mA ~ 20 mAのループ電圧を電源に使用し、安定化された低電圧を残りの回路に供給します。AD5421のREGOUT電圧は、回路の要件に応じ、ピンによって1.8V ~ 12Vの範囲で設定可能です。図1の回路は、9V電源電圧オプションを使用しています。センサー側は、シンプルなプッシュプル型のDC-DCコンバータを使用して、4 mA ~ 20 mAループから絶縁されています。ADG5433は、マイクロコントローラのクロックを使用して、トランスを駆動する9Vの非オーバーラップ矩形波を生成します。トランスは2:1の電圧比で動作します。2次側の4.5Vは、AD7124-4用の低ノイズ3.3V電源を生成するために、ADP162によって整流され、安定化されます。AD7124-4のアナログおよびデジタル3.3V電源は、ともにADP162レギュレータによって供給されます。ただし、デジタル回路からのノイズがアナログ部分に入り込むのを防ぐために、フィルタ(L1/R19)が組み込まれています。
AD5421は、ループ側の3.3Vロジック電源を供給します。この電源は、マイクロコントローラとAD5700が直接使用します。
REGOUT RCフィルタ(10 µF/10 Ω/10 µF)は、ループからの干渉がアナログ回路に影響を与えないようにします。また、回路によって生じる干渉、特にコントローラ回路やデジタル回路によって生じる干渉が、ループに入り込むのを防止します。これは、HART通信の信頼性を確保する上で重要です。
AD5700 HARTモデムの電源は、追加のRCフィルタ(470 Ω/1 µF)を介して供給されます。このフィルタは、 AD5700からの電流ノイズが4 mA ~ 20 mAループ出力に入り込むのを防ぐので、ループ給電アプリケーションにとって非常に重要です。このノイズがループに入り込むと、HART通信に悪影響を与えます。AD5700モデムは、グラウンドとの間に8.2 pFのコンデンサを取り付けた外付け水晶振動子をXTAL1ピンとXTAL2ピンに接続して使用します。これは消費電力を最も小さくする選択肢です。
AD7124-4の主な利点の1つは、3つの内蔵パワー・モードの1つを選択できる柔軟性を備えていることです。消費電流、出力データレートの範囲、およびRMSノイズは、パワー・モードを選択することによって調整できます。したがって、4 mA ~ 20 mAの装置や携帯型装置では、ローパワーまたはミドルパワー・モードが最良の選択です。消費電力があまり問題とならないようなプロセス制御システムには、フルパワー・モードを使用してノイズを低く抑えることができます。このループ給電回路では、ミドルパワー・モードを使用します。パワー・モードの詳細については、AD7124-4のデータシートを参照してください。
AD7124-4のPSWグラウンド・スイッチ・ピンは、圧力トランスデューサ接続時の励起/電源を制御します。計測器の電源をオンにすると、このスイッチはデフォルトでオフになります。このデフォルト設定により、センサーをオンにする前に、適切なパワー・モードを含めてシステムを完全に構成することができ、結果として、4 mA ~ 20 mAループ出力における電源オン時のスパイク発生の可能性が最小限に抑えられます。
RTDセンサーを接続した場合、センサーの電源はAD7124-4のプログラマブル電流源から供給されるので、そのパワー・モードはソフトウェアによってすべて制御されます。同様に、熱電対センサーの場合は、バイアス電圧と絶対リファレンスがAD7124-4に組み込まれているので、これらもソフトウェアによって制御されます。
ソフトウェア
マイクロコントローラは、SPIインターフェースを使用してAD7124-4とAD5421に接続され、UARTインターフェースUART0を介してAD5700と通信します。ソフトウェアは、もう1つのUART(マイクロコントローラのインターフェース)であるUART1を介してマイクロコントローラにダウンロードされます。
起動時はマイクロコントローラが3個のデバイスすべての構成設定を行い、AD7124-4 はTタイプ熱電対に合わせて設定されます。AD7124-4は、連続変換モードで動作します。したがって、DOUT/RDYピンもマイクロコントローラ上の割り込みに接続されます。ADCから変換結果が得られるごとにマイクロコントローラへの割込みが生成されて、変換結果が読み込まれます。次いで、マイクロコントローラがデータの線形化と処理を行います。結果は、4 mA ~ 20 mAループで送信するためにAD5421 DACへ送られます。回路の機能と性能のデモに使用するソフトウェアは、CN-0382 Design Support Packageに含まれています。このソフトウェアは、この回路ノートに述べたすべてのセンサー・タイプに対応しています。センター・タイプに合わせてソフトウェアを変更する方法や、マイクロコントローラへのソフトウェアのダウンロードに関する詳細を示したドキュメントも、CN-0382 Design Support Packageに含まれています。
コード例には、ハードウェアの機能と能力を示すための、基本的なHARTスレーブ・コマンド応答が含まれています。ただし、HART通信のプロトコル層は含まれていません。
バリエーション回路
AD7124-4には高性能で非常に柔軟なアナログ・フロントエンドが搭載されており、4個の差動アナログ入力用または7個の疑似差動アナログ入力用のピンと、電圧リファレンスおよび下側パワー・スイッチ用の追加ピンがあります。そのため、抵抗ブリッジ・センサー、抵抗温度センサー、熱電対など、タイプの異なる複数のアナログ・センサーに直接接続できます。したがって、フィールド計測器ソリューションを、この回路ノートに示したセンサー・タイプだけに限定する必要はありません。このデバイスは、ほぼあらゆるセンサーを使用したフィールド計測器に対応可能です。
AD7124-8は、AD7124-4の代わりに使用することができます。性能は、AD7124-4もAD7124-8も同じです。ただし、AD7124-8には8個の差動用または15個の疑似差動用の入力があるので、多数のチャンネルを必要とするアプリケーションに適しています。
AD5421は、保護回路を介してループに直接接続できます。あるいは、図8に示すように、AD5421とループ電源の間にデプレッション型NチャンネルMOSFETを接続することができます。この構成にMOSFETを追加すると、AD5421の電圧降下が約12Vに保たれ、AD5421パッケージで消費される電力が減るので、4 mA ~ 20 mAアナログ出力の精度が向上します。また、これによりループ内で許容できる最大電圧がMOSFETの定格レベルまで増加します。追加のMOSFETがHART通信に影響を与えることはありません。

この回路では、AD5700を3.6864 MHzの水晶振動子とともに使用しています。これは最小限の消費電力を実現できる構成です。あるいは、精度0.5%の高精度内部発振器を組み込んだAD5700-1を使用することもできます。内部発振器を使用した場合は水晶発振器使用時に比べてモデムの電源電流が最大225 µAまで増加しますが、外付け水晶振動子が不要になるので、この方法を選べば、コストと必要ボード面積を減らすことができます。
ループ給電を使用しないアプリケーションでは、AD5410、AD5420、AD5422、またはAD5755が4 mA ~ 20 mA DACに適しています。
最後に、ADuM1441の代わりとなり得るアイソレータ製品には幅広い選択肢があり、ADuM1440、ADuM1442、ADuM1445、ADuM1446、ADuM1447、ADuM1240、ADuM1241、ADuM1245、およびADuM1246を使用することができます。
回路の評価とテスト
回路ハードウェア
図1に示す回路は、図9に示すDEMO-AD7124-DZプリント基板(PCB)を基に構成されています。

DEMO-AD7124-DZ回路基板には、システム評価を容易にする追加機能が含まれています。RTD熱電対または圧力センサーは、8ピン・コネクタJ5を介して接続できます。また、HART RTSおよびCD用のテスト・ポイントがあります。4ピン・コネクタを使用すれば、マイクロコントローラにコードをダウンロードできます。
CN-0382 Design Support Packageには、3線式と4線式のPt100とPt1000 RTD、熱電対、および電圧/電流励起圧力センサーを使用するフィールド計測器用の完全なCコード例も含まれています。このCコードを使用すれば、回路のすべてのハードウェア・ブロックと機能の検証と評価、およびHARTインターフェース機能の部分的な検証を行うことができます。HARTインターフェースの仕様およびリソースの詳細については、HART通信協会(HART Communication Foundation)へお問い合わせください。
回路の消費電力
回路内測定を容易にするために、回路には多数の電流測定用テスト・ポイントが設けられています。 AD5421のREGOUTピンとDVDDピンの経路には、10 Ωの抵抗が組み込まれています。また、ADP162の出力の場合も、その経路には同様の10 Ω抵抗が組み込まれています。10 Ω抵抗の両側には、複数のテスト・ポイントが設けられています。このセットアップは、各抵抗での電圧降下を測定して、電源電流を中断させたり回路に悪影響を与えたりすることなく、電流を計算することを可能にします。
回路の構成は以下の通りです。
- マイクロコントローラ・コア・クロック = 1 MHz
- AD7124-4とアナログ回路は、個々のセンサー・タイプに応じたモードで動作
- AD5421は10SPSのレートで動作し、ループ出力電流を更新
- HART通信(マスター要求に対して定期的に応答してデバイス変数を読み込む)
| Mode | AD5421 Internal (mA) | DVDD 3.3 V (mA) |
REGOUT 9.0 V (mA) |
Total Off Loop (mA) | Isolated 3.3 V (mA) |
| Simulation | 0.28 | 0.63 | 0.82 | 1.73 | 0.48 |
| RTD 4-wire | 0.28 | 0.63 | 1.00 | 1.91 | 0.84 |
| RTD 3-wire |
0.28 | 0.63 | 1.12 | 2.03 | 1.08 |
| TC | 0.28 | 0.63 | 0.89 | 1.80 | 0.61 |
| Pressure | |||||
| V Mode | 0.28 | 0.63 | 1.16 | 2.07 | 1.15 |
| I Mode | 0.28 | 0.63 | 0.98 | 1.89 | 0.79 |
表1に、個々のブロック、すなわちAD5421自体(見積値、AD5421を最小ループ電流に置くことによって検証)、3.3 V のDVDDから電源を供給する回路(マイクロコントローラ、HARTモデル、およびSPI絶縁の1次側)、ならびに絶縁型電源の1次側(9 V)の電源電流を示します。これらの電流成分を合計すると、回路自体のためにループから供給される全電流量が得られます。ただし、これには出力を4 mA ~ 20 mAとするための可変電流成分が含まれていません。「Isolated 3.3 V」の列は絶縁された3.3 V電源からの電流値であり、これは、センサー、AD7124-4、およびSPI絶縁2次側の電源として使われます。
入力センサーを含め、関係するすべてのアナログおよびデジタル・ブロックを使った回路が消費する電源電流は、最小の4 mAループ出力電流時の許容量内に十分収まります。
センサー入力性能
4線式RTD
4線式RTDに接続した場合のシステム性能を図10に示します。ここでは、BグレードのPt100センサーを使用します。AD7124-4の構成は以下の通りです。
- パワー・モード:ミドルパワー・モードr mode
- フィルタ:ポスト・フィルタ、25 SPS
- 励起電流:AIN6でイネーブルされ、250 µAに設定μA
- ゲイン = 16
- 極性:ユニポーラ
- リファレンス・バッファをイネーブラ
- AIN4/AIN5チャンネルにRTDを接続
- リファレンス:REFIN1(5.6kΩのリファレンス抵抗をREFIN1端子間に接続)
- AD7124-4の内部オフセット・キャリブレーションとフルフルスケール・キャリブレーションを起動時に実行

ADCから読み出した変換値を、マイクロコントローラ内で線形化しました。Pt100センサーの温度を0℃から100℃まで変化させ、回路基板を25℃に保ちました。デモの精度を図10に示します。デモの測定精度は、BグレードPt100センサーの規定精度内です。
3線式 RTD
3線式RTDに接続した場合のシステム性能を図11に示します。ここでは、BグレードのPt100を使用します。AD7124-4 の構成は以下の通りです。
- パワー・モード:ミドルパワー・モード
- フィルタ:ポスト・フィルタ、 25 SPS
- 励起電流IOUT0:AIN6でイネーブルされ、250µAに設定
- 励起電流IOUT1:AIN7でイネーブルされ、250µAに設定
- ゲイン = 16
- 極性:ユニポーラ
- リファレンス・バッファをイネーブラ
- AIN4/AIN5チャンネルにRTDを接続
- リファレンス:REFIN1(5.6kΩのリファレンス抵抗をREFIN1端子間に接続)
- AD7124-4の内部オフセット・キャリブレーションとフルスケール・キャリブレーションを起動時に実行

Pt100センサーの温度を0℃から100℃まで変化させ、回路基板を25℃に保ちました。ADCから読み出した変換値を、マイクロコントローラ内で線形化しました。これにより、実際の温度と回路基板による測定温度の誤差が得られています。内部オフセット・キャリブレーションとフルスケール・キャリブレーションは、温度を変化させる前に25℃で行いました。このキャリブレーション後の3線式Pt100は、BグレードPt100に許容されるエンベロープ内に十分収まっています。デモの精度を図11に示します。デモの測定精度は、BグレードPt100センサーの規定精度内です。
熱電対
Tタイプ熱電対に接続した場合のシステム性能を図12に示します。AD7124-4 の構成は以下の通りです。
- パワー・モード:ミドルパワー・モード
- 熱電対の構成
- ゲイン = 128
- チャネル: AIN4/AIN5
- 内部リファレンスをイネーブル
- フィルタ:ポスト・フィルタ、25 SPS
- 極性:バイポーラ
- AD7124-4の内部オフセット・キャリブレーションとフルフルスケール・キャリブレーションを起動時に実行
- 冷接点の構成
- ゲイン = 1
- フィルタ:高速セトリング Sinc3、44.44 SPS
- チャンネル:AIN2/AIN3
- 内部リファレンスを選択
- アナログ入力バッファをイネーブル
- 極性:バイポーラ
AD7124-4のフルスケール誤差は工場でゲイン1にキャリブレーションされているので、それ以外のキャリブレーションは行っていません。

図12では、冷接点を25℃に保って熱電対を0℃から100℃まで変化させています。ADCから読み出した変換値の処理と線形化は、マイクロコントローラ内で行いました。
Tタイプ熱電対の精度は、1℃または0.75%のいずれか大きい方です。サーミスタも、ある程度誤差を増加させます。この回路に使われているサーミスタの精度は、1%または1℃のいずれか大きい方です。実際の温度と測定温度の差を図12に示します。結果は、熱電対/サーミスタの組合わせに対する規定値の範囲内に十分収まっています。
測定は、熱電対を25℃に維持し、冷接点を0℃から80℃まで変化させて繰り返し行いました(図13参照)。システムの全体的精度は1.75℃ですが、これは、Pt100センサーなど、より高精度の冷接点を使用することによって改善できます。

圧力
ノイズ・テストは、圧力センサーを接続した状態で行いました。アナログ・フロントエンドと、ボードの他の回路部分の相互作用によって影響を受ける可能性がある要素は、主にノイズのレベルです。このため、テストはシステムのノイズと、関連する分解能性能に焦点を当てて行いました。
デモは、HART通信によりkPa単位の圧力を表すデータを送信するように構成し、100個のサンプルを収集して、性能を定量化するための基本的なデータ解析を行いました。最初のテストは標準的な圧力センサー(Honeywell 24PCDFA6D)を接続して行い、2回目のテストは、短絡状態の入力によって生成された入力信号を使用して行いました。
また、テストにあたっては、電流源と電圧によりセンサーを励起しました。電圧モードでのAD7124-4の構成は以下の通りです。
- パワー・モード:ミドルパワー・モード
- フィルタ:ポスト・フィルタ、 25 SPS
- ゲイン = 16
- 極性:バイポーラ
- リファレンス・バッファをイネーブル
- AIN4/AIN5 チャンネルにセンサーを接続
- リファレンス:REFIN2(圧力センサーの検出抵抗によって提供されるリファレンス)
電流励起モードでのAD7124-4の構成は以下の通りです。
- パワー・モード:ミドルパワー・モード
- フィルタ:ポスト・フィルタ、25 SPS
- E励起電流:AIN6では両方の励起電流をイネーブルして100µAに設定するので、合計電流は200µA
- ゲイン = 16
- 極性:バイポーラ
- リファレンス・バッファをイネーブル
- AIN4/AIN5 チャンネルにセンサーを接続
- リファレンス:REFIN1(5.6kΩのリファレンス抵抗を接続REFIN1端子間に接続)
性能の概要を表2に示し、信号プロットを図14から図17に示します。
| Parameter | Voltage Mode |
Current Mode |
Unit |
||
| Pressure Sensor | Shorted Input | Pressure Sensor | Shorted Input | ||
| Full Scale | 391.47 | 391.47 | 438.45 | 438.45 | kPa |
| Noise RMS | 0.66 | 0.61 | 1.76 | 1.69 | Pa |
| Peak-to-Peak Noise |
3.5 | 3.2 | 11.1 | 9.8 | Pa |
| Effective (RMS) Resolution | 19.2 | 19.3 | 17.9 | 18 | Bits |
| Noise-Free (Peak-to-Peak) Resolution | 16.8 |
16.9 |
15.3 |
15.4 |
Bits |





