MAX7306

量产

SMBus/I²C接口、4端口电平转换GPIO和LED驱动器

低电压LED驱动器,提供闪烁控制、瞬变检测及电平转换,采用微小封装,可理想用于蜂窝电话、智能电话等产品

产品技术资料帮助

ADI公司所提供的资料均视为准确、可靠。但本公司不为用户在应用过程中侵犯任何专利权或第三方权利承担任何责任。技术指标的修改不再另行通知。本公司既没有含蓄的允许,也不允许借用ADI公司的专利或专利权的名义。本文出现的商标和注册商标所有权分别属于相应的公司。

Viewing:

概述

  • 1.4V至5.5V I/O逻辑转换端口电源(VLA)
  • 1.62V至3.6V电源电压
  • 四路独立的可配置GPIO端口
    • P1 = 漏极开路I/O
    • P2、P3和P4 = 推挽式或漏极开路I/O
    独立的33级PWM亮度控制
  • 输出端具有15级闪烁控制
  • 1kHz PWM周期提供无闪烁的LED亮度控制
  • 25mA (最大值)端口输出吸收电流(接地电流最大值100mA)
  • 输入过压保护达5.5V (VLA)
  • 带有可选中断输出的瞬变检测
  • 可选的输入去抖
  • /RST输入清除串口、可恢复上电默认状态以及同步闪烁时序
  • 振荡器输入和输出使能级联的多个器件
  • 0.75µA (典型值)低待机电流

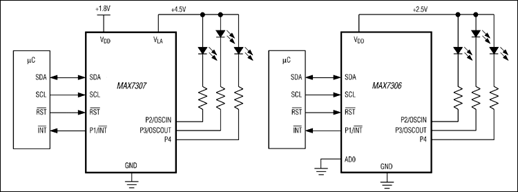
MAX7306/MAX7307为I²C/SMBus™兼容的串口外设,具有四路电平转换I/O,采用1.62V至3.6V电源工作。MAX7307具有端口电源(VLA),允许I/O端口采用独立的1.4V至5.5V电源进行电平转换。MAX7306具有地址选择输入(AD0),允许最多四种唯一从机地址。

MAX7306/MAX7307端口P2、P3和P4可配置为输入、推挽式输出以及漏极开路输出。端口P1可配置为通用输入、漏极开路输出或/INT漏极开路输出。端口P2和P3可分别配置为OSCIN和OSCOUT。MAX7306/MAX7307内置振荡器,可用于PWM、闪烁以及按键去抖或者级联多片MAX7306/MAX7307。外部时钟可用来设置特定的PWM和闪烁时序。/RST输入可异步清除2线接口并终止和MAX7306/MAX7307有关的总线锁死。

所有配置为输出的端口具有33级PWM,允许任意一路输出设置为从完全关断、1/32至31/32占空比到完全导通。所有输出端口还具有LED闪烁控制功能,允许的闪烁周期为:1/8秒、1/4秒、1/2秒、1秒、2秒、4秒或8秒。在此周期内任何端口均能以1/16至15/16的占空比闪烁。

MAX7306/MAX7307额定工作于-40°C至+125°C温度范围,提供10引脚µDFN (2mm x 2mm)封装或10引脚µMAX®封装。

应用

  • 蜂窝电话
  • LCD/键盘背光
  • LED状态指示器
  • 系统I/O端口

MAX7306
SMBus/I²C接口、4端口电平转换GPIO和LED驱动器
MAX7306、MAX7307:典型工作电路
添加至 myAnalog

将产品添加到myAnalog 的现有项目或新项目中(接收通知)。

创建新项目
提问

参考资料

了解更多
添加至 myAnalog

Add media to the Resources section of myAnalog, to an existing project or to a new project.

创建新项目

软件资源

找不到您所需的软件或驱动?

申请驱动/软件

硬件生态系统

部分模型 产品周期 描述
I/O扩展器 3
MAX7300 量产 2线接口、2.5V至5.5V、20端口或28端口输入/输出扩展器
MAX7301 量产 4线接口、2.5V至5.5V、20端口或28端口输入/输出扩展器
MAX7302 过期 SMBus™/I²C接口、9端口电平转换GPIO和LED驱动器,具有CLA
LED 驱动器 IC 4
MAX6956 量产 2线接口、2.5V至5.5V、20端口或28端口LED显示驱动器及输入/输出扩展器
MAX6957 量产 4线接口、2.5V至5.5V、20端口或28端口LED显示驱动器及输入/输出扩展器
MAX6964 量产 17路输出LED驱动器/GPO,带有亮度控制和热插入保护
MAX6965 量产 9路输出LED驱动器,带有亮度控制和热插入保护
Modal heading
添加至 myAnalog

将产品添加到myAnalog 的现有项目或新项目中(接收通知)。

创建新项目

工具及仿真模型


评估套件

MAX7307EVCMAXQU

MAX7307评估板/评估系统

特性和优点

  • 400kHz 2线串行接口,具有5.5V容限
  • 1.62V至3.6V工作电压(VDD)
  • 1.4V至5.5V I/O电平转换端口电压(VLA)
  • 较大的吸电流输出—每端口高达25mA
  • 经过验证的PCB布板
  • Windows 98SE/2000/XP兼容评估软件
  • 完全安装并经过测试
  • 评估系统包括USB连接

产品详情

MAX7307评估板(EV kit)是一款完全安装并经过测试的印刷电路板(PCB),可用于演示MAX7307 4端口电平转换GPIO的全部功能,该器件带有锁存瞬态检测、闪烁控制以及脉宽调制(PWM)功能。MAX7307评估板还带有Windows® 98SE/2000/XP兼容软件,可为演示MAX7307特性提供简易的图形用户接口(GUI)。

MAX7307评估系统(EV system)包含了MAX7307评估板以及Maxim CMAXQUSB串行接口板。

CMAXQUSB板连接至PC的USB接口,可以向MAX7307评估板发送I²C命令。

评估板安装了MAX7307ALB+。

应用

  • 蜂窝电话
  • LCD/键盘背光
  • LED状态指示器
  • 系统I/O端口

MAX7307EVKIT

MAX7307评估板/评估系统

特性和优点

  • 400kHz 2线串行接口,具有5.5V容限
  • 1.62V至3.6V工作电压(VDD)
  • 1.4V至5.5V I/O电平转换端口电压(VLA)
  • 较大的吸电流输出—每端口高达25mA
  • 经过验证的PCB布板
  • Windows 98SE/2000/XP兼容评估软件
  • 完全安装并经过测试
  • 评估系统包括USB连接

产品详情

MAX7307评估板(EV kit)是一款完全安装并经过测试的印刷电路板(PCB),可用于演示MAX7307 4端口电平转换GPIO的全部功能,该器件带有锁存瞬态检测、闪烁控制以及脉宽调制(PWM)功能。MAX7307评估板还带有Windows® 98SE/2000/XP兼容软件,可为演示MAX7307特性提供简易的图形用户接口(GUI)。

MAX7307评估系统(EV system)包含了MAX7307评估板以及Maxim CMAXQUSB串行接口板。

CMAXQUSB板连接至PC的USB接口,可以向MAX7307评估板发送I²C命令。

评估板安装了MAX7307ALB+。

应用

  • 蜂窝电话
  • LCD/键盘背光
  • LED状态指示器
  • 系统I/O端口

MAX7306EVKIT

MAX7306评估板/评估系统

特性和优点

  • 400kHz 2线串行接口,具有5.5V耐压
  • 1.62V至3.6V电源供电(VDD)
  • 1.4V至5.5V I/O电平转换端口电源(VLA)
  • 较高的吸电流输出—每端口电流高达25mA
  • 经过验证的PCB布局
  • Windows 98SE/2000/XP兼容的评估软件
  • 完全安装并经过测试
  • 评估系统包括USB连线

产品详情

MAX7306评估板(EV kit)是完全安装并经过测试的印刷电路板(PCB),用于评估具有瞬变锁存、闪烁控制及脉宽调制(PWM)功能的四路电平转换GPIO MAX7306。MAX7306评估板还包含Windows® 98SE/2000/XP兼容软件,提供简便的图形用户界面(GUI),用于演示MAX7306的功能。

MAX7306评估系统(EV system)包括MAX7306评估板和Maxim CMAXQUSB串行接口板。

CMAXQUSB板连接PC的USB接口,能够将I²C命令传送给MAX7306评估板。

评估板安装了MAX7306AUB+,MAX7306评估板还可用于评估MAX7307。如需评估引脚兼容的MAX7307AUB+,请联系工厂索取免费样品。

应用

  • 蜂窝电话
  • LCD/键盘背光
  • LED状态指示器
  • 系统I/O端口

MAX7306EVCMAXQU

MAX7306评估板/评估系统

特性和优点

  • 400kHz 2线串行接口,具有5.5V耐压
  • 1.62V至3.6V电源供电(VDD)
  • 1.4V至5.5V I/O电平转换端口电源(VLA)
  • 较高的吸电流输出—每端口电流高达25mA
  • 经过验证的PCB布局
  • Windows 98SE/2000/XP兼容的评估软件
  • 完全安装并经过测试
  • 评估系统包括USB连线

产品详情

MAX7306评估板(EV kit)是完全安装并经过测试的印刷电路板(PCB),用于评估具有瞬变锁存、闪烁控制及脉宽调制(PWM)功能的四路电平转换GPIO MAX7306。MAX7306评估板还包含Windows® 98SE/2000/XP兼容软件,提供简便的图形用户界面(GUI),用于演示MAX7306的功能。

MAX7306评估系统(EV system)包括MAX7306评估板和Maxim CMAXQUSB串行接口板。

CMAXQUSB板连接PC的USB接口,能够将I²C命令传送给MAX7306评估板。

评估板安装了MAX7306AUB+,MAX7306评估板还可用于评估MAX7307。如需评估引脚兼容的MAX7307AUB+,请联系工厂索取免费样品。

应用

  • 蜂窝电话
  • LCD/键盘背光
  • LED状态指示器
  • 系统I/O端口

MAX7307EVCMAXQU
MAX7307评估板/评估系统
MAX7307EVKIT
MAX7307评估板/评估系统
MAX7306EVKIT
MAX7306评估板/评估系统
MAX7306EVCMAXQU
MAX7306评估板/评估系统

最新评论

需要发起讨论吗? 没有关于 MAX7306的相关讨论?是否需要发起讨论?

在EngineerZone®上发起讨论

近期浏览